
![]() |
![]() |
Здравствуйте, Гость ( Авторизация | Регистрация )
![]() |
![]() |
![]() ![]() ![]() |
![]() |
![]() |
| Ohotnik_mur |
Jun 18 2022, 05:37
Создана
#87241
|
|
Старожил ![]() ![]() ![]() ![]() ![]() Группа: Посетители Сообщений: 855 Зарегистрирован: 10-June 14 Из: МО Железнодорожный Пользователь №: 70,132 Металлоискатель: X-Terra 705 Пол: мужской Репутация: 92 кг |
QUOTE(А жогин А @ Jun 18 2022, 04:43) мменя уже генератор на Ниве задолбал. опять обломил сегодня коп. пришлось вернуться. ничего не понимаю. генератор снял, поставил новую таблетку. проверил. проблем нет. зарядку дает 13.6 на холостом, минус скидываю - работает. вчера откопался и все нормально. сегодня в 3 уже на месте был. зарядка была. по перевернутому полю проехался, покопал с полчаса, решил вперед проехать. опа, а зарядки нет. странности наверное были. после замены и дворники и печка, чем сильнее газа даешь тем быстрее работают. когда зарядка была то при включении зажигания лампочка аккумулятора загоралась сразу. сейчас загорается едлено и зарядки нет. вот и ломаю голову, новый генератор что ли покупать или таблетка попалась дерьмо? добавлю. первый раз зарядка пропала когда я по жестко перевернотому полю добирался, потом то была зарядка то нет. второй раз окончательно пропала после того как я опять же по такому же полю пробирался и сегодня опять по такому же полю. в ней встряхнуться ничего не может? или мост диодный накрылся и таблетка горит? Алексей приветствую! Кто кого замучает в конец Вложенные эскизы изображений -------------------- Мои МД и пин: X-Terra 705, Garrett ATX, Сфинкс 02
|
![]() |
![]() |
![]() |
![]() |
| Ohotnik_mur |
Jun 18 2022, 05:44
Создана
#87242
|
|
Старожил ![]() ![]() ![]() ![]() ![]() Группа: Посетители Сообщений: 855 Зарегистрирован: 10-June 14 Из: МО Железнодорожный Пользователь №: 70,132 Металлоискатель: X-Terra 705 Пол: мужской Репутация: 92 кг |
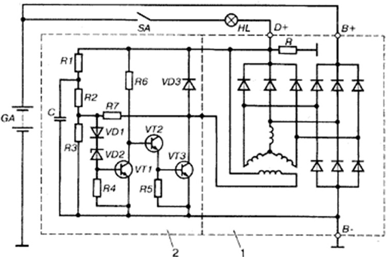
Алексей, вот ещё схема более подробная. С 61 контакта на лампу потом на предохранитель Р10 через замок зажигания 4 и на 30 вывод генератора и аккумулятор. Эту цепь надо проверять. Нет контакта -> нет зарядки.
Вложенные эскизы изображений -------------------- Мои МД и пин: X-Terra 705, Garrett ATX, Сфинкс 02
|
![]() |
![]() |
![]() |
![]() |
| А жогин А |
Jun 18 2022, 05:56
Создана
#87243
|
|
Старожил ![]() ![]() ![]() ![]() ![]() Группа: Посетители Сообщений: 904 Зарегистрирован: 6-March 22 Пользователь №: 2,401,416 Пол: мужской Репутация: 170 кг |
QUOTE(Ohotnik_mur @ Jun 18 2022, 05:44) Алексей, вот ещё схема более подробная. С 61 контакта на лампу потом на предохранитель Р10 через замок зажигания 4 и на 30 вывод генератора и аккумулятор. Эту цепь надо проверять. Нет контакта -> нет зарядки. спасибо!!! буду пробовать. сначала все же сниму таблетку и проверю работает или нет. -------------------- бывший ник ажогин https://www.reviewdetector.ru/index.php?showuser=34254
репутация 3229 кг |
![]() |
![]() |
![]() |
![]() |
| Patrick07 |
Jun 18 2022, 06:01
Создана
#87244
|
|
Профи ![]() ![]() ![]() ![]() ![]() ![]() Группа: VIP Сообщений: 2,184 Зарегистрирован: 1-November 07 Пользователь №: 2,884 Пол: мужской Репутация: 183 кг |
QUOTE(А жогин А @ Jun 18 2022, 06:56) спасибо!!! буду пробовать. сначала все же сниму таблетку и проверю работает или нет. А, уровень электролита в АКБ в норме? Затем вскрыть генератор - прозвонить диоды. Странно, что лампочки не перегорают.-------------------- Свобода от понтов - одна из самых сильных и ценных свобод.
Карта СБ 2202 .... .... .... 0946 |
![]() |
![]() |
![]() |
![]() |
| Ohotnik_mur |
Jun 18 2022, 06:12
Создана
#87245
|
|
Старожил ![]() ![]() ![]() ![]() ![]() Группа: Посетители Сообщений: 855 Зарегистрирован: 10-June 14 Из: МО Железнодорожный Пользователь №: 70,132 Металлоискатель: X-Terra 705 Пол: мужской Репутация: 92 кг |
QUOTE(Patrick07 @ Jun 18 2022, 06:01) А, уровень электролита в АКБ в норме? Затем вскрыть генератор - прозвонить диоды. Странно, что лампочки не перегорают. Когда Алексей писал что до 17 вольт напряжение доходит, я тоже подумал что что-то с аккумулятором. Может внутри контакт плохой или пластины в какой-то банке посыпались. Были такие мысли. Но в тех его постах очень много противоречий было. И что-то подсказать было затруднительно. Крайний его пост более информативен. -------------------- Мои МД и пин: X-Terra 705, Garrett ATX, Сфинкс 02
|
![]() |
![]() |
![]() |
![]() |
| А жогин А |
Jun 18 2022, 06:14
Создана
#87246
|
|
Старожил ![]() ![]() ![]() ![]() ![]() Группа: Посетители Сообщений: 904 Зарегистрирован: 6-March 22 Пользователь №: 2,401,416 Пол: мужской Репутация: 170 кг |
QUOTE(Ohotnik_mur @ Jun 18 2022, 06:12) Когда Алексей писал что до 17 вольт напряжение доходит, я тоже подумал что что-то с аккумулятором. Может внутри контакт плохой или пластины в какой-то банке посыпались. Были такие мысли. Но в тех его постах очень много противоречий было. И что-то подсказать было затруднительно. Крайний его пост более информативен. аккумулятор нормальный. для проверки снимал с Опеля новый. все то же самое было. -------------------- бывший ник ажогин https://www.reviewdetector.ru/index.php?showuser=34254
репутация 3229 кг |
![]() |
![]() |
![]() |
![]() |
| Линейка |
Jun 18 2022, 06:29
Создана
#87247
|
|
Старожил ![]() ![]() ![]() ![]() ![]() Группа: Посетители Сообщений: 578 Зарегистрирован: 27-December 19 Пользователь №: 2,386,503 Пол: мужской Репутация: 52 кг |
Воронежская обл. Разбег от 11 до 13.20 за чёрный пока.
|
![]() |
![]() |
![]() |
![]() |
| Обрыв |
Jun 18 2022, 06:45
Создана
#87248
|
|
Профи ![]() ![]() ![]() ![]() ![]() ![]() Группа: VIP Сообщений: 3,849 Зарегистрирован: 26-November 18 Пользователь №: 2,378,127 Пол: мужской Репутация: 113 кг |
|
![]() |
![]() |
![]() |
![]() |
| DimaTomsk |
Jun 18 2022, 07:46
Создана
#87249
|
|
Бывалый ![]() ![]() ![]() Группа: Посетители Сообщений: 199 Зарегистрирован: 4-October 09 Из: ТОМСК Пользователь №: 12,365 Пол: мужской Репутация: 33 кг |
в Томске чермет 12000
|
![]() |
![]() |
![]() |
![]() |
| бобер из болота |
Jun 18 2022, 07:58
Создана
#87250
|
|
Профи ![]() ![]() ![]() ![]() ![]() ![]() Группа: Посетители Сообщений: 1,031 Зарегистрирован: 23-June 10 Из: местный я Пользователь №: 19,199 Металлоискатель: XP Dèus Пол: мужской Репутация: 190 кг |
Вчера мимо приемки ехал 9р новгородская.
|
![]() |
![]() |
![]() |
![]() |
| ski |
Jun 18 2022, 09:11
Создана
#87251
|
|
Профи ![]() ![]() ![]() ![]() ![]() ![]() Группа: Посетители Сообщений: 2,384 Зарегистрирован: 3-September 12 Пользователь №: 46,767 Металлоискатель: D2 Пол: мужской Репутация: 174 кг |
QUOTE(А жогин А @ Jun 18 2022, 05:56) спасибо!!! буду пробовать. сначала все же сниму таблетку и проверю работает или нет. массу глянь,конечно же. -------------------- У России нет ни каких границ,у России есть только горизонт.
(И.Растеряев) |
![]() |
![]() |
![]() |
![]() |
| егерьсаша |
Jun 18 2022, 09:29
Создана
#87252
|
|
Профи ![]() ![]() ![]() ![]() ![]() ![]() Группа: VIP Сообщений: 2,968 Зарегистрирован: 28-September 16 Пользователь №: 2,354,224 Пол: мужской Номер карты: 427****772 Репутация: 620 кг |
Приветствую трудяг! Сколько сейчас латунь стоит , сдавал в мае по 300 , упала или нет ? Вологодская , Нюксенский.
|
![]() |
![]() |
![]() |
![]() |
| Стронг |
Jun 18 2022, 10:45
Создана
#87253
|
|
Профи ![]() ![]() ![]() ![]() ![]() ![]() Группа: Посетители Сообщений: 1,157 Зарегистрирован: 19-February 20 Из: М/О Пользователь №: 2,387,813 Металлоискатель: MINELAB VANQUISH 540 Пол: мужской Репутация: 82 кг |
QUOTE(егерьсаша @ Jun 18 2022, 09:29) Приветствую трудяг! Сколько сейчас латунь стоит , сдавал в мае по 300 , упала или нет ? Вологодская , Нюксенский. Добра.латунь у нас упала до 240-260р. -------------------- ..."Jedem das Seine"
|
![]() |
![]() |
![]() |
![]() |
| Arseniy |
Jun 18 2022, 11:06
Создана
#87254
|
|
Старожил ![]() ![]() ![]() ![]() ![]() Группа: Посетители Сообщений: 760 Зарегистрирован: 23-May 15 Из: Саратовская губерния Пользователь №: 2,334,281 Пол: мужской Репутация: 194 кг |
Цены на лом черных металлов продолжают падать:
https://youtube.com/shorts/JIWQeic2Ros?feature=share https://youtube.com/shorts/Oj5UfBdfJ80?feature=share Сообщение отредактировано Arseniy: Jun 18 2022, 11:11 |
![]() |
![]() |
![]() |
![]() |
| Из глубинки |
Jun 18 2022, 12:29
Создана
#87255
|
|
Профи ![]() ![]() ![]() ![]() ![]() ![]() Группа: Посетители Сообщений: 1,539 Зарегистрирован: 8-March 09 Пользователь №: 8,389 Пол: мужской Репутация: 85 кг |
QUOTE(Обрыв @ Jun 18 2022, 07:45) Первая околотонна собранная в деревне.... Крупняк весь выбили поэтому много мелочи... Поеду сегодня ближе к цивилизации сдам пяток сотен на расходы..... ![]() Тоже раздумываю над дилеммой, складировать весь накопанный металл или половину оставлять, а вторую половину сдавать по тем ценам что есть. Единственный плюс от второго варианта - будет хоть какой-то положительный денежный поток и в то же время будут пополняться "складские запасы". Со всей этой заварухой ждать хороших цен возможно придется очень долго. -------------------- Если вещь не годна для одной цели, ее можно употребить для другой.
|
![]() |
![]() |
![]() |
![]() |
| кудесник |
Jun 18 2022, 12:53
Создана
#87256
|
|
Постоянный ![]() ![]() ![]() ![]() Группа: Посетители Сообщений: 384 Зарегистрирован: 29-December 07 Пользователь №: 3,197 Пол: мужской Репутация: 153 кг |
Орловская обл, еще минус 1р , 14р засор 5/*
|
![]() |
![]() |
![]() |
![]() |
| Vnuk Svaroga |
Jun 18 2022, 14:21
Создана
#87257
|
|
Профи ![]() ![]() ![]() ![]() ![]() ![]() Группа: Посетители Сообщений: 1,191 Зарегистрирован: 9-May 16 Пользователь №: 2,349,911 Пол: мужской Репутация: 38 кг |
QUOTE(кудесник @ Jun 18 2022, 12:53) Орловская обл, еще минус 1р , 14р засор 5/* Отлично,а с приемки как было 50р. за кг.,так и осталось)).Телек чтоли не смотрят)) Знаменское,Орловской. |
![]() |
![]() |
![]() |
![]() |
| Обрыв |
Jun 18 2022, 15:19
Создана
#87258
|
|
Профи ![]() ![]() ![]() ![]() ![]() ![]() Группа: VIP Сообщений: 3,849 Зарегистрирован: 26-November 18 Пользователь №: 2,378,127 Пол: мужской Репутация: 113 кг |
QUOTE(Из глубинки @ Jun 18 2022, 12:29) Тоже раздумываю над дилеммой, складировать весь накопанный металл или половину оставлять, а вторую половину сдавать по тем ценам что есть. Единственный плюс от второго варианта - будет хоть какой-то положительный денежный поток и в то же время будут пополняться "складские запасы". Со всей этой заварухой ждать хороших цен возможно придется очень долго. Ну с твоей подкованностью, как срубить , лучше у тебя спрашивать....)) Вчера начальник нашего нлмк сказал оптовикам, ребята в ближайшем будущем не ждите повышения цен ..... Так что поехал сегодня сдал половину.... буду придерживаться этого принципа, половина сдавать, половину в сарай....) Меня напрягает то что нет еще дна падения.... нлмк хоть и скидывает по 500₽/тн, но происходит это каждую неделю.... Остановиться падение будет уже легче понимать.... Сообщение отредактировано Обрыв: Jun 18 2022, 15:24 |
![]() |
![]() |
![]() |
![]() |
| multuk |
Jun 18 2022, 15:28
Создана
#87259
|
|
Профи ![]() ![]() ![]() ![]() ![]() ![]() Группа: Посетители Сообщений: 2,347 Зарегистрирован: 16-May 08 Пользователь №: 4,632 Металлоискатель: terra 74 Пол: мужской Репутация: 200 кг |
QUOTE(Vnuk Svaroga @ Jun 16 2022, 23:54) Мать честная,куда же цену на солярку взвинтили?Рубль у них окреп))ага. Рубль окреп только по отношению к валютам! По отношению к мясу, маслу, молоку, авто-, бензо-, рыбно-, чайно- он падает ... если буржуинам посмотреть на наши продуктовые цены в доллярах - у них волосы дыбом встанут ... QUOTE(Обрыв @ Jun 18 2022, 16:19) .... буду придерживаться этого принципа, половина сдавать, половину в сарай....) Ну так нам и положено 50% от клада ... на том и стоИм!!! положенную половину забираем, вторую половину опять прикапываем ... -------------------- Музыка проверенная временем _http://merkurs.klausies.eu
|
![]() |
![]() |
![]() |
![]() |
| Обрыв |
Jun 18 2022, 15:33
Создана
#87260
|
|
Профи ![]() ![]() ![]() ![]() ![]() ![]() Группа: VIP Сообщений: 3,849 Зарегистрирован: 26-November 18 Пользователь №: 2,378,127 Пол: мужской Репутация: 113 кг |
Ездил сдавать в город (60+60км), т.к по цене и честности получается намного выгоднее.
Вот что за хре..!? на сайте цена одна.... http://www.lomcenter.ru/page/individuals/28 на приемке по факту другая.... |
![]() |
![]() |
![]() ![]() ![]() |
| Упрощенная Версия · Рекламодателям | Сейчас: 28th January 2026 - 04:33 | |
![]() |