
![]() |
![]() |
Здравствуйте, Гость ( Авторизация | Регистрация )
![]() |
![]() |
![]() ![]() ![]() |
![]() |
![]() |
| Soltek |
Dec 30 2025, 18:53
Создана
#1841
|
|
Профи ![]() ![]() ![]() ![]() ![]() ![]() Группа: VIP Сообщений: 11,879 Зарегистрирован: 24-October 09 Пользователь №: 12,740 ![]() Пол: мужской Репутация: 1027 кг |
Немного про помощников. Проверка гирлянды на пониженном напряжение была бы невозможна при отсутствии Латра. Именно такой зверь попался мне месяцом ранее и сразу попал на операционный стол.
![]() Бедолаге досталось от прежнего хозяина и на него было страшно смотреть. ![]() ![]() ![]() Разбираем, осматриваем и изыскиваем медный провод для новой обмотки. ![]() ![]() Межвитковое замыкание повредило картонную проставку. Её зачищаем и грунтуем. ![]() ![]() Немного терпения и новая обмотка влилась в дружный коллектив единой цепи Латра. ![]() Тестируем на различных напряжениях и сравниваем показания по напряжению. ![]() Собираем всё обратно и радуемся новому помощнику. ![]() -------------------- Копая там, где ты копал, вопрос простой, -а ты там клал?
|
![]() |
![]() |
![]() |
![]() |
| Iff |
Dec 30 2025, 22:24
Создана
#1842
|
|
Профи ![]() ![]() ![]() ![]() ![]() ![]() Группа: VIP Сообщений: 2,779 Зарегистрирован: 9-April 07 Пользователь №: 1,837 ![]() Пол: мужской Репутация: 206 кг |
QUOTE(Старина Хэнк @ Dec 29 2025, 23:00) А вот слыхал я в ранней юности байку, что кто-то делал цветомузыку на релюхах. То есть не транзисторы переключали всё это мигание, а чисто механика. Ну или как то так. Говорят шум и грохот стояли - не дай божЕ. Сам многогрешный, собирался сделать цветомузыку на тиротронах.Лампы такие. Схема из приложения к ЮТ. 70-е годы. Но чего-то не сложилось. На реле ЦМУ, наверное, от безысходности, от невозможности достать тиристоры. Слово "достать", как понимаю, помнят все собравшиеся))).На тиратронах стробоскопы для танцев, не для установки зажигания, собирал. Стробоскопический эффект во время танца был сногсшибательный. Еще дым делали из глицерина, растирая его скомканной медной фольгой по электрической плитке Сообщение отредактировано Iff: Dec 30 2025, 22:28 -------------------- Да уж...
|
![]() |
![]() |
![]() |
![]() |
| Ohotnik_mur |
Dec 31 2025, 07:11
Создана
#1843
|
|
Старожил ![]() ![]() ![]() ![]() ![]() Группа: Посетители Сообщений: 857 Зарегистрирован: 10-June 14 Из: МО Железнодорожный Пользователь №: 70,132 Металлоискатель: X-Terra 705 Пол: мужской Репутация: 93 кг |
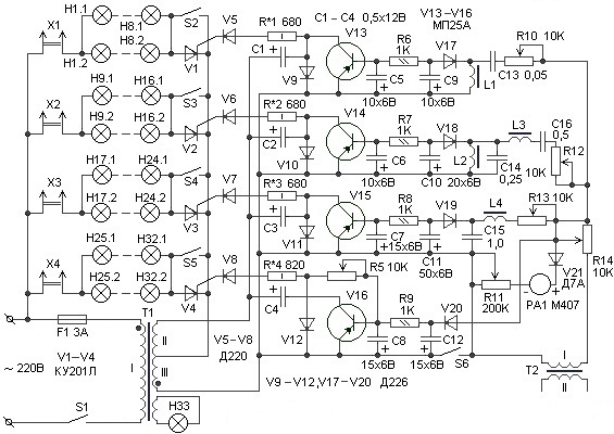
Вот такую схему собирал в мохнатых годах. Еле нашел в файловых закромах почти сорока терабайтовой
Коллеги по работе не заморачивались. Простенькие схемы на тиристорах собирали. И конечно получали импульсные вспышки. Без плавного увеличения яркости свечения ламп в зависимости от уровня сигнала. Вложенные эскизы изображений -------------------- Мои МД и пин: X-Terra 705, Garrett ATX, Сфинкс 02
|
![]() |
![]() |
![]() |
![]() |
| Ohotnik_mur |
Dec 31 2025, 07:21
Создана
#1844
|
|
Старожил ![]() ![]() ![]() ![]() ![]() Группа: Посетители Сообщений: 857 Зарегистрирован: 10-June 14 Из: МО Железнодорожный Пользователь №: 70,132 Металлоискатель: X-Terra 705 Пол: мужской Репутация: 93 кг |
О. Только сейчас заметил. Минус конденсатора С4, коллектор V16 и анод диода V12 должны быть соединены. Точка не стоит на схеме.
И да. С Новым Годом Вас друзья! Крепкого Здоровья всем Вам желаю! Сообщение отредактировано Ohotnik_mur: Dec 31 2025, 07:37 -------------------- Мои МД и пин: X-Terra 705, Garrett ATX, Сфинкс 02
|
![]() |
![]() |
![]() |
![]() |
| Soltek |
Dec 31 2025, 12:44
Создана
#1845
|
|
Профи ![]() ![]() ![]() ![]() ![]() ![]() Группа: VIP Сообщений: 11,879 Зарегистрирован: 24-October 09 Пользователь №: 12,740 ![]() Пол: мужской Репутация: 1027 кг |
QUOTE(Ohotnik_mur @ Dec 31 2025, 07:21) О. Только сейчас заметил. Минус конденсатора С4, коллектор V16 и анод диода V12 должны быть соединены. Точка не стоит на схеме. И да. С Новым Годом Вас друзья! Крепкого Здоровья всем Вам желаю! Присоединяюсь к поздравлению. Всех с Наступающим Новым годом! Спасибо за участие в обсуждениях и воспоминаниях в паяльно-схемо-радиолюбительском русле. -------------------- Копая там, где ты копал, вопрос простой, -а ты там клал?
|
![]() |
![]() |
![]() |
![]() |
| крот.ру |
Dec 31 2025, 12:55
Создана
#1846
|
|
Профи ![]() ![]() ![]() ![]() ![]() ![]() Группа: VIP Сообщений: 8,317 Зарегистрирован: 17-May 15 Из: Кузбасс Пользователь №: 2,334,006 Пол: мужской Репутация: 834 кг |
![]() Всем мира и добра! с уважением |
![]() |
![]() |
![]() |
![]() |
| Iff |
Dec 31 2025, 16:40
Создана
#1847
|
|
Профи ![]() ![]() ![]() ![]() ![]() ![]() Группа: VIP Сообщений: 2,779 Зарегистрирован: 9-April 07 Пользователь №: 1,837 ![]() Пол: мужской Репутация: 206 кг |
Всех кто дружит с паяльником с Наступающим Новым годом!!!
Здоровья и благополучия! -------------------- Да уж...
|
![]() |
![]() |
![]() |
![]() |
| Fil721 |
Dec 31 2025, 18:54
Создана
#1848
|
|
Профи ![]() ![]() ![]() ![]() ![]() ![]() Группа: VIP Сообщений: 4,213 Зарегистрирован: 18-January 08 Из: КимовсК Пользователь №: 3,377 Пол: мужской Репутация: 745 кг |
С Наступающим Годом!!!!
-------------------- Ремонт плат газкотлов.
|
![]() |
![]() |
![]() |
![]() |
| Бесеркерк |
Jan 1 2026, 13:50
Создана
#1849
|
|
Профи ![]() ![]() ![]() ![]() ![]() ![]() Группа: VIP Сообщений: 13,853 Зарегистрирован: 14-January 11 Пользователь №: 25,068 Пол: мужской Репутация: 380 кг |
QUOTE(Старина Хэнк @ Dec 29 2025, 23:00) А вот слыхал я в ранней юности байку, что кто-то делал цветомузыку на релюхах. То есть не транзисторы переключали всё это мигание, а чисто механика. Ну или как то так. Говорят шум и грохот стояли - не дай божЕ. Сам многогрешный, собирался сделать цветомузыку на тиротронах.Лампы такие. Схема из приложения к ЮТ. 70-е годы. Но чего-то не сложилось. Мне доводилось в школе собирать на основе детского пианино.Где можно было самому переключать нажимая на клавиши или механическим приводом.Нынешние бы возможности доступа к элементной базе да в то время! |
![]() |
![]() |
![]() |
![]() |
| Soltek |
Jan 2 2026, 13:08
Создана
#1850
|
|
Профи ![]() ![]() ![]() ![]() ![]() ![]() Группа: VIP Сообщений: 11,879 Зарегистрирован: 24-October 09 Пользователь №: 12,740 ![]() Пол: мужской Репутация: 1027 кг |
QUOTE(Молотов @ Dec 30 2025, 11:46) Здравствуйте. Совсем не байка. "Шаговый искатель" (реле шаговое) это и есть механика. Штука надежная. Звук щелчка-переключения глушился громкой музыкой... Если попроще мигалку в молодости делали, то достаточно было несколько стартеров от длинных люминесцентных ламп. Как по заявке час назад вышел ролик. ![]() https://www.youtube.com/watch?v=DsLp0Q84WxI -------------------- Копая там, где ты копал, вопрос простой, -а ты там клал?
|
![]() |
![]() |
![]() |
![]() |
| Iff |
Jan 2 2026, 22:02
Создана
#1851
|
|
Профи ![]() ![]() ![]() ![]() ![]() ![]() Группа: VIP Сообщений: 2,779 Зарегистрирован: 9-April 07 Пользователь №: 1,837 ![]() Пол: мужской Репутация: 206 кг |
QUOTE(Soltek @ Jan 2 2026, 13:08) Как по заявке час назад вышел ролик. Бегущие огни на шаговом искателе - это неолит какой-то -------------------- Да уж...
|
![]() |
![]() |
![]() |
![]() |
| Soltek |
Jan 2 2026, 23:36
Создана
#1852
|
|
Профи ![]() ![]() ![]() ![]() ![]() ![]() Группа: VIP Сообщений: 11,879 Зарегистрирован: 24-October 09 Пользователь №: 12,740 ![]() Пол: мужской Репутация: 1027 кг |
QUOTE(Iff @ Jan 2 2026, 22:02) Бегущие огни на шаговом искателе - это неолит какой-то Подписан на этот канал. А тут как раз про упомянутое выше шаговое реле. Как специально в нашу тему. Тем более кто-то живо этим интересовался. -------------------- Копая там, где ты копал, вопрос простой, -а ты там клал?
|
![]() |
![]() |
![]() |
![]() |
| Iff |
Jan 3 2026, 09:58
Создана
#1853
|
|
Профи ![]() ![]() ![]() ![]() ![]() ![]() Группа: VIP Сообщений: 2,779 Зарегистрирован: 9-April 07 Пользователь №: 1,837 ![]() Пол: мужской Репутация: 206 кг |
QUOTE(Soltek @ Jan 2 2026, 23:36) Подписан на этот канал. А тут как раз про упомянутое выше шаговое реле. Как специально в нашу тему. Тем более кто-то живо этим интересовался. Почему-то решил что Вы автор ролика и канала))-------------------- Да уж...
|
![]() |
![]() |
![]() ![]() ![]() |
| Упрощенная Версия · Рекламодателям | Сейчас: 1st February 2026 - 00:17 | |
![]() |