
![]() |
![]() |
Здравствуйте, Гость ( Авторизация | Регистрация )
![]() |
![]() |
![]() ![]() ![]() |
![]() |
![]() |
| Мотоциклист |
Feb 28 2023, 22:23
Создана
#1441
|
|
Профи ![]() ![]() ![]() ![]() ![]() ![]() Группа: VIP Сообщений: 22,058 Зарегистрирован: 19-October 09 Из: град Собянск Пользователь №: 12,668 ![]() Пол: мужской Репутация: 896 кг |
Сегодня искал обозначение одного советского транзистора в корпусе ТО-92.Это один из серии высокочастотных,у которых вся маркировка - 4 разноцветные точки.И,каково же было моё удивление,когда среди различных маркировок я вдруг увидел то,чего не видел за 40+ лет своего радиолюбительского стажа.
Это легендарный кт315 в корпусе ТО-92 -------------------- У кошки 4 ноги - вход,выход,земля и питание
|
![]() |
![]() |
![]() |
![]() |
| Fil721 |
Feb 28 2023, 22:29
Создана
#1442
|
|
Профи ![]() ![]() ![]() ![]() ![]() ![]() Группа: VIP Сообщений: 4,254 Зарегистрирован: 18-January 08 Из: КимовсК Пользователь №: 3,377 Пол: мужской Репутация: 748 кг |
Современный KT315 выпускается в корпусе для сквозного монтажа КТ-26 (TO-92).
-------------------- Ремонт плат газкотлов.
|
![]() |
![]() |
![]() |
![]() |
| Soltek |
Feb 28 2023, 23:51
Создана
#1443
|
|
Профи ![]() ![]() ![]() ![]() ![]() ![]() Группа: VIP Сообщений: 11,880 Зарегистрирован: 24-October 09 Пользователь №: 12,740 ![]() Пол: мужской Репутация: 1027 кг |
QUOTE(Мотоциклист @ Feb 28 2023, 22:23) ...среди различных маркировок я вдруг увидел то,чего не видел за 40+ лет своего радиолюбительского стажа. Это легендарный кт315 в корпусе ТО-92 Олег, принимай в группу. Тоже такое вижу первый раз. Я больше КТ315, 361 в таком виде видел. -------------------- Копая там, где ты копал, вопрос простой, -а ты там клал?
|
![]() |
![]() |
![]() |
![]() |
| Мотоциклист |
Mar 1 2023, 13:05
Создана
#1444
|
|
Профи ![]() ![]() ![]() ![]() ![]() ![]() Группа: VIP Сообщений: 22,058 Зарегистрирован: 19-October 09 Из: град Собянск Пользователь №: 12,668 ![]() Пол: мужской Репутация: 896 кг |
Андрей,принимаю
Кстати,пока рылся в сети нашёл на одном из форумов полезняшку. У меня лежит миллион лет уже коробочка с детальками,снятыми с распаянного немецкого прибора.Неизвестно,что был за прибор,мне достался полуразобранный.Так вот там транзисторы серенькие были и я несколько раз пытался понять,что же это за транзисторы,но так ничего и не нашёл.А тут вдруг раз - и вылезла инфа. Может пригодится кому ) -------------------- У кошки 4 ноги - вход,выход,земля и питание
|
![]() |
![]() |
![]() |
![]() |
| Mirjanin |
Mar 10 2023, 19:30
Создана
#1445
|
|
Профи ![]() ![]() ![]() ![]() ![]() ![]() Группа: VIP Сообщений: 2,479 Зарегистрирован: 12-November 17 Пользователь №: 2,369,646 Пол: мужской Номер карты: 4276..........0986 Репутация: 265 кг |
Здравствуйте! Помогите, дайте совет по ремонту китайского савбуфера джетбаланс. Грелись тда 2030, поставил новые, перегрева нет, но сам савбуфер и колонки издают чистый, но слабый звук.Схема без предусилителя и диодов. На один канал кондёр на 100 мФ, на колонки 22 мФ. Питание на тда -18 и +18
|
![]() |
![]() |
![]() |
![]() |
| Fil721 |
Mar 10 2023, 21:50
Создана
#1446
|
|
Профи ![]() ![]() ![]() ![]() ![]() ![]() Группа: VIP Сообщений: 4,254 Зарегистрирован: 18-January 08 Из: КимовсК Пользователь №: 3,377 Пол: мужской Репутация: 748 кг |
Недавно подобное делал.. все электролиты под замену.резисторы то же.оставил 2030 старые.но диоды по выходу впихнул. По питанию ёмкости увеличил.диоды питания на наши поменял КД 202. Заказчик сказал что так с покупки не работало..
А пришел по неисправности шел гул и грелся. -------------------- Ремонт плат газкотлов.
|
![]() |
![]() |
![]() |
![]() |
| Мотоциклист |
Mar 10 2023, 23:20
Создана
#1447
|
|
Профи ![]() ![]() ![]() ![]() ![]() ![]() Группа: VIP Сообщений: 22,058 Зарегистрирован: 19-October 09 Из: град Собянск Пользователь №: 12,668 ![]() Пол: мужской Репутация: 896 кг |
Отдали нулячие в коробке Свен 2+1.Звук не звук,низов нет,высокие как в приемнике конструкторе для пионеров СССР "Юность".И 50 герц ещё прёт.Руки не доходят разобрать))
-------------------- У кошки 4 ноги - вход,выход,земля и питание
|
![]() |
![]() |
![]() |
![]() |
| Mirjanin |
Mar 11 2023, 15:04
Создана
#1448
|
|
Профи ![]() ![]() ![]() ![]() ![]() ![]() Группа: VIP Сообщений: 2,479 Зарегистрирован: 12-November 17 Пользователь №: 2,369,646 Пол: мужской Номер карты: 4276..........0986 Репутация: 265 кг |
поменял электролиты. На колонках звук стал в норме, а на сабе глухой и слабый. стоял 100 мФ на 25 в, поставил 470 на 25 в. Электролиты по питанию стоят на 6800 мФ, лучших нет.
|
![]() |
![]() |
![]() |
![]() |
| VHS |
Mar 11 2023, 15:48
Создана
#1449
|
|
Старожил ![]() ![]() ![]() ![]() ![]() Группа: Посетители Сообщений: 597 Зарегистрирован: 29-October 14 Из: 33 регион Пользователь №: 2,322,712 Пол: мужской Репутация: 104 кг |
QUOTE(Mirjanin @ Mar 10 2023, 19:30) Здравствуйте! Помогите, дайте совет по ремонту китайского савбуфера джетбаланс. Грелись тда 2030, поставил новые, перегрева нет, но сам савбуфер и колонки издают чистый, но слабый звук.Схема без предусилителя и диодов. На один канал кондёр на 100 мФ, на колонки 22 мФ. Питание на тда -18 и +18 Может микросхемы левые. Грелись, но работали? Посмотрел у них температура до 150 градусов. |
![]() |
![]() |
![]() |
![]() |
| Mirjanin |
Mar 11 2023, 16:25
Создана
#1450
|
|
Профи ![]() ![]() ![]() ![]() ![]() ![]() Группа: VIP Сообщений: 2,479 Зарегистрирован: 12-November 17 Пользователь №: 2,369,646 Пол: мужской Номер карты: 4276..........0986 Репутация: 265 кг |
При первом включении нагрева не было, он появился, когда конд. поставил новые
|
![]() |
![]() |
![]() |
![]() |
| Мотоциклист |
Mar 12 2023, 13:48
Создана
#1451
|
|
Профи ![]() ![]() ![]() ![]() ![]() ![]() Группа: VIP Сообщений: 22,058 Зарегистрирован: 19-October 09 Из: град Собянск Пользователь №: 12,668 ![]() Пол: мужской Репутация: 896 кг |
Надо взять даташит на м\с и тупо,глядя на стандартную схему включения ( а обычно производители колонок не сильно от нее отступают) мерить напряжения,указанные там.А иначе - это гадание на кофейной гуще.
Смущает увеличенная в 4 раза емкость(если это та,которая на выходе,а не фильтр питания) -------------------- У кошки 4 ноги - вход,выход,земля и питание
|
![]() |
![]() |
![]() |
![]() |
| Fil721 |
Mar 12 2023, 14:49
Создана
#1452
|
|
Профи ![]() ![]() ![]() ![]() ![]() ![]() Группа: VIP Сообщений: 4,254 Зарегистрирован: 18-January 08 Из: КимовсК Пользователь №: 3,377 Пол: мужской Репутация: 748 кг |
Емкости при двухполярном питании там как раз в оос. при однополярном есть и на выходе.
-------------------- Ремонт плат газкотлов.
|
![]() |
![]() |
![]() |
![]() |
| Мотоциклист |
Mar 16 2023, 00:14
Создана
#1453
|
|
Профи ![]() ![]() ![]() ![]() ![]() ![]() Группа: VIP Сообщений: 22,058 Зарегистрирован: 19-October 09 Из: град Собянск Пользователь №: 12,668 ![]() Пол: мужской Репутация: 896 кг |
Стою на асфальте я
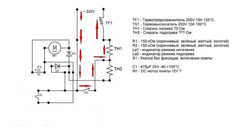
В лыжи обутый То ли лыжи не едут То ли я е.......й Короче,термопот перестал подавать воду.Помпа не помпа.Разобрал,подал на моторчик 12 вольт - идеально качает.Померил обмотки.Нагревательная в норме,поддержание температуры в обрыве.А именно через нее питается моторчик.Разобрал неразборный ( не для советского человека) ТЭН.Восстановил контакт - все работает.Но тут очевидное-невероятное началось.Наливаю кружку воды,отпускаю кнопку.Хочу налить вторую - мотор молчит.Проходит 5 минут - опять можно налить 1 кружку. Никакой автоматики там нет.Что происходит? Схема : -------------------- У кошки 4 ноги - вход,выход,земля и питание
|
![]() |
![]() |
![]() |
![]() |
| Soltek |
Mar 16 2023, 08:33
Создана
#1454
|
|
Профи ![]() ![]() ![]() ![]() ![]() ![]() Группа: VIP Сообщений: 11,880 Зарегистрирован: 24-October 09 Пользователь №: 12,740 ![]() Пол: мужской Репутация: 1027 кг |
-------------------- Копая там, где ты копал, вопрос простой, -а ты там клал?
|
![]() |
![]() |
![]() |
![]() |
| Ohotnik_mur |
Mar 16 2023, 10:57
Создана
#1455
|
|
Старожил ![]() ![]() ![]() ![]() ![]() Группа: Посетители Сообщений: 864 Зарегистрирован: 10-June 14 Из: МО Железнодорожный Пользователь №: 70,132 Металлоискатель: X-Terra 705 Пол: мужской Репутация: 93 кг |
QUOTE(Мотоциклист @ Mar 16 2023, 00:14) Стою на асфальте я В лыжи обутый То ли лыжи не едут То ли я е.......й Короче,термопот перестал подавать воду.Помпа не помпа.Разобрал,подал на моторчик 12 вольт - идеально качает.Померил обмотки.Нагревательная в норме,поддержание температуры в обрыве.А именно через нее питается моторчик.Разобрал не разборный ( не для советского человека) ТЭН. Восстановил контакт - все работает.Но тут очевидное-невероятное началось.Наливаю кружку воды,отпускаю кнопку.Хочу налить вторую - мотор молчит.Проходит 5 минут - опять можно налить 1 кружку. Никакой автоматики там нет.Что происходит? Олег рад приветствовать! Здравствуй! Крайние выводы нагревателей не перепутал случайно? Проверь также термопредохранители, чистоту контактов. Окислы и подгоревшие контакты термопредохранителей могут провоцировать термо отключение этих предохранителей. Правда могут быть закрытые термо предохранители, тогда только замена неисправного. За 5 минут эти предохранители остывают и схема снова может работать, до следующего срабатывания термопредохранителей. Возможно этим предохранителям наступает кирдык и пора их менять из за изменения температуры срабатывания. Проверь, какой термо срабатывает на отключение. Мультиметр на 220 вольт параллельно термо, градусник/термометр в воду на сколько возможно ближе к каждому из термо. Заодно проверишь температуру срабатывания термо. Явно, что отключение моторчика по температуре происходит. Отредактирую: Выше написанное - не сразу разобрался в схеме. Что и для чего служит. Отвлекают домашние делишки разные. Выше написанное удалять не стал. Читай что ниже написано: Ещё одно, и наверное это более вероятно! И скорее всего это так. Пока TS1 замкнут, моторчик не включится. То есть, вода не подогрета до рабочей температуры. TS1 блокирует включение моторчика. Вообще блокирует цепь моторчика и спираль подогрева ТН2. При размыкании TS1 начинает работать цепь моторчика и спираль подогреваТН2. А по схеме, TS1 на 100 градусов рассчитан. Пока вода не догрета до температуры срабатывания TS1, дальше не получишь работу моторчика и спирали подогрева ТН2. Сообщение отредактировано Ohotnik_mur: Mar 16 2023, 11:40 -------------------- Мои МД и пин: X-Terra 705, Garrett ATX, Сфинкс 02
|
![]() |
![]() |
![]() |
![]() |
| Ohotnik_mur |
Mar 16 2023, 12:53
Создана
#1456
|
|
Старожил ![]() ![]() ![]() ![]() ![]() Группа: Посетители Сообщений: 864 Зарегистрирован: 10-June 14 Из: МО Железнодорожный Пользователь №: 70,132 Металлоискатель: X-Terra 705 Пол: мужской Репутация: 93 кг |
Упростил немного схему. Стрелками показал протекание тока при замкнутом TS1. TS1 полностью исключает протекание тока через моторчик и ТН2.
Вложенные эскизы изображений -------------------- Мои МД и пин: X-Terra 705, Garrett ATX, Сфинкс 02
|
![]() |
![]() |
![]() |
![]() |
| Мотоциклист |
Mar 16 2023, 22:20
Создана
#1457
|
|
Профи ![]() ![]() ![]() ![]() ![]() ![]() Группа: VIP Сообщений: 22,058 Зарегистрирован: 19-October 09 Из: град Собянск Пользователь №: 12,668 ![]() Пол: мужской Репутация: 896 кг |
Михаил,спасибо,хочу воткнуть зеленый остеклованный резистор СССРовский на 750 ом ватт на 15 для питания мотора.Именно такое сопротивление у спирали подогрева.И не парить мозги.А термовыключатель там 1 только,отключает кипячение.Термопредохранитель тоже 1 и он цел,он же при катавасии просто сгорает.Как в трансформаторах,где он стоит замотанный в пленку,закрывающую вторичную обмотку.
-------------------- У кошки 4 ноги - вход,выход,земля и питание
|
![]() |
![]() |
![]() |
![]() |
| Ohotnik_mur |
Mar 16 2023, 23:30
Создана
#1458
|
|
Старожил ![]() ![]() ![]() ![]() ![]() Группа: Посетители Сообщений: 864 Зарегистрирован: 10-June 14 Из: МО Железнодорожный Пользователь №: 70,132 Металлоискатель: X-Terra 705 Пол: мужской Репутация: 93 кг |
Хозяин - барин. Если очень хочется, то ставь резистор. Лишишься подогрева. 64,5 ватта будут греть окружающее резистор пространство. Выдержит ли твой 15-ти ваттный резистор 64,5 ватта. Или к нему ещё вентилятор надо будет приспособить?. И когда TS1 замкнут, то есть температура воды ниже температуры срабатывания TS1, моторчик всё равно не включится. Хоть резистор там стоит, хоть спираль подогрева. Только при превышении температуры срабатывания TS1 моторчик будет работать.
Не знаю, что там за TS1 стоит. Такого аппарата у меня нет, а фото ты не сделал этого аппарата. Но я бы обратил особое внимание этому TS1. Заменил бы на новый. Возможно даже заменил бы его на датчик с меньшей температурой срабатывания, 96 градусов например. Как на схеме стоит на 100 градусов, думаю что многовато. А перед установкой нового, обязательно бы проверил температуру срабатывания в кастрюле с кипящей водой и термометром. Или вообще, электронный бы поставил. Заодно температуру смотреть можно по электронному, как там вода греется. И температуру нагрева регулировать можно. -------------------- Мои МД и пин: X-Terra 705, Garrett ATX, Сфинкс 02
|
![]() |
![]() |
![]() |
![]() |
| Мотоциклист |
Mar 17 2023, 18:42
Создана
#1459
|
|
Профи ![]() ![]() ![]() ![]() ![]() ![]() Группа: VIP Сообщений: 22,058 Зарегистрирован: 19-October 09 Из: град Собянск Пользователь №: 12,668 ![]() Пол: мужской Репутация: 896 кг |
Не
-------------------- У кошки 4 ноги - вход,выход,земля и питание
|
![]() |
![]() |
![]() |
![]() |
| Ohotnik_mur |
Mar 17 2023, 21:01
Создана
#1460
|
|
Старожил ![]() ![]() ![]() ![]() ![]() Группа: Посетители Сообщений: 864 Зарегистрирован: 10-June 14 Из: МО Железнодорожный Пользователь №: 70,132 Металлоискатель: X-Terra 705 Пол: мужской Репутация: 93 кг |
А ТН2 куда тогда подключишь? Чтобы подогрева не лишиться. По схеме - нижний вывод ТН2.
Греться что будет? Твой резистор, 15-ти ваттный резистор который ты хочешь установить. Какое сейчас напряжение на ТН2 при работе моторчика? Измерь. Сколько вольт? Приблизительно прикидываю сейчас, по схеме, положительная половина волны через D2 и меньше половины отрицательной волны через D1 с учётом напряжения 12 вольт моторчика. Сопротивление ТН2 тебе известно. Посчитай, какая мощность будет рассеиваться на этом резисторе. -------------------- Мои МД и пин: X-Terra 705, Garrett ATX, Сфинкс 02
|
![]() |
![]() |
![]() ![]() ![]() |
| Упрощенная Версия · Рекламодателям | Сейчас: 28th February 2026 - 17:34 | |
![]() |