
![]() |
![]() |
Здравствуйте, Гость ( Авторизация | Регистрация )
![]() |
![]() |
![]() ![]() ![]() |
![]() |
![]() |
| лёва |
Jul 22 2010, 19:18
Создана
#281
|
|
Старожил ![]() ![]() ![]() ![]() ![]() Группа: Забанены Сообщений: 824 Зарегистрирован: 23-October 09 Из: Черноземье Пользователь №: 12,738 Пол: мужской Репутация: 36 кг |
QUOTE(Укропыч @ Jul 18 2010, 22:33) Частоту сделал 17кило ,работаю в режиме "все металлы",тонкую рыжую цепку растянутую видит на 5см.В режиме"дискрим" рыжату совсем не видит,как я только не изголялся.По такой жаре "жирок" на пляжах прямо на глазах откладывается! Всем здрасте. УКРОПЫЧ , ты по ходу дела просто не довел резонанс до нужной кондиции, по этому в режиме "только цвет" у тебя растянутую цепку и не видит. Я уже писал об этом, и не только я, про то , что очень помогает в этом деле дополнительный кондёр через переключатель. |
![]() |
![]() |
![]() |
![]() |
| Укропыч |
Jul 23 2010, 22:31
Создана
#282
|
|
Постоянный ![]() ![]() ![]() ![]() Группа: Забанены Сообщений: 225 Зарегистрирован: 26-December 09 Из: 190rus Пользователь №: 14,071 Пол: мужской Репутация: 68 кг |
Лёва,полностью с Вами согласен-прибор настроен из рук вон,плохо.Но нет времени ,а меня даже такая работоспособность устраевает.И какой резонанс может быть,если катуху в четыре слоя за день залить.Главное что от прибора отдача уже пошла.Правда из рыжаты,только серьга весом 1.1г ,в растёгнутом виде учуял с 5-ти см,а застёгнутаю на 15см видит!Серебрушек конечно много,ну а советы и ходячка плюс шмурдяк всякий скоро за килограмм перевалят!
-------------------- куплю неисправные блоки minelab X-Terrа,любой серии
|
![]() |
![]() |
![]() |
![]() |
| сержик... |
Jul 26 2010, 18:04
Создана
#283
|
|
Новичок ![]() Группа: Забанены Сообщений: 2 Зарегистрирован: 26-July 10 Пользователь №: 20,042 Репутация: нет |
Всем привет.Поделитесь схемой терминатора-3 .Всё перекопал, так и не смог её вытащить.Заранее благодарен.
|
![]() |
![]() |
![]() |
![]() |
| vyuri |
Jul 26 2010, 18:06
Создана
#284
|
|
Старожил ![]() ![]() ![]() ![]() ![]() Группа: Посетители Сообщений: 943 Зарегистрирован: 12-November 08 Из: 61RUS Пользователь №: 6,499 Репутация: 28 кг |
QUOTE(сержик... @ Jul 26 2010, 19:04) Всем привет.Поделитесь схемой терминатора-3 .Всё перекопал, так и не смог её вытащить.Заранее благодарен. С первой стр. читай там всё есть. -------------------- Алюминий придумали враги.
|
![]() |
![]() |
![]() |
![]() |
| сержик... |
Jul 26 2010, 18:25
Создана
#285
|
|
Новичок ![]() Группа: Забанены Сообщений: 2 Зарегистрирован: 26-July 10 Пользователь №: 20,042 Репутация: нет |
Не ,не получается. не 3-го не 4-го не могу заполучить.Если не тяжело поделись инфой (3-м и 4-м)
|
![]() |
![]() |
![]() |
![]() |
| лёва |
Jul 26 2010, 18:44
Создана
#286
|
|
Старожил ![]() ![]() ![]() ![]() ![]() Группа: Забанены Сообщений: 824 Зарегистрирован: 23-October 09 Из: Черноземье Пользователь №: 12,738 Пол: мужской Репутация: 36 кг |
QUOTE(сержик... @ Jul 26 2010, 19:25) Не ,не получается. не 3-го не 4-го не могу заполучить.Если не тяжело поделись инфой (3-м и 4-м) Дак ,как же ещё делиться? Я только что проверял, всё скачивается и всё открывается. Вы наверное не правильно скачиваете. Там надо внизу страницы ввести код подтверждения на скачивание, после этого нажать кнопку "далее", потом дождаться когда появится кнопка "скачать" и нажать на неё или на ссылку для скачивания. И всё скачивается. Ещё раз говорю, я только что проверил, всё в норме!!! |
![]() |
![]() |
![]() |
![]() |
| Ярцевчанин |
Jul 26 2010, 19:37
Создана
#287
|
|
Профи ![]() ![]() ![]() ![]() ![]() ![]() Группа: Посетители Сообщений: 1,403 Зарегистрирован: 22-December 09 Из: Духовского уезда Пользователь №: 13,991 Металлоискатель: x-terra 505 Пол: мужской Репутация: 330 кг |
: Попробовал скачать-там есть текст,вот такого типа "На данный момент иностранный трафик у этого файла превышает российский. Вы можете получить этот файл, только если посетите сайт наших рекламодателей, помогающих оплачивать наши сервера и каналы. Нажмите сюда, чтобы перейти к выбору рекламодателей. ".Зайдите,выберите рекламщика и качайте на здоровье!
Сообщение отредактировано spirsing: Jul 26 2010, 19:53 -------------------- Per aspera ad astra
|
![]() |
![]() |
![]() |
![]() |
| лёва |
Jul 26 2010, 21:17
Создана
#288
|
|
Старожил ![]() ![]() ![]() ![]() ![]() Группа: Забанены Сообщений: 824 Зарегистрирован: 23-October 09 Из: Черноземье Пользователь №: 12,738 Пол: мужской Репутация: 36 кг |
Странно. А у меня этот текст не высвечивается
|
![]() |
![]() |
![]() |
![]() |
| alexiq |
Jul 27 2010, 08:54
Создана
#289
|
|
Новичок ![]() Группа: Забанены Сообщений: 5 Зарегистрирован: 27-July 10 Пользователь №: 20,053 Репутация: 1 кг |
|
![]() |
![]() |
![]() |
![]() |
| Piratino |
Jul 27 2010, 09:54
Создана
#290
|
|
Постоянный ![]() ![]() ![]() ![]() Группа: Забанены Сообщений: 421 Зарегистрирован: 27-June 10 Из: Липецкая область Пользователь №: 19,286 Пол: мужской Репутация: 30 кг |
QUOTE(лёва @ Jul 26 2010, 22:18) Странно. А у меня этот текст не высвечивается После захода на рекламу все качается нормально. -------------------- Движение - Жизнь !
|
![]() |
![]() |
![]() |
![]() |
| Ярцевчанин |
Jul 27 2010, 09:56
Создана
#291
|
|
Профи ![]() ![]() ![]() ![]() ![]() ![]() Группа: Посетители Сообщений: 1,403 Зарегистрирован: 22-December 09 Из: Духовского уезда Пользователь №: 13,991 Металлоискатель: x-terra 505 Пол: мужской Репутация: 330 кг |
QUOTE(alexiq @ Jul 27 2010, 09:55) Добрый день всем. Вот заинтересовался терминатором. Перерыл все но печатку под полный SMD монтаж не нашел! видел на kt315.lox.ru фотку т3 от dmitri. Если у кого есть для лазерного утюжения картинка печатки поделитесь пожалуйста. Заранее благодарен. Добрый день!Тут вы эту печатку врядли найдете..Напишите dmitri в л/с.Думаю не откажет!? -------------------- Per aspera ad astra
|
![]() |
![]() |
![]() |
![]() |
| SKAUT |
Aug 5 2010, 16:12
Создана
#292
|
|
Бывалый ![]() ![]() ![]() Группа: Забанены Сообщений: 191 Зарегистрирован: 17-June 10 Пользователь №: 19,042 Репутация: 47 кг |
Добрый всем день.
Если кто делал беспроводные наушники для терминатора, поделитесь схемой. Спасибо. |
![]() |
![]() |
![]() |
![]() |
| SerjNSK |
Aug 6 2010, 11:56
Создана
#293
|
|
Новичок ![]() Группа: Забанены Сообщений: 2 Зарегистрирован: 26-July 10 Пользователь №: 20,026 Репутация: нет |
Подскажите, HEF4069UBT в корпусе SO14 подойдет для Т3? Или топология у уже другая будет у кристалла?
|
![]() |
![]() |
![]() |
![]() |
| Andrey K |
Aug 9 2010, 21:21
Создана
#294
|
|
Пользователь ![]() ![]() Группа: Забанены Сообщений: 22 Зарегистрирован: 8-December 09 Пользователь №: 13,675 Металлоискатель: Pi-w Репутация: нет |
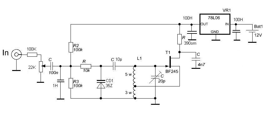
QUOTE(SKAUT @ Aug 5 2010, 17:13) Добрый всем день. Если кто делал беспроводные наушники для терминатора, поделитесь схемой. Спасибо. http://radiokot.ru/circuit/analog/receiv_transmit/08/ схему повторил, работает, пока ещё к Тройке не "прикрутил"(нет времени), пологаю что всё получиться.Трансмиттер будет работать и без кварца, но будет моно. Вложенные эскизы изображений |
![]() |
![]() |
![]() |
![]() |
| GSL |
Aug 10 2010, 10:39
Создана
#295
|
|
Старожил ![]() ![]() ![]() ![]() ![]() Группа: Забанены Сообщений: 611 Зарегистрирован: 4-May 08 Пользователь №: 4,493 Пол: мужской Репутация: 39 кг |
QUOTE(SKAUT @ Aug 5 2010, 17:13) Добрый всем день. Если кто делал беспроводные наушники для терминатора, поделитесь схемой. Спасибо. На мд4ю весной делали "дэус" _мд4.ru/forum/viewtopic.php?f=25&t=3461&start=50. В ветке Тэзоро. Работает в радиусе 6м без антены на приемник или телефон. Девиация хорошая, частота не плывет. Сообщение отредактировано GSL: Aug 10 2010, 10:46 Вложенные эскизы изображений |
![]() |
![]() |
![]() |
![]() |
| Ярцевчанин |
Aug 20 2010, 14:06
Создана
#296
|
|
Профи ![]() ![]() ![]() ![]() ![]() ![]() Группа: Посетители Сообщений: 1,403 Зарегистрирован: 22-December 09 Из: Духовского уезда Пользователь №: 13,991 Металлоискатель: x-terra 505 Пол: мужской Репутация: 330 кг |
Идея оооочень интересная и стоящая!Тоже загорелся.
P.S.Спасибо за идею! -------------------- Per aspera ad astra
|
![]() |
![]() |
![]() |
![]() |
| Басмач |
Aug 20 2010, 22:50
Создана
#297
|
|
Профи ![]() ![]() ![]() ![]() ![]() ![]() Группа: VIP Сообщений: 9,080 Зарегистрирован: 15-January 09 Пользователь №: 7,431 Пол: мужской Номер карты: 4276 .... .... 3690 Репутация: 731 кг |
А кто нибудь делает самоделки на заказ?\типа Теджона\
Можно в личку. Сообщение отредактировано Басмач: Aug 20 2010, 22:52 |
![]() |
![]() |
![]() |
![]() |
| лёва |
Aug 21 2010, 00:03
Создана
#298
|
|
Старожил ![]() ![]() ![]() ![]() ![]() Группа: Забанены Сообщений: 824 Зарегистрирован: 23-October 09 Из: Черноземье Пользователь №: 12,738 Пол: мужской Репутация: 36 кг |
Теджона никто, так как нет схемы. А если хотите что то из других моделей Тезор, то на мд4у можно обратиться в личку к ФОМЕ в разделе по Тезорам. Думаю он не откажет.
Сообщение отредактировано лёва: Aug 21 2010, 00:04 |
![]() |
![]() |
![]() |
![]() |
| Басмач |
Aug 21 2010, 07:27
Создана
#299
|
|
Профи ![]() ![]() ![]() ![]() ![]() ![]() Группа: VIP Сообщений: 9,080 Зарегистрирован: 15-January 09 Пользователь №: 7,431 Пол: мужской Номер карты: 4276 .... .... 3690 Репутация: 731 кг |
Спасибо.
|
![]() |
![]() |
![]() |
![]() |
| SKAUT |
Aug 31 2010, 15:45
Создана
#300
|
|
Бывалый ![]() ![]() ![]() Группа: Забанены Сообщений: 191 Зарегистрирован: 17-June 10 Пользователь №: 19,042 Репутация: 47 кг |
Доброго всем время суток. Собрал прибор Т-3 но немогу настроить. Неотстраивается ни от феррита, ни от железа пятак СССр берет см на 10, ну и железо также. С чего начать настройку, и как понять что катушки в резонансе?
|
![]() |
![]() |
![]() ![]() ![]() |
| Упрощенная Версия · Рекламодателям | Сейчас: 21st December 2025 - 14:14 | |
![]() |