
![]() |
![]() |
Здравствуйте, Гость ( Авторизация | Регистрация )
![]() |
![]() |
![]() ![]() ![]() |
![]() |
![]() |
| Куботазавр |
Jan 13 2017, 11:19
Создана
#2921
|
|
Профи ![]() ![]() ![]() ![]() ![]() ![]() Группа: Забанены Сообщений: 1,239 Зарегистрирован: 24-August 16 Пользователь №: 2,353,229 Пол: мужской Репутация: 13 кг |
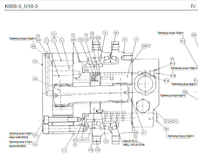
QUOTE(Miwka @ Jan 12 2017, 21:30) Трансмиссионка в бортовых Это если бортовые с планетарным редуктором.Вот разрез бортовой с Кубот К008-3 и U10, вполне себе безредукторный героллерный привод. Отличить внешне легко - на торцевой крышке нет сливных-заливных пробок, гидромотор смазывает сам себя гидравлическим маслом. Вложенные эскизы изображений |
![]() |
![]() |
![]() |
![]() |
| абонент |
Jan 13 2017, 11:41
Создана
#2922
|
|
Профи ![]() ![]() ![]() ![]() ![]() ![]() Группа: VIP Сообщений: 4,480 Зарегистрирован: 25-February 10 Из: Ленинградская обл. Пользователь №: 15,666 ![]() Пол: мужской Репутация: 491 кг |
QUOTE(gleb wh @ Jan 13 2017, 11:07) А гуски не раздвижные у него? Я так понял до 1 метра копать более менее комфортно. Гусеницы не раздвижные. При повороте башни техника неустойчивая, копать сбоку нереально, да и если ковш полный или камень большой в ковше то призадумываешься делать лишний раз поворот башни. Ещё очень не удобно, что между гусеницами расстояние меньше, чем вырытая траншея, заново уже не подъехать, а это надо постоянно. |
![]() |
![]() |
![]() |
![]() |
| gleb wh |
Jan 13 2017, 13:53
Создана
#2923
|
|
Постоянный ![]() ![]() ![]() ![]() Группа: Посетители Сообщений: 240 Зарегистрирован: 19-December 13 Пользователь №: 62,743 Пол: мужской Репутация: 35 кг |
QUOTE(абонент @ Jan 13 2017, 11:41) Гусеницы не раздвижные. При повороте башни техника неустойчивая, копать сбоку нереально, да и если ковш полный или камень большой в ковше то призадумываешься делать лишний раз поворот башни. Ещё очень не удобно, что между гусеницами расстояние меньше, чем вырытая траншея, заново уже не подъехать, а это надо постоянно. Понял, благодарю за доходчивый ответ. |
![]() |
![]() |
![]() |
![]() |
| абонент |
Jan 13 2017, 14:23
Создана
#2924
|
|
Профи ![]() ![]() ![]() ![]() ![]() ![]() Группа: VIP Сообщений: 4,480 Зарегистрирован: 25-February 10 Из: Ленинградская обл. Пользователь №: 15,666 ![]() Пол: мужской Репутация: 491 кг |
Ни у кого не завалялся токарный станочек для дома на 220в ?
|
![]() |
![]() |
![]() |
![]() |
| takt |
Jan 13 2017, 15:38
Создана
#2925
|
|
Старожил ![]() ![]() ![]() ![]() ![]() Группа: Посетители Сообщений: 680 Зарегистрирован: 22-July 16 Пользователь №: 2,352,388 Пол: мужской Репутация: 74 кг |
у вас на авито разве нет, не то что в нашей дыре, но я себе умудрился притащить, уже третий по счету)
|
![]() |
![]() |
![]() |
![]() |
| Куботазавр |
Jan 13 2017, 21:07
Создана
#2926
|
|
Профи ![]() ![]() ![]() ![]() ![]() ![]() Группа: Забанены Сообщений: 1,239 Зарегистрирован: 24-August 16 Пользователь №: 2,353,229 Пол: мужской Репутация: 13 кг |
|
![]() |
![]() |
![]() |
![]() |
| Куботазавр |
Jan 13 2017, 21:34
Создана
#2927
|
|
Профи ![]() ![]() ![]() ![]() ![]() ![]() Группа: Забанены Сообщений: 1,239 Зарегистрирован: 24-August 16 Пользователь №: 2,353,229 Пол: мужской Репутация: 13 кг |
|
![]() |
![]() |
![]() |
![]() |
| Miwka |
Jan 13 2017, 22:59
Создана
#2928
|
|
Профи ![]() ![]() ![]() ![]() ![]() ![]() Группа: VIP Сообщений: 4,951 Зарегистрирован: 11-April 12 Пользователь №: 41,977 Пол: мужской Репутация: 454 кг |
QUOTE(Куботазавр @ Jan 13 2017, 11:19) Это если бортовые с планетарным редуктором. Вот разрез бортовой с Кубот К008-3 и U10, вполне себе безредукторный героллерный привод. Отличить внешне легко - на торцевой крышке нет сливных-заливных пробок, гидромотор смазывает сам себя гидравлическим маслом. Ну если сами все знаете,для чего ума пытаете? -------------------- Не будите спящего медведя...
|
![]() |
![]() |
![]() |
![]() |
| Куботазавр |
Jan 14 2017, 09:05
Создана
#2929
|
|
Профи ![]() ![]() ![]() ![]() ![]() ![]() Группа: Забанены Сообщений: 1,239 Зарегистрирован: 24-August 16 Пользователь №: 2,353,229 Пол: мужской Репутация: 13 кг |
QUOTE(Miwka @ Jan 13 2017, 22:59) Ну если сами все знаете,для чего ума пытаете? Ну дык хто-то интересовался, а я тут мимо проходил,бгг... |
![]() |
![]() |
![]() |
![]() |
| Куботазавр |
Jan 14 2017, 10:45
Создана
#2930
|
|
Профи ![]() ![]() ![]() ![]() ![]() ![]() Группа: Забанены Сообщений: 1,239 Зарегистрирован: 24-August 16 Пользователь №: 2,353,229 Пол: мужской Репутация: 13 кг |
|
![]() |
![]() |
![]() |
![]() |
| абонент |
Jan 14 2017, 11:31
Создана
#2931
|
|
Профи ![]() ![]() ![]() ![]() ![]() ![]() Группа: VIP Сообщений: 4,480 Зарегистрирован: 25-February 10 Из: Ленинградская обл. Пользователь №: 15,666 ![]() Пол: мужской Репутация: 491 кг |
Не слыхал о таком, двигло Янмар, а производителя не знаю. Европеец? В итоге больше или меньше 2 млн. получится?
|
![]() |
![]() |
![]() |
![]() |
| Куботазавр |
Jan 14 2017, 12:40
Создана
#2932
|
|
Профи ![]() ![]() ![]() ![]() ![]() ![]() Группа: Забанены Сообщений: 1,239 Зарегистрирован: 24-August 16 Пользователь №: 2,353,229 Пол: мужской Репутация: 13 кг |
|
![]() |
![]() |
![]() |
![]() |
| gleb wh |
Jan 14 2017, 14:10
Создана
#2933
|
|
Постоянный ![]() ![]() ![]() ![]() Группа: Посетители Сообщений: 240 Зарегистрирован: 19-December 13 Пользователь №: 62,743 Пол: мужской Репутация: 35 кг |
Да, интересна стоимость свежачка и доки. Можно в личку. С Уважением.
|
![]() |
![]() |
![]() |
![]() |
| Куботазавр |
Jan 14 2017, 16:49
Создана
#2934
|
|
Профи ![]() ![]() ![]() ![]() ![]() ![]() Группа: Забанены Сообщений: 1,239 Зарегистрирован: 24-August 16 Пользователь №: 2,353,229 Пол: мужской Репутация: 13 кг |
QUOTE(gleb wh @ Jan 14 2017, 14:10) Да, интересна стоимость свежачка и доки. Можно в личку. С Уважением. Какая именно модель интересует? Стоимость и сроки поставки по конкретному запросу на завод.Довелось поработать на таких, вполне приличная техника, функция VDS часто облегчает работу на склонах. ![]() ![]() ![]() ![]() ![]() ![]() ![]() ![]() ![]() ![]() ![]() ![]() ![]() ![]() ![]() ![]() ![]() Сообщение отредактировано Куботазавр: Jan 14 2017, 17:44 |
![]() |
![]() |
![]() |
![]() |
| Miwka |
Jan 14 2017, 17:42
Создана
#2935
|
|
Профи ![]() ![]() ![]() ![]() ![]() ![]() Группа: VIP Сообщений: 4,951 Зарегистрирован: 11-April 12 Пользователь №: 41,977 Пол: мужской Репутация: 454 кг |
QUOTE(Куботазавр @ Jan 14 2017, 16:49) Какая именно модель интересует? Стоимость и сроки поставки по конкретному запросу на завод. Довелось поработать на таких, вполне приличная техника, функция VDS часто облегчает работу на склонах. ![]() ![]() ![]() ![]() ![]() ![]() ![]() ![]() ![]() ![]() ![]() ![]() ![]() ![]() ![]() VSD Как правило опусташает карман,все новое мля дорого!Хотя и круто! Сообщение отредактировано Miwka: Jan 14 2017, 17:54 -------------------- Не будите спящего медведя...
|
![]() |
![]() |
![]() |
![]() |
| Куботазавр |
Jan 14 2017, 18:01
Создана
#2936
|
|
Профи ![]() ![]() ![]() ![]() ![]() ![]() Группа: Забанены Сообщений: 1,239 Зарегистрирован: 24-August 16 Пользователь №: 2,353,229 Пол: мужской Репутация: 13 кг |
Ну карманы случаются разные, дело в количестве денех, а совсем не в VDS. Можно по предзаказу и без VDS модель привезти. Ваккер эту систему позиционирует как свою "мульку" в стандартной комплектации, хотя на мой взгляд "с одной стороны, с другой стороны...", VDS клонит башню ТОЛЬКО на один борт, работать действительно комфортно - шея не устаёт и с кресла вбок не сползаешь... На динозавре своём кранами выдвижных опор себя горизонтировал при работе на уклонах, бывало...
Сообщение отредактировано Куботазавр: Jan 14 2017, 18:08 |
![]() |
![]() |
![]() |
![]() |
| Miwka |
Jan 14 2017, 18:06
Создана
#2937
|
|
Профи ![]() ![]() ![]() ![]() ![]() ![]() Группа: VIP Сообщений: 4,951 Зарегистрирован: 11-April 12 Пользователь №: 41,977 Пол: мужской Репутация: 454 кг |
Андрей,по твоему вопросу
http://www.picshare.ru/view/7854094 http://www.picshare.ru/view/7854096/ http://www.picshare.ru/view/7854097/ http://www.picshare.ru/delete/7854099/2UwRzOYBII/ -------------------- Не будите спящего медведя...
|
![]() |
![]() |
![]() |
![]() |
| Miwka |
Jan 14 2017, 18:10
Создана
#2938
|
|
Профи ![]() ![]() ![]() ![]() ![]() ![]() Группа: VIP Сообщений: 4,951 Зарегистрирован: 11-April 12 Пользователь №: 41,977 Пол: мужской Репутация: 454 кг |
QUOTE(Куботазавр @ Jan 14 2017, 18:01) Ну карманы случаются разные, дело в количестве денех, а совсем не в VSD. Можно по предзаказу и без VSD модель привезти. Ваккер эту систему позиционирует как свою "мульку", хотя на мой взгляд "с одной стороны, с другой стороны...", VSD клонит башню ТОЛЬКО на один борт, работать действительно комфортно - шея не устаёт и с кресла вбок не сползаешь... Дело не в шее и боках,бесспорно с наклоном в 100раз лучше копать,особенно на участке без планировки,весь вопрос в ЦЕНЕ!Дофуя и больше даже за бу,так???? -------------------- Не будите спящего медведя...
|
![]() |
![]() |
![]() |
![]() |
| Miwka |
Jan 14 2017, 18:12
Создана
#2939
|
|
Профи ![]() ![]() ![]() ![]() ![]() ![]() Группа: VIP Сообщений: 4,951 Зарегистрирован: 11-April 12 Пользователь №: 41,977 Пол: мужской Репутация: 454 кг |
QUOTE(Miwka @ Jan 14 2017, 18:10) Дело не в шее и боках,бесспорно с наклоном в 100раз лучше копать,особенно на участке без планировки,весь вопрос в ЦЕНЕ!Дофуя и больше даже за бу,так???? пс Вы ведь представитель диллера,поразите нас ценником! -------------------- Не будите спящего медведя...
|
![]() |
![]() |
![]() |
![]() |
| Куботазавр |
Jan 14 2017, 18:21
Создана
#2940
|
|
Профи ![]() ![]() ![]() ![]() ![]() ![]() Группа: Забанены Сообщений: 1,239 Зарегистрирован: 24-August 16 Пользователь №: 2,353,229 Пол: мужской Репутация: 13 кг |
QUOTE(Miwka @ Jan 14 2017, 18:10) Дело не в шее и боках,бесспорно с наклоном в 100раз лучше копать,особенно на участке без планировки,весь вопрос в ЦЕНЕ!Дофуя и больше даже за бу,так???? Кстати малыш 803 производится без VDS, про б/у не знаю, цена на новьё - по конкретному запросу, прайсы завода корректируются. Цены в понедельник сообщат, запросил... Сообщение отредактировано Куботазавр: Jan 14 2017, 18:46 |
![]() |
![]() |
![]() ![]() ![]() |
| Упрощенная Версия · Рекламодателям | Сейчас: 20th February 2026 - 05:26 | |
![]() |