
![]() |
![]() |
Здравствуйте, Гость ( Авторизация | Регистрация )
![]() |
![]() |
![]() ![]() ![]() |
![]() |
![]() |
| Дурман |
Apr 30 2012, 19:56
Создана
#181
|
|
Профи ![]() ![]() ![]() ![]() ![]() ![]() Группа: VIP Сообщений: 7,103 Зарегистрирован: 8-December 10 Пользователь №: 23,995 Интересы: . Пол: мужской Репутация: 768 кг |
У меня 2 датчика. НЭЛ и Гаррет 9х12. Минерализация одинакова - около 80.
-------------------- Аннушка уже разлила масло (с)
|
![]() |
![]() |
![]() |
![]() |
| Кожухово |
May 8 2012, 14:47
Создана
#182
|
|
Новичок ![]() Группа: Забанены Сообщений: 5 Зарегистрирован: 18-January 12 Пользователь №: 38,504 Металлоискатель: NoYet Репутация: 3 кг |
ВОПРОС: Есть ли в России сервис центр по обслуживанию Кощея, куда можно подъехать для перепрошивки, модернизации, ремонта и т.п.? Или общение возможно только через почту?
------------------------------------ Пока только через почту. ЦИТАТА: я сомневаюсь, что хоть один, существующий на данный момент МД, сможет реально выделить монету, лежащую на сковородке в реальных условиях. ------------------------------------ Не нужно сомневаться. Для принципа работы, который сейчас используется во всех МД, - это невозможно. ЦИТАТА: В том и прелесть цифровых приборов, что идет обработка сигнала по заранее заданным параметрам. ------------------------------------ В духе словоблудного жанра стоило бы добавить - "...для его дальнейшего углубления, расширения и дальнейшего совершенствования":-) Набор слов... ЦИТАТА: бренд NNN умеет выделять не только по проводимости, но по индуктивности, связанной с толщиной предмета... 95%, интересующих нас предметов, плоские... спорить и вдаваться с тех. подробности не буду. ------------------------------------ Формально стоило бы попросить уважаемого участника покинуть ветку, так как его пост никаким боком не относится ни к Кощею, ни к Настройке, но пройти мимо такого перла я просто не могу:-) Остальные бренды просто таки нервно курят в коридоре...:-) Так как работают только с вольтами и байтами. И сильно не догадываются, что, манипулируя четырьмя арифметическими действиями и арктангенсом, - они тоже что-то вычисляют, что можно назвать каким-нибудь неведомым обывателю словосочетанием. Благо - словосочетаний в физике и электротехнике - пруд-пруди, а уровень обывателя - все ближе к плинтусу:-( Тут недалеко и до HiEnd МД на лампах. Маркетинг, итить его за ногу, не споря и не вдаваясь... |
![]() |
![]() |
![]() |
![]() |
| ezz |
May 8 2012, 20:07
Создана
#183
|
|
Профи ![]() ![]() ![]() ![]() ![]() ![]() Группа: VIP Сообщений: 1,995 Зарегистрирован: 18-May 09 Из: Питер Пользователь №: 9,907 Репутация: 479 кг |
Получил недавно от радиомастера свой Кощей 20 с обновлёнными прошивками, настроенный на катушки 6,5x9" PROformance Garrett ACE и на Garrett Ace 250 8.5"x 11" DD
установлен тумблер переключения на низкие и высокие частоты, маленькая 6,13 и 11,69 кГц; большая - 6,17 и 11,9 кГц. Понравилась работа во втором режиме дискриминации в "аналоговой" озвучке - сигнал достаточно короткий, что позволяет четче локализовать цель, а шкалы высвечиваются достаточное время, чтоб разглядеть весь спектр сигнала. Сегодня ездил с Кощеем и большой катушкой и с Теркой 70 тестировал и сравнивал. Результаты - Кощей берёт 5 коп 1961г образца на примерно 5 см. глубже, но проблема в том, что тёрка и на 26 см. выдаёт сигнал свойственный этой монете, а вот Кощей уже после 22 см. начинает большой разброс ВДИ и звука, вплоть до черных секторов. Помня прекрасное определение ржавых пивных пробок Кощеем с катушкой 6,5x9", взял с собой её проверить и с большой катушкой - вся прелесть испарилась, что пробка, что 5 коп. - уже не отличить когда глубже 22 см. ВДИ и звук скачет примерно одинаково на обе цели. Короче - в поиске прибавку глубины не реализовать. Что делать? Если есть вариант исправить ситуацию, так чтоб монету типа 5 коп. показывал монетой, как раньше с маленькой катушкой - практически на всю глубину чувствительности в 1-2, редко в 3х секторах - пожалуйста посоветуйте ( желательно пошагово, т.к. с электроникой плохо разбираюсь). Дописываю через несколько часов, дома пробовал маленькую катушку - тоже получилось так, что на железо нет сильного метания курсора, как прежде. Какие есть тонкости в настройках? И какую глубину по воздуху можно реализовать с 8.5"x 11" DD? Перечитывая кощеевские темы видел цифры в 36 и в 40 см. - завидно! Сообщение отредактировано ezz: May 8 2012, 21:46 |
![]() |
![]() |
![]() |
![]() |
| djelektrik |
May 9 2012, 20:31
Создана
#184
|
|
Пользователь ![]() ![]() Группа: Забанены Сообщений: 30 Зарегистрирован: 3-July 10 Из: Мариуполь Пользователь №: 19,472 Пол: мужской Репутация: 3 кг |
Я с кощем-20 использовал датчики: дд-20,дд-32,кольцо-19,кольцо-24. Все самодельные ,на всех дальность на пятак СССР (по воздуху)- не менее или около 35см ,в селективном режиме при пороге чувства-6.
Катушки Гаррета не оптимальны по индуктивности для кощея-20 (2,5мГнр против 5,5мГнр) ,соответственно мала напряжённость поля ,и будет ниже параметр по воздуху. В этой статье http://www.metdet.ru/Sensor_G.htm посвящённой подключению катушек от Гаррета указано, что амплитуда для этих катушек в режиме калибровки тракта должна быть -37. Если накрутить больше ,то начинается искажение синусоиды. Возможно ещё и в этом (перекручена амплитуда) причина некорректной идентификации? |
![]() |
![]() |
![]() |
![]() |
| Дурман |
May 9 2012, 20:42
Создана
#185
|
|
Профи ![]() ![]() ![]() ![]() ![]() ![]() Группа: VIP Сообщений: 7,103 Зарегистрирован: 8-December 10 Пользователь №: 23,995 Интересы: . Пол: мужской Репутация: 768 кг |
У меня этих заморочек нет. Всё чётко. Глубина обнаружения мишени впечатляет. Но! Уже дважны ломалась рукоятка. Теперь поставил старого образца ещё в резиновой оболочке которая. Ручка новая весьма и весьма хлипкая. Пльзую НЭЛ 12"
-------------------- Аннушка уже разлила масло (с)
|
![]() |
![]() |
![]() |
![]() |
| djelektrik |
May 9 2012, 21:02
Создана
#186
|
|
Пользователь ![]() ![]() Группа: Забанены Сообщений: 30 Зарегистрирован: 3-July 10 Из: Мариуполь Пользователь №: 19,472 Пол: мужской Репутация: 3 кг |
Для тех ,кто не умеет производить калибровку датчиков , тем полезно научиться вот видео http://video.yandex.ua/users/djelektrik/view/11/# в помощь.
|
![]() |
![]() |
![]() |
![]() |
| ezz |
May 9 2012, 21:25
Создана
#187
|
|
Профи ![]() ![]() ![]() ![]() ![]() ![]() Группа: VIP Сообщений: 1,995 Зарегистрирован: 18-May 09 Из: Питер Пользователь №: 9,907 Репутация: 479 кг |
djelektrik, спасибо за видео! Не скажу, что всё понятно, когда смотрел, но ... буду пробовать.
Всё равно уж хуже не будет, чем сейчас, когда не отличить монету от железа. |
![]() |
![]() |
![]() |
![]() |
| ezz |
May 10 2012, 09:07
Создана
#188
|
|
Профи ![]() ![]() ![]() ![]() ![]() ![]() Группа: VIP Сообщений: 1,995 Зарегистрирован: 18-May 09 Из: Питер Пользователь №: 9,907 Репутация: 479 кг |
Таблица . Параметры профилей
1 2 3 4 Датчик Garrett ACE PROformance (концентрик) Garrett ACE PROformance DD Положение тумблера вниз вверх вниз вверх Рабочая частота 6,11 кГц 11,69 кГц 6,17 кГц 11,90 кГц Ток выходного каскада 118 102 115 105 мА Амплитуда сигнала возбуждения 37 55 37 55 Фаза RX 223,6 179,6 207,0 126,9 Амплитуда сигнала электронной компенсации 2 6 3 20 Фаза сигнала электронной компенсации 273,2 78,3 38,3 337,7 |
![]() |
![]() |
![]() |
![]() |
| kreaa |
Jun 11 2012, 18:35
Создана
#189
|
|
Бывалый ![]() ![]() ![]() Группа: Забанены Сообщений: 189 Зарегистрирован: 4-November 11 Из: Украина Пользователь №: 35,646 Репутация: 5 кг |
Вчера произошел довольно таки показательный случай на пляжном копе. В течении месяца одна настырная група в количестве четырех человек шерстила озерный пляж с приборами эскалибур от минелаб. Под впечатлением от многодневного упорства копателей (четре человека цепью каждый день сантиметр за сантиметром роют) как то не решался после них искать по тем двести метрам прибрежной полосы. Вчера решил все же попробовать, установил катушку dd 9,5х5,5 и частоту 11,3кГц залез в воду. И как говорят понеслась - начал доставать советские единички с запредельной глубины, все что крупнее достали меченосцы, затем достал три звена от браслета (постоянно вылетали через 9мм дырки скуба), затем пошли куски тонкой серебряной цепочки, достав несколько и запеленгировав очередной цветной сигнал ко мне подошел напарник с вайтсом М6, мол дай своим посмотрю, махнул, а у его чернину показывает через раз... (прибор работает на 14кГц с катушкой кольцо) Говорит шмурдяк, у меня же в цвете 10-12сектор - копнул а там голдовая сережка.
Далее были другие мелкие полезные находки:-) Вот вам и мечи с вайтсами. Спасибо что почистили для меня пляж:-) Вот вчерашние находки с катушкой Nel Sharpshooter 9.5x5.5" (Снайпер) для Кощей-20М: Сообщение отредактировано kreaa: Jun 11 2012, 18:39 Вложенные эскизы изображений |
![]() |
![]() |
![]() |
![]() |
| ezz |
Jun 11 2012, 19:46
Создана
#190
|
|
Профи ![]() ![]() ![]() ![]() ![]() ![]() Группа: VIP Сообщений: 1,995 Зарегистрирован: 18-May 09 Из: Питер Пользователь №: 9,907 Репутация: 479 кг |
Для одного выхода - отлично! Хотя и от пляжа много зависит, конечно.
|
![]() |
![]() |
![]() |
![]() |
| farhet |
Jul 16 2012, 18:15
Создана
#191
|
|
Постоянный ![]() ![]() ![]() ![]() Группа: Забанены Сообщений: 260 Зарегистрирован: 16-July 12 Пользователь №: 45,271 Металлоискатель: Whites Spectra V3i Репутация: 13 кг |
Снял маленький тест работы прибора
http://video.yandex.ua/users/farhet2/view/4/ Сообщение отредактировано farhet: Jul 16 2012, 18:26 -------------------- Спасибо всем. Встретимся на других ресурсах.
|
![]() |
![]() |
![]() |
![]() |
| DrShaggy |
Aug 9 2012, 21:24
Создана
#192
|
|
Новичок ![]() Группа: Забанены Сообщений: 1 Зарегистрирован: 8-December 09 Пользователь №: 13,660 Металлоискатель: Whites Spectrum XLT Репутация: нет |
Вставлю свои 20 коп... Прибора этого сейчас не имею - продал... Но воспоминания самые о нем хорошие... С большой катушкой которую делал сам он брал гораздо глубже XLT!!! Правда электроника была еще по видимому одной из первых версий - не на смд. и программа мне нравилась больше чем на более свежей версии аппарата. Режим калибровки датчика очень нужная штука. Однажды приехали на поле выложили приборы, лопаты.... и черт дернул товарища перегнать Ниву чуть в другое место... колесом через катушку
Мой Кощей был полностью самопальным (кроме электроники конечно) и приходилось с собой постоянно возить набор первой помощи |
![]() |
![]() |
![]() |
![]() |
| sanya-gensek |
Aug 27 2012, 23:03
Создана
#193
|
|
Новичок ![]() Группа: Забанены Сообщений: 4 Зарегистрирован: 27-August 12 Пользователь №: 46,535 Репутация: нет |
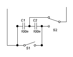
QUOTE(kreaa @ Jan 22 2012, 09:50) Если администрация не против хотелось бы создать ветку о металлоискателе Кощей 20М и тонкостях его настройки. Прибор продают в разных конструктивах, первый на фото можно сказать кустарный, второй заводской, но довольно таки устаревший, ну и на третей заводской обновленный конструктив. Здравствуйте, kreaa, прочитал на форуме Вашу статью о подпайке второго конденсатора. У меня К-20 м и катушка NEL-торнадо, прошивка 2,05. Прибором доволен. Тест воздух 40 см на 5 коп. В электронике не силён, если можно скиньте пожалуйста схему подпайки второго конденсатора чтобы получить 6,4,10 кГц так как на форуме не нашёл. Заранее благодарен. |
![]() |
![]() |
![]() |
![]() |
| Игнатий |
Sep 9 2012, 14:23
Создана
#194
|
|
Бывалый ![]() ![]() ![]() Группа: Посетители Сообщений: 112 Зарегистрирован: 13-February 11 Пользователь №: 26,354 Металлоискатель: garrett 2500 Репутация: 38 кг |
Уважаемые коллеги. Может кто подскажет по кощею 20м. Весной купил ,никак не привыкну и не пойму. Настройки заводские. Два вопроса : Не могу отличить пробку от монеты раз и второе -почему прибор не видит только что выкопанную монету в этой же ямке ,не зарытую, на меньшей глубине? На земле видит . В ямке нет. Второй прибор (сына) ГТИ2500 видит хорошо . Что ему не хватает или мне?
|
![]() |
![]() |
![]() |
![]() |
| djelektrik |
Sep 10 2012, 10:38
Создана
#195
|
|
Пользователь ![]() ![]() Группа: Забанены Сообщений: 30 Зарегистрирован: 3-July 10 Из: Мариуполь Пользователь №: 19,472 Пол: мужской Репутация: 3 кг |
|
![]() |
![]() |
![]() |
![]() |
| djelektrik |
Sep 10 2012, 10:43
Создана
#196
|
|
Пользователь ![]() ![]() Группа: Забанены Сообщений: 30 Зарегистрирован: 3-July 10 Из: Мариуполь Пользователь №: 19,472 Пол: мужской Репутация: 3 кг |
Игнатий
Мало информации для понимания , Итак ,какой грунт(что показывает баланс)? ,в каком секторе сигналит монета по мере опускания её на глубину? Какая катушка?. |
![]() |
![]() |
![]() |
![]() |
| Игнатий |
Sep 10 2012, 14:49
Создана
#197
|
|
Бывалый ![]() ![]() ![]() Группа: Посетители Сообщений: 112 Зарегистрирован: 13-February 11 Пользователь №: 26,354 Металлоискатель: garrett 2500 Репутация: 38 кг |
Катушка НЕЛ ,сигнал монетный 19 сектор на 2 копейки Александра 1. Впервые столкнулся с этим явлением на чернозёме. Пошёл в лес специально проверить с Кощеем и Гарретом. Грунт был песок. Кощей дерёт глубже но в открытых ямках монету не видит. Минерализацию не помню числа, но помню что было как обычно - на чернозёме много, на песке совсем мало. Боюсь я много пропускаю. Частота-6,17 . А=55 . Алгоритм-1 . Фильтр-1 . Задержка индикации-9 . Порог СР-9 . Порог НР -10 . Может что неправильно в настройках?
|
![]() |
![]() |
![]() |
![]() |
| farhet |
Sep 14 2012, 11:04
Создана
#198
|
|
Постоянный ![]() ![]() ![]() ![]() Группа: Забанены Сообщений: 260 Зарегистрирован: 16-July 12 Пользователь №: 45,271 Металлоискатель: Whites Spectra V3i Репутация: 13 кг |
К сожалению проект К20 загнулся. В приборе обнаружен глюк с вычитанием грунта и авторы на его положили... Надеюсь не навсегда.
Сообщение отредактировано farhet: Sep 14 2012, 11:08 -------------------- Спасибо всем. Встретимся на других ресурсах.
|
![]() |
![]() |
![]() |
![]() |
| Yuran-vld |
Sep 14 2012, 12:04
Создана
#199
|
|
Профи ![]() ![]() ![]() ![]() ![]() ![]() Группа: Посетители Сообщений: 1,985 Зарегистрирован: 26-September 11 Пользователь №: 34,204 Металлоискатель: Deus II WS6 b3.02 Пол: мужской Репутация: 200 кг |
QUOTE(Игнатий @ Sep 10 2012, 15:49) Катушка НЕЛ ,сигнал монетный 19 сектор на 2 копейки Александра 1. Впервые столкнулся с этим явлением на чернозёме. Пошёл в лес специально проверить с Кощеем и Гарретом. Грунт был песок. Кощей дерёт глубже но в открытых ямках монету не видит. Минерализацию не помню числа, но помню что было как обычно - на чернозёме много, на песке совсем мало. Боюсь я много пропускаю. Частота-6,17 . А=55 . Алгоритм-1 . Фильтр-1 . Задержка индикации-9 . Порог СР-9 . Порог НР -10 . Может что неправильно в настройках? Если монета на ребре то сектор ползет вниз. Я задержку держал на минимуме (быстрее отклики) и порог СР на минимум, но чтоб не было глюков, у меня обычно 3-4 Не знаю что там с грунтом, но чешуя за много лет с ним мне не попадалась, как только взял Вайтс, сразу поперло! Зато империю доставал глубоко. Сообщение отредактировано Yuran-vld: Sep 14 2012, 12:06 -------------------- 2001---->D1+EQ800+D2 WS6
|
![]() |
![]() |
![]() |
![]() |
| Игнатий |
Sep 15 2012, 19:07
Создана
#200
|
|
Бывалый ![]() ![]() ![]() Группа: Посетители Сообщений: 112 Зарегистрирован: 13-February 11 Пользователь №: 26,354 Металлоискатель: garrett 2500 Репутация: 38 кг |
Спасибо всем ответившим мне. Буду как нибудь приспосабливаться. Может со временем всё прояснится.
|
![]() |
![]() |
![]() ![]() ![]() |
| Упрощенная Версия · Рекламодателям | Сейчас: 13th February 2026 - 19:56 | |
![]() |