
![]() |
![]() |
Здравствуйте, Гость ( Авторизация | Регистрация )
![]() |
![]() |
![]() ![]() ![]() |
![]() |
![]() |
| Озорной гуляка |
Oct 7 2021, 17:40
Создана
#1
|
|
Профи ![]() ![]() ![]() ![]() ![]() ![]() Группа: Забанены Сообщений: 3,851 Зарегистрирован: 26-November 17 Пользователь №: 2,370,119 Пол: мужской Репутация: 300 кг |
Доброго вечера всем копарям, а, особенно, - знатокам потрохов Х-Терры 705.
Владею я этим прибором с 2012г, пользую его достаточно аккуратно, с разными катушками и "параллельно" с другими приборами, что позволило за эти годы не заюзать, не зашаркать, не занасиловать прибор, от чего на нём и до сих пор стоят девственные пломбы. Единственное - иногда становится тише звук, но это редко и временно... Чемодан наличествующих катушек покупался не сразу и при покупке каждой новой я неизменно тестировал и их и уже имеющиеся, сравнивал и записывал, то есть отслеживал таким образом динамики и тенденции многие годы. И даже на этом форуме (в теме поисковых катух) есть моя темка по тестам различных катушек к различным приборам. И вот в прошлом сезоне закралось мне в душу сомнение, что моя Торнадо 7,5 кГц, которой я добирал даже за бОльшими по размеру рулями вроде бы как перестала проявлять свои недюжинные способности. И тут явно место смайликам Простой тест подтвердил мои опасения - Торнадо стала "видеть" (к примеру) пятак Е2 по воздуху см на 10 меньше, чем раньше и при этом, вроде бы как стала более глючной. По этому поводу я обратился к Фоме, который отвечал, что показатели катушки и так не плохи, тем не менее, я убедил его взяться за работу. Мастер вскрыл катушку, заменил кабель и вообще заметил, что катушка и без того была в хорошем состоянии, тем более для своих лет. По возвращении её домой я провёл (домашние) тесты и, вероятно, убедил себя, что пусть не вернулись былые показатели, но, всё же, она стала видеть см на 5 дальше, чем до ремонта (хоть и на 5 меньше, чем в лучшие свои годы) Ну. а куда деваться.... И вот наступил сезон копа и оказалось, что былая дальность -глубина всё-же не вернулись. Да, теперь Торнадо теоретически должна была уже сравняться по крупной меди с Сандером 18,75. Причём Сандер при этом луше бы работал по мелочёвке. Оставалось это проверить и вооружиться лучшей в данных условиях катушкой. И тут меня ждало очередное открытие: дальность Сандера тоже "просела" А ну ка девяточку концентрик на 3 кгц ....- дальность тоже уменьшилась, вот те на.. То есть дело не в какой то катушке - своего или стороннего производителя, концентрике или ДД, и не в размере или частоте - просадка происходит по всему "фронту" и более того - она прогрессирует. Прибор словно стал внезапно стареть У кого есть какие мнения на этот счёт? (Внутренние клеммы едва ли закисли - прибор редко даже ночевал вне тёплого жилья, возможно - дело в электролитах? Или ещё в чём..) - или может быть обратиться к какому нибудь известному Вам специалисту? Заранее благодарен за ответы! |
![]() |
![]() |
![]() |
![]() |
| Бесеркерк |
Oct 7 2021, 18:15
Создана
#2
|
|
Профи ![]() ![]() ![]() ![]() ![]() ![]() Группа: VIP Сообщений: 13,749 Зарегистрирован: 14-January 11 Пользователь №: 25,068 Пол: мужской Репутация: 378 кг |
QUOTE(Озорной гуляка @ Oct 7 2021, 17:40) Доброго вечера всем копарям, а, особенно, - знатокам потрохов Х-Терры 705. Владею я этим прибором с 2012г, пользую его достаточно аккуратно, с разными катушками и "параллельно" с другими приборами, что позволило за эти годы не заюзать, не зашаркать, не занасиловать прибор, от чего на нём и до сих пор стоят девственные пломбы. Единственное - иногда становится тише звук, но это редко и временно... Чемодан наличествующих катушек покупался не сразу и при покупке каждой новой я неизменно тестировал и их и уже имеющиеся, сравнивал и записывал, то есть отслеживал таким образом динамики и тенденции многие годы. И даже на этом форуме (в теме поисковых катух) есть моя темка по тестам различных катушек к различным приборам. И вот в прошлом сезоне закралось мне в душу сомнение, что моя Торнадо 7,5 кГц, которой я добирал даже за бОльшими по размеру рулями вроде бы как перестала проявлять свои недюжинные способности. И тут явно место смайликам Простой тест подтвердил мои опасения - Торнадо стала "видеть" (к примеру) пятак Е2 по воздуху см на 10 меньше, чем раньше и при этом, вроде бы как стала более глючной. По этому поводу я обратился к Фоме, который отвечал, что показатели катушки и так не плохи, тем не менее, я убедил его взяться за работу. Мастер вскрыл катушку, заменил кабель и вообще заметил, что катушка и без того была в хорошем состоянии, тем более для своих лет. По возвращении её домой я провёл (домашние) тесты и, вероятно, убедил себя, что пусть не вернулись былые показатели, но, всё же, она стала видеть см на 5 дальше, чем до ремонта (хоть и на 5 меньше, чем в лучшие свои годы) Ну. а куда деваться.... И вот наступил сезон копа и оказалось, что былая дальность -глубина всё-же не вернулись. Да, теперь Торнадо теоретически должна была уже сравняться по крупной меди с Сандером 18,75. Причём Сандер при этом луше бы работал по мелочёвке. Оставалось это проверить и вооружиться лучшей в данных условиях катушкой. И тут меня ждало очередное открытие: дальность Сандера тоже "просела" А ну ка девяточку концентрик на 3 кгц ....- дальность тоже уменьшилась, вот те на.. То есть дело не в какой то катушке - своего или стороннего производителя, концентрике или ДД, и не в размере или частоте - просадка происходит по всему "фронту" и более того - она прогрессирует. Прибор словно стал внезапно стареть У кого есть какие мнения на этот счёт? (Внутренние клеммы едва ли закисли - прибор редко даже ночевал вне тёплого жилья, возможно - дело в электролитах? Или ещё в чём..) - или может быть обратиться к какому нибудь известному Вам специалисту? Заранее благодарен за ответы! А глючность не появилась в работе?Надеюсь все аппаратные сбросы ты делал.Так же с зажатием плюс минус и включения прибора.Если не поможет.Нюансов много.Вряд ли дело в электролитах.Может быть с кодеком проблема.Не препарируя пациента.Сложно давать советы.Все начинается с измерений. |
![]() |
![]() |
![]() |
![]() |
| Озорной гуляка |
Oct 7 2021, 18:30
Создана
#3
|
|
Профи ![]() ![]() ![]() ![]() ![]() ![]() Группа: Забанены Сообщений: 3,851 Зарегистрирован: 26-November 17 Пользователь №: 2,370,119 Пол: мужской Репутация: 300 кг |
Спасибо за ответ и участие! - конечно, сбросы делал, причём я делаю не только меняя, скажем, концентика на ДД, или аналогичные по типу, но разной частоты, но и даже при разной размерности катушек. Это уж такая привычка...
Глючности тоже не добавилось. О вероятности кодека читал, но это мне мало о чём говорит. Спецов же по МД у нас здесь, по северным чумам - не сыскать |
![]() |
![]() |
![]() |
![]() |
| Tais |
Oct 7 2021, 19:00
Создана
#4
|
|
Гарант форума ![]() ![]() ![]() ![]() ![]() ![]() Группа: Посетители Сообщений: 7,158 Зарегистрирован: 11-January 17 Из: - за Камы Пользователь №: 2,357,688 Металлоискатель: Deus 2 Пол: мужской Номер карты: 220....973 Репутация: 737 кг |
QUOTE(Озорной гуляка @ Oct 7 2021, 18:30) Спецов же по МД у нас здесь, по северным чумам - не сыскать Как не сыскать?! Один только Василий WaS чего стоит..Так к нему бы в личку и постучались - https://www.reviewdetector.ru/index.php?showuser=4159 |
![]() |
![]() |
![]() |
![]() |
| Ohotnik_mur |
Oct 7 2021, 19:48
Создана
#5
|
|
Старожил ![]() ![]() ![]() ![]() ![]() Группа: Посетители Сообщений: 837 Зарегистрирован: 10-June 14 Из: МО Железнодорожный Пользователь №: 70,132 Металлоискатель: X-Terra 705 Пол: мужской Репутация: 90 кг |
QUOTE(Озорной гуляка @ Oct 7 2021, 17:40) Доброго вечера всем копарям, а, особенно, - знатокам потрохов Х-Терры 705. Владею я этим прибором с 2012г, пользую его достаточно аккуратно, с разными катушками и "параллельно" с другими приборами, что позволило за эти годы не заюзать, не зашаркать, не занасиловать прибор, от чего на нём и до сих пор стоят девственные пломбы. Единственное - иногда становится тише звук, но это редко и временно... Чемодан наличествующих катушек покупался не сразу и при покупке каждой новой я неизменно тестировал и их и уже имеющиеся, сравнивал и записывал, то есть отслеживал таким образом динамики и тенденции многие годы. И даже на этом форуме (в теме поисковых катух) есть моя темка по тестам различных катушек к различным приборам. И вот в прошлом сезоне закралось мне в душу сомнение, что моя Торнадо 7,5 кГц, которой я добирал даже за бОльшими по размеру рулями вроде бы как перестала проявлять свои недюжинные способности. И тут явно место смайликам Простой тест подтвердил мои опасения - Торнадо стала "видеть" (к примеру) пятак Е2 по воздуху см на 10 меньше, чем раньше и при этом, вроде бы как стала более глючной. По этому поводу я обратился к Фоме, который отвечал, что показатели катушки и так не плохи, тем не менее, я убедил его взяться за работу. Мастер вскрыл катушку, заменил кабель и вообще заметил, что катушка и без того была в хорошем состоянии, тем более для своих лет. По возвращении её домой я провёл (домашние) тесты и, вероятно, убедил себя, что пусть не вернулись былые показатели, но, всё же, она стала видеть см на 5 дальше, чем до ремонта (хоть и на 5 меньше, чем в лучшие свои годы) Ну. а куда деваться.... И вот наступил сезон копа и оказалось, что былая дальность -глубина всё-же не вернулись. Да, теперь Торнадо теоретически должна была уже сравняться по крупной меди с Сандером 18,75. Причём Сандер при этом луше бы работал по мелочёвке. Оставалось это проверить и вооружиться лучшей в данных условиях катушкой. И тут меня ждало очередное открытие: дальность Сандера тоже "просела" А ну ка девяточку концентрик на 3 кгц ....- дальность тоже уменьшилась, вот те на.. То есть дело не в какой то катушке - своего или стороннего производителя, концентрике или ДД, и не в размере или частоте - просадка происходит по всему "фронту" и более того - она прогрессирует. Прибор словно стал внезапно стареть У кого есть какие мнения на этот счёт? (Внутренние клеммы едва ли закисли - прибор редко даже ночевал вне тёплого жилья, возможно - дело в электролитах? Или ещё в чём..) - или может быть обратиться к какому нибудь известному Вам специалисту? Заранее благодарен за ответы! Приветствую! В моей практике, инженера радиотехника, было что не только электролитические конденсаторы были виновником неисправностей и/или плохой работы. Не электролитические конденсаторы тоже иногда давали сбой в работе оборудования. Так что смотреть нужно все конденсаторы. Было такое, что и резисторы тоже влияли на работу. Так-же стоит посмотреть работу кварцевых резонаторов. Кварцевые резонаторы со временем теряют свою активность генерировать частоту. И после этого годятся разве что только для фильтров, а не для генераторов частоты. Иногда бывало что и для фильтров уже не годятся. Только в мусорное ведро. Так-же нужно проверить работу стабилизатора напряжения 3,3 вольта, получающего энергию от батареек. Возможно, что стабилизатор не даёт нужного напряжения. Вот что нужно сделать для диагностики неисправности. -------------------- Мои МД и пин: X-Terra 705, Garrett ATX, Сфинкс 02
|
![]() |
![]() |
![]() |
![]() |
| Бесеркерк |
Oct 7 2021, 20:03
Создана
#6
|
|
Профи ![]() ![]() ![]() ![]() ![]() ![]() Группа: VIP Сообщений: 13,749 Зарегистрирован: 14-January 11 Пользователь №: 25,068 Пол: мужской Репутация: 378 кг |
QUOTE(Tais @ Oct 7 2021, 19:00) Как не сыскать?! Один только Василий WaS чего стоит..Так к нему бы в личку и постучались - https://www.reviewdetector.ru/index.php?showuser=4159 Хороший совет.Тем более скоро зима.У человека есть немалый опыт и база запчастей. |
![]() |
![]() |
![]() |
![]() |
| WaS |
Oct 7 2021, 20:03
Создана
#7
|
|
Профи ![]() ![]() ![]() ![]() ![]() ![]() Группа: Посетители Сообщений: 4,020 Зарегистрирован: 2-April 08 Из: Подольск Пользователь №: 4,159 ![]() Металлоискатель: V3i/MXT Пол: мужской Репутация: 1361 кг |
QUOTE(Озорной гуляка @ Oct 7 2021, 17:40) ...Прибор словно стал внезапно стареть ... Любой МД требует профилактики. Периодичность зависит от условий и нагрузки. В блоках терок потеря глубины может быть из-за следующих причин.. - проседают и окисляются пружины в батарейном отсеке - изнашиваются контакты в разъёме под катушку - надламываются провода от разъёма под катушку к плате и теряется плотность обжимки этих проводов в разъёме на плату - теряется ёмкость электролитов или вообще сбиваются с платы Если было попадание воды или протекали батарейки, часто сгнивают дорожки в переходах и под чипами. Нрмальная профилактика, как правило, добавляет блоку молодости ) |
![]() |
![]() |
![]() |
![]() |
| Озорной гуляка |
Oct 7 2021, 20:24
Создана
#8
|
|
Профи ![]() ![]() ![]() ![]() ![]() ![]() Группа: Забанены Сообщений: 3,851 Зарегистрирован: 26-November 17 Пользователь №: 2,370,119 Пол: мужской Репутация: 300 кг |
Всем спасибо за советы и участие!
Tais - я имел в виду, что у нас на Севере таких мастеров нету и, вероятно, ближе к зиме, надо будет высылать эту приболевшую голову специалисту почтой. Ну и в личку, конечно, постучусь Сообщение отредактировано Озорной гуляка: Oct 7 2021, 20:25 |
![]() |
![]() |
![]() |
![]() |
| kanopus |
Oct 8 2021, 00:25
Создана
#9
|
|
Профи ![]() ![]() ![]() ![]() ![]() ![]() Группа: Посетители Сообщений: 3,288 Зарегистрирован: 7-July 18 Из: Москва или область Пользователь №: 2,375,499 Металлоискатель: 900 Пол: мужской Репутация: 137 кг |
1. Попробуйте найти комрада с 705 и протестируйте на заведомо исправном приборе свою торнаду.
2. Если есть возможность (может у кого имеется) проверьте свою тёрку с заведомо исправной торнадой. 3. Проверьте МД со штаткой. Если глубина и там стала меньше, то точно электронный блок. -------------------- Карта заканчивается на 4900
|
![]() |
![]() |
![]() |
![]() |
| Озорной гуляка |
Oct 10 2021, 18:17
Создана
#10
|
|
Профи ![]() ![]() ![]() ![]() ![]() ![]() Группа: Забанены Сообщений: 3,851 Зарегистрирован: 26-November 17 Пользователь №: 2,370,119 Пол: мужской Репутация: 300 кг |
спасибо за желание помочь!
Но 1) Камрада такого рядом не найти 2) то же самое 3) штатка нонче не со мной - несколько лет в ней просто не было необходимости и она отложена - отослана в запас А вообще - как уже говорил - я проверял свой блок аж с ТРЕМЯ самыми разными по размеру и частоте катушками и дело явно именно в блоке. Сообщение отредактировано Озорной гуляка: Oct 10 2021, 18:53 |
![]() |
![]() |
![]() |
![]() |
| kanopus |
Oct 11 2021, 10:14
Создана
#11
|
|
Профи ![]() ![]() ![]() ![]() ![]() ![]() Группа: Посетители Сообщений: 3,288 Зарегистрирован: 7-July 18 Из: Москва или область Пользователь №: 2,375,499 Металлоискатель: 900 Пол: мужской Репутация: 137 кг |
Понятно. Ну доберётесь до штатки когда-нибудь. У меня была 705 2011г.в., ничего подобного не наблюдалось. Продал её здесь на форуме, от нового владельца тоже никаких замечаний.
-------------------- Карта заканчивается на 4900
|
![]() |
![]() |
![]() |
![]() |
| Озорной гуляка |
Oct 13 2021, 08:49
Создана
#12
|
|
Профи ![]() ![]() ![]() ![]() ![]() ![]() Группа: Забанены Сообщений: 3,851 Зарегистрирован: 26-November 17 Пользователь №: 2,370,119 Пол: мужской Репутация: 300 кг |
Нет смысла. Все названные катушки тщательно тестились с этим блоком и не раз и чтобы у всех вот так пропала дальность, да не просто на сантиметр-два, а до 10 и даже 15 см - вердикт ясен...
Вообще, такое ощущение, что усиление на блоке просело с максимальных 30 до 25-26. Возможно из-за того, что уже лет 5 гонял прибор только на максимальной чуйке, звуке и практически максимальном ГБ... |
![]() |
![]() |
![]() |
![]() |
| kanopus |
Oct 14 2021, 00:18
Создана
#13
|
|
Профи ![]() ![]() ![]() ![]() ![]() ![]() Группа: Посетители Сообщений: 3,288 Зарегистрирован: 7-July 18 Из: Москва или область Пользователь №: 2,375,499 Металлоискатель: 900 Пол: мужской Репутация: 137 кг |
Ну усиление просто так ни с того ни с сего не просядет. Памятуя свой радиолюбительский опыт,могу предположить, что что-то не так в цепи питания и тёрка недополучает положенный прибору вольтаж от батареек. Плохо что нет электрической схемы прибора, можно было бы прикинуть. Но я бы попробовал высокоомным омметром замерить сопротивление на шинах питания, идущих к батарейкам и сравнить с заведомо исправным МД.
-------------------- Карта заканчивается на 4900
|
![]() |
![]() |
![]() |
![]() |
| Озорной гуляка |
Oct 14 2021, 08:48
Создана
#14
|
|
Профи ![]() ![]() ![]() ![]() ![]() ![]() Группа: Забанены Сообщений: 3,851 Зарегистрирован: 26-November 17 Пользователь №: 2,370,119 Пол: мужской Репутация: 300 кг |
Спасибо за участие! Но
- в батарейном отделе всё в норме - за питание, как я понимаю, отвечает стабилизатор - прибор с пломбами, да и не любят мастера, когда до них в приборе кто-то полазал... |
![]() |
![]() |
![]() |
![]() |
| kanopus |
Oct 14 2021, 22:36
Создана
#15
|
|
Профи ![]() ![]() ![]() ![]() ![]() ![]() Группа: Посетители Сообщений: 3,288 Зарегистрирован: 7-July 18 Из: Москва или область Пользователь №: 2,375,499 Металлоискатель: 900 Пол: мужской Репутация: 137 кг |
Ну пломбы-то на самом деле значения уже не имеют, так, красивая приблуда, тёрка-то давно не гарантийная.
Мне приходилось разбирать 705, внутрь попала вода, пошёл без чехла и попал под дождь, после чего начались чудеса. Просушка не помогла, кончилось всё заменой клавиатуры. Потом пошёл в мастерскую, они продавали клавиатуры только с установкой, ни про какие пломбы даже и не спросили. -------------------- Карта заканчивается на 4900
|
![]() |
![]() |
![]() |
![]() |
| WaS |
Oct 14 2021, 22:52
Создана
#16
|
|
Профи ![]() ![]() ![]() ![]() ![]() ![]() Группа: Посетители Сообщений: 4,020 Зарегистрирован: 2-April 08 Из: Подольск Пользователь №: 4,159 ![]() Металлоискатель: V3i/MXT Пол: мужской Репутация: 1361 кг |
QUOTE(kanopus @ Oct 14 2021, 22:36) Ну пломбы-то на самом деле значения уже не имеют.. Да никто и не говорит о гарантии.. А вот разбираться после чудо-ремонтников сомнительное удовольствие QUOTE(Озорной гуляка @ Oct 14 2021, 08:48) .. не любят мастера, когда до них в приборе кто-то полазал... |
![]() |
![]() |
![]() |
![]() |
| kanopus |
Oct 15 2021, 01:33
Создана
#17
|
|
Профи ![]() ![]() ![]() ![]() ![]() ![]() Группа: Посетители Сообщений: 3,288 Зарегистрирован: 7-July 18 Из: Москва или область Пользователь №: 2,375,499 Металлоискатель: 900 Пол: мужской Репутация: 137 кг |
А что там можно накопать? Печатная плата, ну можно электролиты заменить, резисторы погоревшие, ну не более того. Воткнуть конденсатор вместо диода хватит ума только у совсем дебила.. Ну разве что руки из жопы растут и паяльник взят в руки впервые в жизни, но тогда нехер лезть в схему.
Это когда я ковырялся в ламповых конструкциях, там паяй, что угодно и куда угодно, а тут всё чётко. -------------------- Карта заканчивается на 4900
|
![]() |
![]() |
![]() |
![]() |
| Ohotnik_mur |
Oct 15 2021, 02:57
Создана
#18
|
|
Старожил ![]() ![]() ![]() ![]() ![]() Группа: Посетители Сообщений: 837 Зарегистрирован: 10-June 14 Из: МО Железнодорожный Пользователь №: 70,132 Металлоискатель: X-Terra 705 Пол: мужской Репутация: 90 кг |
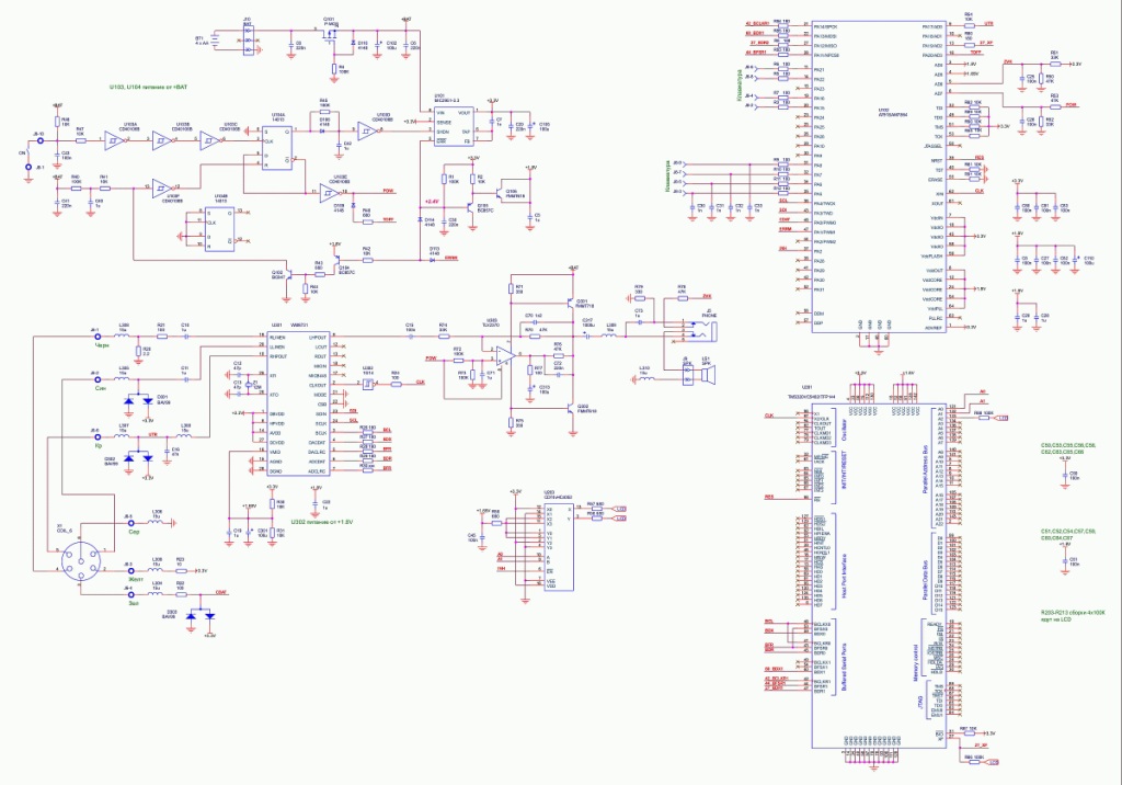
QUOTE(kanopus @ Oct 14 2021, 00:18) Ну усиление просто так ни с того ни с сего не просядет. Памятуя свой радиолюбительский опыт,могу предположить, что что-то не так в цепи питания и тёрка недополучает положенный прибору вольтаж от батареек. Плохо что нет электрической схемы прибора, можно было бы прикинуть. Но я бы попробовал высокоомным омметром замерить сопротивление на шинах питания, идущих к батарейкам и сравнить с заведомо исправным МД. Ну ладно, это первое высказывание я стерпел. Высокоомным омметром мерить низкоомные шины QUOTE(kanopus @ Oct 15 2021, 01:33) А что там можно накопать? Печатная плата, ну можно электролиты заменить, резисторы погоревшие, ну не более того. Воткнуть конденсатор вместо диода хватит ума только у совсем дебила.. Ну разве что руки из жопы растут и паяльник взят в руки впервые в жизни, но тогда нехер лезть в схему. Это когда я ковырялся в ламповых конструкциях, там паяй, что угодно и куда угодно, а тут всё чётко. Но вот это высказывание, ну вообще ни в какие рамки не лезет. Прекрасно! Берём резистор смещения с катода первой лампы и припаиваем его между анодом первой лампы и сеткой второй лампы. А резистор, допустим, 750 Ом всего. К примеру на лампе 6н3п в одной из схем усилителя. Лампа 6П14П, так там в этой схеме 120 Ом. А если взять лампу ГУ-50, то там резистор с катода на общий минусовой провод может быть 10 Ом всего. И этот резистор припаиваем вместо разделительного конденсатора между анодом и сеткой. Классно! А куда же паяем этот разделительный конденсатор? А фигня, паяем его куда угодно. Ну припаяем его между катодом и общим минусовым проводом. Или нет, лучше между анодом лампы и плюсовым питающим проводом. Мы же паяем по принципу: в ламповых конструкциях, там паяй, что угодно и куда угодно. Озорной гуляка Приветствую! Доброго Здоровья и Радости в жизни! Извини за оффтоп. Ну не сдержался, уж извини меня, старика, пожалуйста. Просто знаешь, профессионалу такое прочитать или услышать, такие высказывания ... Аж тошно стало. Не сдержался я в этот раз. По поводу схемы на Х-Терра 705. Когда-то, давным давно, где-то в инете, где уже не помню, скачал схему на нашу любимую Тёрочку. Думал так, скачаю и может когда-то пригодится. Схема конечно не полная, но другой нет у меня. Я бы конечно срисовал бы полную схему с печатной платы, сотни раз уже приходилось на моём веку рисовать схемы с печатных плат. Производители станков с ЧПУ не дают полную документацию на отдельные узлы и блоки. Но вот свою Тёрочку вскрывать не охота. Пока нормально работает. Прикреплю файл в исходном виде, не уменьшая. Если форум позволит. Если нет, то придётся уменьшать разрешение файла. Не берёт исходный вариант, уменьшил размер файла. Может пригодится тебе или кому ещё. С Уважением! Сообщение отредактировано Ohotnik_mur: Oct 15 2021, 03:27 Вложенные эскизы изображений -------------------- Мои МД и пин: X-Terra 705, Garrett ATX, Сфинкс 02
|
![]() |
![]() |
![]() |
![]() |
| Kvlaser |
Oct 15 2021, 04:04
Создана
#19
|
|
Пользователь ![]() ![]() Группа: Посетители Сообщений: 48 Зарегистрирован: 6-December 20 Пользователь №: 2,393,911 Пол: мужской Репутация: 4 кг |
Вот лучше качество.
|
![]() |
![]() |
![]() |
![]() |
| Ohotnik_mur |
Oct 15 2021, 04:14
Создана
#20
|
|
Старожил ![]() ![]() ![]() ![]() ![]() Группа: Посетители Сообщений: 837 Зарегистрирован: 10-June 14 Из: МО Железнодорожный Пользователь №: 70,132 Металлоискатель: X-Terra 705 Пол: мужской Репутация: 90 кг |
QUOTE(Kvlaser @ Oct 15 2021, 04:04) Вот лучше качество. Да, получше конечно. У меня 635 Кбайт форум не дал загрузить. Там конечно ещё лучше качество. Пришлось уменьшать, как для документов. Размер файла некогда было подгонять под приемлемый форумом размер. -------------------- Мои МД и пин: X-Terra 705, Garrett ATX, Сфинкс 02
|
![]() |
![]() |
![]() ![]() ![]() |
| Упрощенная Версия · Рекламодателям | Сейчас: 21st December 2025 - 00:41 | |
![]() |