
![]() |
![]() |
Здравствуйте, Гость ( Авторизация | Регистрация )
![]() |
![]() |
![]() ![]() ![]() |
![]() |
![]() |
| dmitryru |
Jan 17 2012, 21:46
Создана
#301
|
|
Профи ![]() ![]() ![]() ![]() ![]() ![]() Группа: Забанены Сообщений: 2,255 Зарегистрирован: 26-May 10 Из: Москва ВАО Пользователь №: 18,424 Репутация: 82 кг |
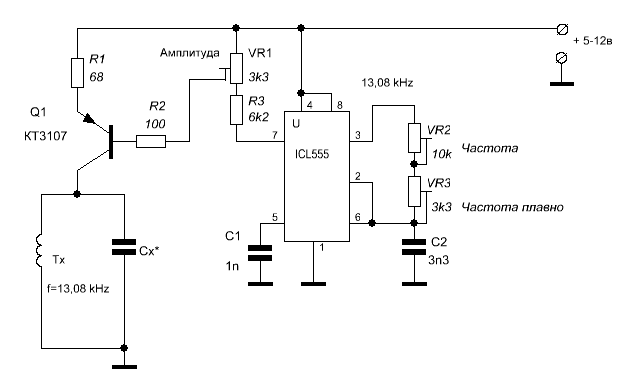
QUOTE(GSL @ Jan 17 2012, 22:27) Удобно соеденить их последовательно, тогда с помощью 10к грубо устанавливается нужная частота, с помощью 3к3 плавно подгоняется. Т.е. Вы предлагаете поставить 3-и подстрочника или 4 ? Сообщение отредактировано dmitryru: Jan 17 2012, 21:47 -------------------- Не курю - Перешёл на электронку.
|
![]() |
![]() |
![]() |
![]() |
| dmitryru |
Jan 17 2012, 21:49
Создана
#302
|
|
Профи ![]() ![]() ![]() ![]() ![]() ![]() Группа: Забанены Сообщений: 2,255 Зарегистрирован: 26-May 10 Из: Москва ВАО Пользователь №: 18,424 Репутация: 82 кг |
QUOTE(Fil721 @ Jan 17 2012, 22:37) думаю еще лучше застабилизировать питание схемы .поставить кренку на 5 вольт ... А по Русски? -------------------- Не курю - Перешёл на электронку.
|
![]() |
![]() |
![]() |
![]() |
| Fil721 |
Jan 17 2012, 21:53
Создана
#303
|
|
Профи ![]() ![]() ![]() ![]() ![]() ![]() Группа: VIP Сообщений: 4,145 Зарегистрирован: 18-January 08 Из: КимовсК Пользователь №: 3,377 Пол: мужской Репутация: 741 кг |
сделать питание схемы стабильным ... а подстроечников хватить и два если они многооборотистые
Сообщение отредактировано Fil721: Jan 17 2012, 21:59 -------------------- Ремонт плат газкотлов.
|
![]() |
![]() |
![]() |
![]() |
| dmitryru |
Jan 17 2012, 21:59
Создана
#304
|
|
Профи ![]() ![]() ![]() ![]() ![]() ![]() Группа: Забанены Сообщений: 2,255 Зарегистрирован: 26-May 10 Из: Москва ВАО Пользователь №: 18,424 Репутация: 82 кг |
QUOTE(Fil721 @ Jan 17 2012, 22:53) сделать питание схемы стабильным ... а подстроечников хватить и два если они многооборотистые А не проще стабилитрон поставить? У меня есть КС168А -------------------- Не курю - Перешёл на электронку.
|
![]() |
![]() |
![]() |
![]() |
| Fil721 |
Jan 17 2012, 22:00
Создана
#305
|
|
Профи ![]() ![]() ![]() ![]() ![]() ![]() Группа: VIP Сообщений: 4,145 Зарегистрирован: 18-January 08 Из: КимовсК Пользователь №: 3,377 Пол: мужской Репутация: 741 кг |
можно и стабилитрон с резистором
-------------------- Ремонт плат газкотлов.
|
![]() |
![]() |
![]() |
![]() |
| dmitryru |
Jan 17 2012, 22:24
Создана
#306
|
|
Профи ![]() ![]() ![]() ![]() ![]() ![]() Группа: Забанены Сообщений: 2,255 Зарегистрирован: 26-May 10 Из: Москва ВАО Пользователь №: 18,424 Репутация: 82 кг |
QUOTE(Fil721 @ Jan 17 2012, 23:00) можно и стабилитрон с резистором ![]() -------------------- Не курю - Перешёл на электронку.
|
![]() |
![]() |
![]() |
![]() |
| Fil721 |
Jan 17 2012, 22:31
Создана
#307
|
|
Профи ![]() ![]() ![]() ![]() ![]() ![]() Группа: VIP Сообщений: 4,145 Зарегистрирован: 18-January 08 Из: КимовсК Пользователь №: 3,377 Пол: мужской Репутация: 741 кг |
-------------------- Ремонт плат газкотлов.
|
![]() |
![]() |
![]() |
![]() |
| dmitryru |
Jan 17 2012, 22:48
Создана
#308
|
|
Профи ![]() ![]() ![]() ![]() ![]() ![]() Группа: Забанены Сообщений: 2,255 Зарегистрирован: 26-May 10 Из: Москва ВАО Пользователь №: 18,424 Репутация: 82 кг |
QUOTE(Fil721 @ Jan 17 2012, 22:53) сделать питание схемы стабильным ... а подстроечников хватить и два если они многооборотистые 3,3 кОм - около 30-ти оборотов 10 кОм - около 45-ти оборотов -------------------- Не курю - Перешёл на электронку.
|
![]() |
![]() |
![]() |
![]() |
| kava61 |
Jan 17 2012, 23:37
Создана
#309
|
|
Старожил ![]() ![]() ![]() ![]() ![]() Группа: Забанены Сообщений: 583 Зарегистрирован: 6-February 11 Из: Воронежская область Пользователь №: 26,051 Пол: мужской Репутация: 26 кг |
QUOTE(dmitryru @ Jan 17 2012, 22:59) А не проще стабилитрон поставить? У меня есть КС168А Стабилитрон не стабилизирует напряжение, а только ограничивает максимальное и если схема потребляет больше тока стабилизации стабилитрона то стабилизации напряжения не будет, лучше все же применить КРЕН или сделать стабилизатор на транзисторе. ![]() Сообщение отредактировано kava61: Jan 17 2012, 23:42 |
![]() |
![]() |
![]() |
![]() |
| Andrey_Kharkov |
Jan 17 2012, 23:51
Создана
#310
|
|
Пользователь ![]() ![]() Группа: Забанены Сообщений: 95 Зарегистрирован: 4-March 11 Пользователь №: 27,192 Металлоискатель: Fisher F70 Репутация: 5 кг |
QUOTE(kava61 @ Jan 17 2012, 23:37) лучше все же применить КРЕН или сделать стабилизатор на транзисторе. Я бы сказал категоричнее. Проще применить КрЕН, чем городить огород на транзисторах. |
![]() |
![]() |
![]() |
![]() |
| kava61 |
Jan 18 2012, 03:34
Создана
#311
|
|
Старожил ![]() ![]() ![]() ![]() ![]() Группа: Забанены Сообщений: 583 Зарегистрирован: 6-February 11 Из: Воронежская область Пользователь №: 26,051 Пол: мужской Репутация: 26 кг |
Совершенно согласен, транзисторы нужны если нужен большой ток.
![]() ![]() Если необходимо больше напряжение стабилизации КРЕН ![]() Сообщение отредактировано kava61: Jan 18 2012, 03:41 |
![]() |
![]() |
![]() |
![]() |
| dmitryru |
Jan 18 2012, 08:42
Создана
#312
|
|
Профи ![]() ![]() ![]() ![]() ![]() ![]() Группа: Забанены Сообщений: 2,255 Зарегистрирован: 26-May 10 Из: Москва ВАО Пользователь №: 18,424 Репутация: 82 кг |
QUOTE(kava61 @ Jan 18 2012, 04:34) Совершенно согласен, транзисторы нужны если нужен большой ток. ![]() ![]() Если необходимо больше напряжение стабилизации КРЕН ![]() А если напряжение Кроны упадёт меньше 7.5В ? Сообщение отредактировано dmitryru: Jan 18 2012, 08:48 -------------------- Не курю - Перешёл на электронку.
|
![]() |
![]() |
![]() |
![]() |
| Fil721 |
Jan 18 2012, 08:58
Создана
#313
|
|
Профи ![]() ![]() ![]() ![]() ![]() ![]() Группа: VIP Сообщений: 4,145 Зарегистрирован: 18-January 08 Из: КимовсК Пользователь №: 3,377 Пол: мужской Репутация: 741 кг |
значить Крона сдохла .. а вы схему запитываете через Крону? лучше сделать стационарный БП . в хозяйстве пригодиться
-------------------- Ремонт плат газкотлов.
|
![]() |
![]() |
![]() |
![]() |
| dmitryru |
Jan 18 2012, 09:12
Создана
#314
|
|
Профи ![]() ![]() ![]() ![]() ![]() ![]() Группа: Забанены Сообщений: 2,255 Зарегистрирован: 26-May 10 Из: Москва ВАО Пользователь №: 18,424 Репутация: 82 кг |
QUOTE(Fil721 @ Jan 18 2012, 09:58) значить Крона сдохла .. а вы схему запитываете через Крону? лучше сделать стационарный БП . в хозяйстве пригодиться Да через Крону. Так и не понял стоит кренок покупать? -------------------- Не курю - Перешёл на электронку.
|
![]() |
![]() |
![]() |
![]() |
| Fil721 |
Jan 18 2012, 09:17
Создана
#315
|
|
Профи ![]() ![]() ![]() ![]() ![]() ![]() Группа: VIP Сообщений: 4,145 Зарегистрирован: 18-January 08 Из: КимовсК Пользователь №: 3,377 Пол: мужской Репутация: 741 кг |
стабильность не помешает . купи 78L05 это на 5 вольт
-------------------- Ремонт плат газкотлов.
|
![]() |
![]() |
![]() |
![]() |
| GSL |
Jan 18 2012, 09:51
Создана
#316
|
|
Старожил ![]() ![]() ![]() ![]() ![]() Группа: Забанены Сообщений: 611 Зарегистрирован: 4-May 08 Пользователь №: 4,493 Пол: мужской Репутация: 39 кг |
Да уж... Вообще-то если серьезно заниматься , то блок питание обычно делают первым. Батарейки ставят когда все уже настроено. На кронах разоришься
Да и не потянет крона ваш генератор больше 1 часа. Если уж делать то регулируемый блок питания, на ЕН5 получим 5в и все. Рекомендую сделать на LM317 стабилизатор. Получится просто и качественно. Внутри микры встроенная защита от КЗ (в отличие от ЕН5) . Стоит порядка 10р. Сообщение отредактировано GSL: Jan 18 2012, 09:52 Вложенные эскизы изображений |
![]() |
![]() |
![]() |
![]() |
| GSL |
Jan 18 2012, 10:00
Создана
#317
|
|
Старожил ![]() ![]() ![]() ![]() ![]() Группа: Забанены Сообщений: 611 Зарегистрирован: 4-May 08 Пользователь №: 4,493 Пол: мужской Репутация: 39 кг |
|
![]() |
![]() |
![]() |
![]() |
| dmitryru |
Jan 18 2012, 12:00
Создана
#318
|
|
Профи ![]() ![]() ![]() ![]() ![]() ![]() Группа: Забанены Сообщений: 2,255 Зарегистрирован: 26-May 10 Из: Москва ВАО Пользователь №: 18,424 Репутация: 82 кг |
QUOTE(GSL @ Jan 18 2012, 10:51) Да уж... Вообще-то если серьезно заниматься , то блок питание обычно делают первым. Батарейки ставят когда все уже настроено. На кронах разоришься Да и не потянет крона ваш генератор больше 1 часа. Если уж делать то регулируемый блок питания, на ЕН5 получим 5в и все. Рекомендую сделать на LM317 стабилизатор. Получится просто и качественно. Внутри микры встроенная защита от КЗ (в отличие от ЕН5) . Стоит порядка 10р. Я немного по другому сделаю У семя в закромах нашёл 2 DC адаптера от зарядки какой то игрушки и от наушников Диалог, уже и не помню какой от чего ![]() И 2 АС адаптера - от старого модема радиотелефона ![]() Жена уже плешь проела - чтоб выбросил блок от наушников ![]() При вскрытии был удивлён что не Китай ![]() И вот он родимый LM7805 Померил после него напряжение стабильно 4,93В ПС: Сейчас срисую схемку стабилизатора -------------------- Не курю - Перешёл на электронку.
|
![]() |
![]() |
![]() |
![]() |
| GSL |
Jan 18 2012, 12:09
Создана
#319
|
|
Старожил ![]() ![]() ![]() ![]() ![]() Группа: Забанены Сообщений: 611 Зарегистрирован: 4-May 08 Пользователь №: 4,493 Пол: мужской Репутация: 39 кг |
QUOTE(dmitryru @ Jan 18 2012, 13:00) Я немного по другому сделаю У семя в закромах нашёл 2 DC адаптера от зарядки какой то игрушки и от наушников Диалог, уже и не помню какой от чего И 2 АС адаптера - от старого модема радиотелефона Жена уже плешь проела - чтоб выбросил блок от наушников Берешь любой адаптери подсединяешь к нему стабилизатор. Бывают адаптеры на 12в эти самые удобный - получается стабилизатор от 1в до 12в. QUOTE И вот он родимый LM7805 Зачем рисовать - стандартные 3 ножки : 1- вход напр., 2- земля, 3- выход 5в. |
![]() |
![]() |
![]() |
![]() |
| Yuran-vld |
Jan 18 2012, 13:55
Создана
#320
|
|
Профи ![]() ![]() ![]() ![]() ![]() ![]() Группа: Посетители Сообщений: 1,964 Зарегистрирован: 26-September 11 Пользователь №: 34,204 Металлоискатель: Deus II WS6 b3.02 Пол: мужской Репутация: 197 кг |
Эта кренка потребляет около 5 мА - бедная "крона", она "сядет" пока ток до катушки дойдет.
К примерй у меня пинпоинтер потребляет от кроны всего 5 мА со звуком, а тут только кренка... Сообщение отредактировано Yuran-vld: Jan 18 2012, 13:57 -------------------- 2001---->D1+EQ800+D2 WS6
|
![]() |
![]() |
![]() ![]() ![]() |
| Упрощенная Версия · Рекламодателям | Сейчас: 23rd November 2025 - 09:03 | |
![]() |