
![]() |
![]() |
Здравствуйте, Гость ( Авторизация | Регистрация )
![]() |
![]() |
![]() ![]() ![]() |
![]() |
![]() |
| roykin |
Jul 13 2019, 13:56
Создана
#3301
|
|
Профи ![]() ![]() ![]() ![]() ![]() ![]() Группа: Посетители Сообщений: 3,583 Зарегистрирован: 20-March 12 Пользователь №: 41,042 Пол: мужской Репутация: 240 кг |
Один Ветерок может задать столько вопросов, что сто Львовичей не смогут ответить...
|
![]() |
![]() |
![]() |
![]() |
| sss |
Jul 13 2019, 14:22
Создана
#3302
|
|
Профи ![]() ![]() ![]() ![]() ![]() ![]() Группа: Забанены Сообщений: 5,070 Зарегистрирован: 20-August 07 Из: мос Пользователь №: 2,541 Репутация: 160 кг |
QUOTE(Lvovich @ Jul 13 2019, 13:52) Ветерок , сдаюсь . Загонял старика. Эх Львович.... В аналах МД4ю нашёл одну уникальную схемку, от шедеврального автора - мультичастотного прибора с "ударным возбуждением". В отличии от Интроника собраного на деталях от старых телевизоров и Веника с его, всего 5-частотным анализом - верх творческой мысли! Маленькая коробка с катушкой + карманный анализатор спектра и вуаля... Обсудим патент? Вложенные эскизы изображений -------------------- ЛИЧКА - НЕ РАБОТАЕТ !!! НЕ ПИШИТЕ !!! НЕ ОТВЕЧУ!!!
|
![]() |
![]() |
![]() |
![]() |
| ЖукЗолотой |
Jul 13 2019, 14:43
Создана
#3303
|
|
Профи ![]() ![]() ![]() ![]() ![]() ![]() Группа: VIP Сообщений: 1,890 Зарегистрирован: 26-November 17 Пользователь №: 2,370,109 Пол: мужской Репутация: 80 кг |
QUOTE(SevRay @ Jul 13 2019, 13:55) И в мыслях не было, я в мульти методе вижу перспективы, в резонансном 2Ф - нет. Он имеет право на жизнь как один из принципов не перспективных для серийных МД. Вы шпалу с метра не выкапывали на чистом цветном ? ..а мне доводилось ..места красивые такой чудный весь заросший полуостров на реке,,это потом дошло ,,что там переход с мостом был и все это великолепие ручное поделие, кирпичи , булыжники и шпалы. Сиг бы там с низкочастоткой мне в миг бы рассказал что там за зверь внизу к тому что писковые характеристики это ширше чем красота сигнала. Есть места где спорные некопаю т.к ржавых железяк гаараздо больше чем монет,,,там бы мне маленькую стрелочку низкой частоты. Согласен на крупную монету. Веник просто Божественен , фантастически технологичен, лучше всех для меня по находкам,невероятно комфортен( это не про эргономику) и ака такой сделать ,,о чем это я? но есть нюансы см.выше.. иихо все случайно вырвалось С ув. сильна небить тупой ps: Петренко так и неответил что инк покажет на шпалу. посмеялись наверое ..типа нахрена ему , мы тут делом заняты , а он всякую ерунду спрашивает,, Сообщение отредактировано ЖукЗолотой: Jul 13 2019, 14:59 |
![]() |
![]() |
![]() |
![]() |
| Messir |
Jul 13 2019, 15:33
Создана
#3304
|
|
Бывалый ![]() ![]() ![]() Группа: Забанены Сообщений: 193 Зарегистрирован: 19-February 19 Пользователь №: 2,379,850 Металлоискатель: The beast Пол: мужской Репутация: 8 кг |
Имхо, с глубины метр все и должно быть цветным. Тут уже сами решаем копать или бросить насколько возможно ориентируясь по месту.
|
![]() |
![]() |
![]() |
![]() |
| ЖукЗолотой |
Jul 13 2019, 17:20
Создана
#3305
|
|
Профи ![]() ![]() ![]() ![]() ![]() ![]() Группа: VIP Сообщений: 1,890 Зарегистрирован: 26-November 17 Пользователь №: 2,370,109 Пол: мужской Репутация: 80 кг |
QUOTE(Messir @ Jul 13 2019, 15:33) Имхо, с глубины метр все и должно быть цветным. Тут уже сами решаем копать или бросить насколько возможно ориентируясь по месту. может там не метр был не мерил но глубоко, жарко и руки в кровь каменюки вытаскивал.. это не в сторону веника камень и поцелуй в сторону ака. Это в общем! Как пример. Наверняка у каждого свои есть примеры. С ув. сильно небить тупой Сообщение отредактировано ЖукЗолотой: Jul 13 2019, 17:27 |
![]() |
![]() |
![]() |
![]() |
| sss |
Jul 13 2019, 18:09
Создана
#3306
|
|
Профи ![]() ![]() ![]() ![]() ![]() ![]() Группа: Забанены Сообщений: 5,070 Зарегистрирован: 20-August 07 Из: мос Пользователь №: 2,541 Репутация: 160 кг |
-------------------- ЛИЧКА - НЕ РАБОТАЕТ !!! НЕ ПИШИТЕ !!! НЕ ОТВЕЧУ!!!
|
![]() |
![]() |
![]() |
![]() |
| scandijinior |
Jul 13 2019, 18:54
Создана
#3307
|
|
Профи ![]() ![]() ![]() ![]() ![]() ![]() Группа: VIP Сообщений: 24,493 Зарегистрирован: 6-June 08 Из: Москва Пользователь №: 4,828 ![]() Репутация: 495 кг |
QUOTE(sss @ Jul 13 2019, 19:09) Вся тема похожа.... Ага! Ветерок. А что будет, если взять пружинные весы и взвесить пакет дури на 1 кг, а потом заменить в них пружину на меньшей упругости. И так, десять раз изменять упругость пружины? П.С. Всю развлекуху пропустил... Сообщение отредактировано scandijinior: Jul 13 2019, 18:58 -------------------- Сегодня ты никому не нужен , а вот завтра .. тоже.
|
![]() |
![]() |
![]() |
![]() |
| SevRay |
Jul 13 2019, 18:57
Создана
#3308
|
|
Профи ![]() ![]() ![]() ![]() ![]() ![]() Группа: Забанены Сообщений: 1,634 Зарегистрирован: 22-March 19 Пользователь №: 2,380,545 ![]() ![]() ![]() Пол: мужской Номер карты: 79787832789 Репутация: 24 кг |
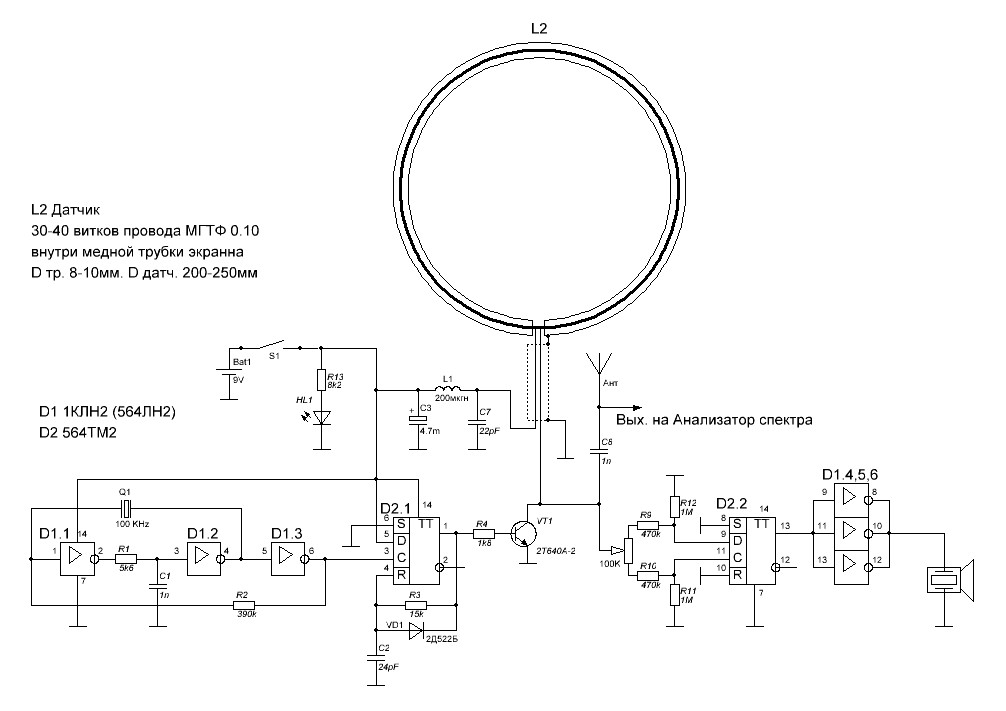
QUOTE(sss @ Jul 13 2019, 14:22) Эх Львович.... В аналах МД4ю нашёл одну уникальную схемку, от шедеврального автора - мультичастотного прибора с "ударным возбуждением". В отличии от Интроника собраного на деталях от старых телевизоров и Веника с его, всего 5-частотным анализом - верх творческой мысли! Маленькая коробка с катушкой + карманный анализатор спектра и вуаля... Обсудим патент? Знаете какой это год? 1989...!!! и главное эта хрень работала в конкретном исполнении, Поделка была собранна и подговнена другу, которые в последствии стал научным работником Херсонеса, и руководителем ряда крупных экспедиций (раскопок в Крыму) на счету которой несколько закладух римских монет в кладе стен на полевых работах, причем некоторые монеты раритеты, не имеющие аналогов. А так- да поделка смешная, работала на основе фазовых биений. Самое интересное конструкция датчика медная трубка согнутая в кольцо, с зазором 2 мм, и намотано внутри 300 витков мгтф - почти 160 метров ... адски эротическое занятие. С каким прибором вы ходили 30 лет назад? |
![]() |
![]() |
![]() |
![]() |
| scandijinior |
Jul 13 2019, 19:00
Создана
#3309
|
|
Профи ![]() ![]() ![]() ![]() ![]() ![]() Группа: VIP Сообщений: 24,493 Зарегистрирован: 6-June 08 Из: Москва Пользователь №: 4,828 ![]() Репутация: 495 кг |
QUOTE(SevRay @ Jul 13 2019, 19:57) Знаете какой это год? 1989...!!! и главное эта хрень работала в конкретном исполнении, Поделка была собранна и подговнена другу, которые в последствии стал научным работником Херсонеса, и руководителем ряда крупных экспедиций (раскопок в Крыму) на счету которой несколько закладух римских монет в кладе стен на полевых работах, причем некоторые монеты раритеты, не имеющие аналогов. А так- да поделка смешная, работала на основе фазовых биений. Самое интересное конструкция датчика медная трубка согнутая в кольцо, с зазором 2 мм, и намотано внутри 300 витков мгтф - почти 160 метров ... адски эротическое занятие. С каким прибором вы ходили 30 лет назад? О! Вопрос выше см. -------------------- Сегодня ты никому не нужен , а вот завтра .. тоже.
|
![]() |
![]() |
![]() |
![]() |
| SevRay |
Jul 13 2019, 19:01
Создана
#3310
|
|
Профи ![]() ![]() ![]() ![]() ![]() ![]() Группа: Забанены Сообщений: 1,634 Зарегистрирован: 22-March 19 Пользователь №: 2,380,545 ![]() ![]() ![]() Пол: мужской Номер карты: 79787832789 Репутация: 24 кг |
QUOTE(scandijinior @ Jul 13 2019, 18:54) Ага! Ветерок. А что будет, если взять пружинные весы и взвесить пакет дури на 1 кг, а потом заменить в них пружину на меньшей упругости. И так, десять раз изменять упругость пружины? П.С. Всю развлекуху пропустил... На 10 измерении дурь кончится, и в процессе погрешность измерений не приведет к достоверным результатам. |
![]() |
![]() |
![]() |
![]() |
| scandijinior |
Jul 13 2019, 19:07
Создана
#3311
|
|
Профи ![]() ![]() ![]() ![]() ![]() ![]() Группа: VIP Сообщений: 24,493 Зарегистрирован: 6-June 08 Из: Москва Пользователь №: 4,828 ![]() Репутация: 495 кг |
QUOTE(SevRay @ Jul 13 2019, 20:01) На 10 измерении дурь кончится, и в процессе погрешность измерений не приведет к достоверным результатам. А если подумать? -------------------- Сегодня ты никому не нужен , а вот завтра .. тоже.
|
![]() |
![]() |
![]() |
![]() |
| SevRay |
Jul 13 2019, 19:18
Создана
#3312
|
|
Профи ![]() ![]() ![]() ![]() ![]() ![]() Группа: Забанены Сообщений: 1,634 Зарегистрирован: 22-March 19 Пользователь №: 2,380,545 ![]() ![]() ![]() Пол: мужской Номер карты: 79787832789 Репутация: 24 кг |
QUOTE(scandijinior @ Jul 13 2019, 19:07) А если подумать? Чем меньше упругость пружины тем будет казаться что у вас больше дури, но если после каждого измерения дунуть... то первое и последние измерение независимо от пружин покажет одинаковое значения... Очень хороший метод. |
![]() |
![]() |
![]() |
![]() |
| scandijinior |
Jul 13 2019, 19:32
Создана
#3313
|
|
Профи ![]() ![]() ![]() ![]() ![]() ![]() Группа: VIP Сообщений: 24,493 Зарегистрирован: 6-June 08 Из: Москва Пользователь №: 4,828 ![]() Репутация: 495 кг |
QUOTE(SevRay @ Jul 13 2019, 20:18) Чем меньше упругость пружины тем будет казаться что у вас больше дури, но если после каждого измерения дунуть... то первое и последние измерение независимо от пружин покажет одинаковое значения... Очень хороший метод. С дунуть не увлекайтесь.. Ничего не напоминает работу "функции усреднения ВДИ" в терре или деусе? Когда показания не зависимо от рабочей частоты, для одного предмета одинаковы. Сообщение отредактировано scandijinior: Jul 13 2019, 19:34 -------------------- Сегодня ты никому не нужен , а вот завтра .. тоже.
|
![]() |
![]() |
![]() |
![]() |
| SevRay |
Jul 13 2019, 20:04
Создана
#3314
|
|
Профи ![]() ![]() ![]() ![]() ![]() ![]() Группа: Забанены Сообщений: 1,634 Зарегистрирован: 22-March 19 Пользователь №: 2,380,545 ![]() ![]() ![]() Пол: мужской Номер карты: 79787832789 Репутация: 24 кг |
QUOTE(scandijinior @ Jul 13 2019, 19:32) С дунуть не увлекайтесь.. Ничего не напоминает работу "функции усреднения ВДИ" в терре или деусе? Когда показания не зависимо от рабочей частоты, для одного предмета одинаковы. Зачем ВДИ усреднять? |
![]() |
![]() |
![]() |
![]() |
| scandijinior |
Jul 13 2019, 20:17
Создана
#3315
|
|
Профи ![]() ![]() ![]() ![]() ![]() ![]() Группа: VIP Сообщений: 24,493 Зарегистрирован: 6-June 08 Из: Москва Пользователь №: 4,828 ![]() Репутация: 495 кг |
QUOTE(SevRay @ Jul 13 2019, 21:04) Зачем ВДИ усреднять? Для удобства пользователя. Ну дык, вернемся к нашим баранам...точнее к дури. А вот переставьте. Энтот килограмм в черном не прозрачном пакете...и какая-то сволочь в эти черные килограммовые пакеты насовала молотой соломы в разных количествах. А у вас десять весов с разными пружинами...засада. -------------------- Сегодня ты никому не нужен , а вот завтра .. тоже.
|
![]() |
![]() |
![]() |
![]() |
| SevRay |
Jul 13 2019, 20:30
Создана
#3316
|
|
Профи ![]() ![]() ![]() ![]() ![]() ![]() Группа: Забанены Сообщений: 1,634 Зарегистрирован: 22-March 19 Пользователь №: 2,380,545 ![]() ![]() ![]() Пол: мужской Номер карты: 79787832789 Репутация: 24 кг |
QUOTE(scandijinior @ Jul 13 2019, 20:17) Для удобства пользователя. Кто вам сказал такой бред? У меня был минилаб мушкетер адвентис, у него один тон нет экрана, соответственно никакого ВДИ - самый УДОБНЫЙ прибор. |
![]() |
![]() |
![]() |
![]() |
| SevRay |
Jul 13 2019, 20:34
Создана
#3317
|
|
Профи ![]() ![]() ![]() ![]() ![]() ![]() Группа: Забанены Сообщений: 1,634 Зарегистрирован: 22-March 19 Пользователь №: 2,380,545 ![]() ![]() ![]() Пол: мужской Номер карты: 79787832789 Репутация: 24 кг |
QUOTE(scandijinior @ Jul 13 2019, 20:17) А вот переставьте. Энтот килограмм в черном не прозрачном пакете...и какая-то сволочь в эти черные килограммовые пакеты насовала молотой соломы в разных количествах. Это вы про что? Про Интроник... Сообщение отредактировано SevRay: Jul 13 2019, 20:37 |
![]() |
![]() |
![]() |
![]() |
| scandijinior |
Jul 13 2019, 20:37
Создана
#3318
|
|
Профи ![]() ![]() ![]() ![]() ![]() ![]() Группа: VIP Сообщений: 24,493 Зарегистрирован: 6-June 08 Из: Москва Пользователь №: 4,828 ![]() Репутация: 495 кг |
QUOTE(SevRay @ Jul 13 2019, 21:30) Кто вам сказал такой бред? У меня был минилаб мушкетер адвентис, у него один тон нет экрана, соответственно никакого ВДИ - самый УДОБНЫЙ прибор. ДыК, так называемый "линейный дискрим"...и есть прототип ВДИ. Ну, так к баранам..или опять к дури..или чЁ...просто ля-ля.. -------------------- Сегодня ты никому не нужен , а вот завтра .. тоже.
|
![]() |
![]() |
![]() |
![]() |
| SevRay |
Jul 13 2019, 20:41
Создана
#3319
|
|
Профи ![]() ![]() ![]() ![]() ![]() ![]() Группа: Забанены Сообщений: 1,634 Зарегистрирован: 22-March 19 Пользователь №: 2,380,545 ![]() ![]() ![]() Пол: мужской Номер карты: 79787832789 Репутация: 24 кг |
QUOTE(scandijinior @ Jul 13 2019, 20:37) ДыК, так называемый "линейный дискрим"...и есть прототип ВДИ. И причем тут усреднение... ВДИ в практическом поиске - хрень вторичная. Первичная хрень - это "горка" |
![]() |
![]() |
![]() |
![]() |
| scandijinior |
Jul 13 2019, 20:42
Создана
#3320
|
|
Профи ![]() ![]() ![]() ![]() ![]() ![]() Группа: VIP Сообщений: 24,493 Зарегистрирован: 6-June 08 Из: Москва Пользователь №: 4,828 ![]() Репутация: 495 кг |
QUOTE(SevRay @ Jul 13 2019, 21:34) Это вы про что? Про Интроник... Эт, я такую подводку в вашем стиле сделал... Помните мужичка, который кричал - "Эврика!"(с) Чавой то там ему сказали определить...Вот здесь примерно так же. Сообщение отредактировано scandijinior: Jul 13 2019, 20:43 -------------------- Сегодня ты никому не нужен , а вот завтра .. тоже.
|
![]() |
![]() |
![]() ![]() ![]() |
| Упрощенная Версия · Рекламодателям | Сейчас: 6th February 2026 - 10:22 | |
![]() |