

|  |  | 
Здравствуйте, Гость ( Авторизация | Регистрация )
|  |  | 
|    | 
|  |  | 
| Dahan |  Feb 6 2018, 11:33 
				Создана
					#301				
			 | 
| Новичок  Группа: Посетители Сообщений: 2 Зарегистрирован: 2-February 10 Пользователь №: 15,056 Металлоискатель: T-50 Репутация: 5 кг    | Добрый день! Уважаемый Сергей( Fuma)! Нужно отремонтировать пару катушек для Терки. Но к сожалению не пускает в Личку пишет про три поста. Не могли бы вы прислать мне на мыло vulchin_a_y@mail.ru контактную информацию куда отправлять катушки. С уважением Андрей (Dahan) | 
|  |  | 
|  |  | 
| Victor Z |  Feb 6 2018, 21:29 
				Создана
					#302				
			 | 
| Постоянный     Группа: Посетители Сообщений: 313 Зарегистрирован: 3-August 09 Пользователь №: 11,321 Пол: мужской Репутация: 47 кг    | QUOTE(Dahan @ Feb 6 2018, 12:33) Добрый день! Уважаемый Сергей( Fuma)! Нужно отремонтировать пару катушек для Терки. Но к сожалению не пускает в Личку пишет про три поста. Не могли бы вы прислать мне на мыло vulchin_a_y@mail.ru контактную информацию куда отправлять катушки. С уважением Андрей (Dahan) Отличный мастер,не пожалеете.Обращался сам лично,очень доволен. | 
|  |  | 
|  |  | 
| Fuma |  Feb 8 2018, 23:37 
				Создана
					#303				
			 | 
| Профи       Группа: Продавцы Сообщений: 2,215 Зарегистрирован: 1-September 09 Пользователь №: 11,796  Пол: мужской Репутация: 1409 кг    | В последнее время, зметил, больше искателей стали смотреть на воду. И искать под водой. Что, зачем , почему? Не буду обсуждать. На еще не слетевшее с пальца кольцо, уже 10 копателей с совками- скубами(по английски скуб =совок). Пришла пора менять лопухи размером в 13 дюймов на удобные,  нормальные катушки. Из любой катушки НЕЛ (любой частоты) можно сделать катушку на 18.75 кГц, катушку с длинным кабелем(2 метра), чтобы по шею в воду. Катушку любого размера. Но для 18,75 кГц( это частота высокая для МД) лучше эллипс. Я люблю эллипс не сплошняком, а с зазорами, приятнее с такими катушками делать движения туда-сюда. На фото две катушки с длинным кабелем, одна в корпусе от АКА(6х10), другая от ИИввааннаа, чуть меньше. Если НЕЛ старая, то катушка на 18,75 кГц, будет работать только с Терками до 2012 года. Если НЕЛ новая, то со всеми Терками. Фото катушек внизу:  Вложенные эскизы изображений     | 
|  |  | 
|  |  | 
| Vladimir.S. |  Feb 22 2018, 15:35 
				Создана
					#304				
			 | 
| Пользователь   Группа: Забанены Сообщений: 86 Зарегистрирован: 29-February 16 Из: Старый оскол Пользователь №: 2,346,641 Металлоискатель: Fisher-F75 ltd Пол: мужской Репутация: 18 кг    | Уважаемые коллеги. лопнуло ухо на катушке фишера, Какой клей порекомендуете к использованию?  | 
|  |  | 
|  |  | 
| HiJack |  Feb 22 2018, 16:15 
				Создана
					#305				
			 | 
| Постоянный     Группа: Посетители Сообщений: 234 Зарегистрирован: 4-February 16 Пользователь №: 2,345,348 Металлоискатель: T-74 + ProPointer Пол: мужской Репутация: 59 кг    | QUOTE(Vladimir.S. @ Feb 22 2018, 15:35) Уважаемые коллеги. лопнуло ухо на катушке фишера, Какой клей порекомендуете к использованию? Для любых катушек и любых приборов, клей один - дихлорэтан (или дихлорэтан с растворённым в нём пластиком). | 
|  |  | 
|  |  | 
| Fuma |  Feb 22 2018, 19:21 
				Создана
					#306				
			 | 
| Профи       Группа: Продавцы Сообщений: 2,215 Зарегистрирован: 1-September 09 Пользователь №: 11,796  Пол: мужской Репутация: 1409 кг    | Да правильно клей дихлорэтан. но стык в стык ухо не приклеится. Держать не будет. Ищите подходящий пластик, вырезайте, лучше сразу уголок. Или можно согнуть. Сильно нагрев. В этой старой теме сразу про ухо: https://www.reviewdetector.ru/index.php?showtopic=80022&st=0 | 
|  |  | 
|  |  | 
| Fuma |  Mar 1 2018, 10:56 
				Создана
					#307				
			 | 
| Профи       Группа: Продавцы Сообщений: 2,215 Зарегистрирован: 1-September 09 Пользователь №: 11,796  Пол: мужской Репутация: 1409 кг    | Первый раз попалась в ремонт катушка трехчастотная НЕЛ ХАНТЕР. Предыдущий мастер вскрыл катушку, нечаянно оборвал две обмотки. Обрывы были сверху, удалось устранить. Неисправность такая, на частотах 3 и 7.5 килогерц катушка работает, на частоте 18,75 перегрузка =OL. При чем разбаланс такой, что убирается большим  конденсатором сверху, плюс ножницы по металлу(фото). Глобальный разбаланс. Но чтобы узнать причину, нужно выдрать приемную обмотку это точно, а за ней возможно и передающую. Чтобы долезть до электронной платы. Как происходит коммутация я не знаю, хорошо бы досталась такая катушка с трещиной, тогда бы можно было разобрать со спокойной душой. Что хуже уже не будет. В этом случае владелец катушки сказал, что устроит 2 частоты 7.5 и 3. Две частоты конечно лучше, чем вообще без катушки. Кабель и гермоввод были разрезаны, потому заменил и кабель и гермоввод. Замена кабеля на трехчастотках возможна.  Вложенные эскизы изображений       | 
|  |  | 
|  |  | 
| ViKiTi |  Mar 29 2018, 18:53 
				Создана
					#308				
			 | 
| Бывалый    Группа: Посетители Сообщений: 183 Зарегистрирован: 29-January 10 Из: Солнце встаёт на Востоке Пользователь №: 14,917 Металлоискатель: Garrett GTI 2500 Репутация: 15 кг    | Сломали катушку. NEL HUNTER. Обмотка из тонкого провода лопнула. Пришлось её убрать. Всё делал аккуратно, но тем не менее возникла проблема. Не могу найти куда был припаян один из концов обмотки. Один из концов (его остаток под номером 1), припаян к оплётке кабеля( 2 ). К центральной жиле кабеля ( 3 ) припаян конденсатор.  Остальное ковырять пока не стал.  Я так понимаю, что никаких плат и микросхем там нет. Пара резисторов, пара кондёров.  Я думаю, у Вас есть схема. Опубликуйте пожалуйста. Схему я где-то видел, может даже в начале этой темы, но давно, а теперь большинство рисунков не открываются.  Сообщение отредактировано ViKiTi: Mar 29 2018, 18:54 Вложенные эскизы изображений   | 
|  |  | 
|  |  | 
| Fuma |  Mar 29 2018, 19:31 
				Создана
					#309				
			 | 
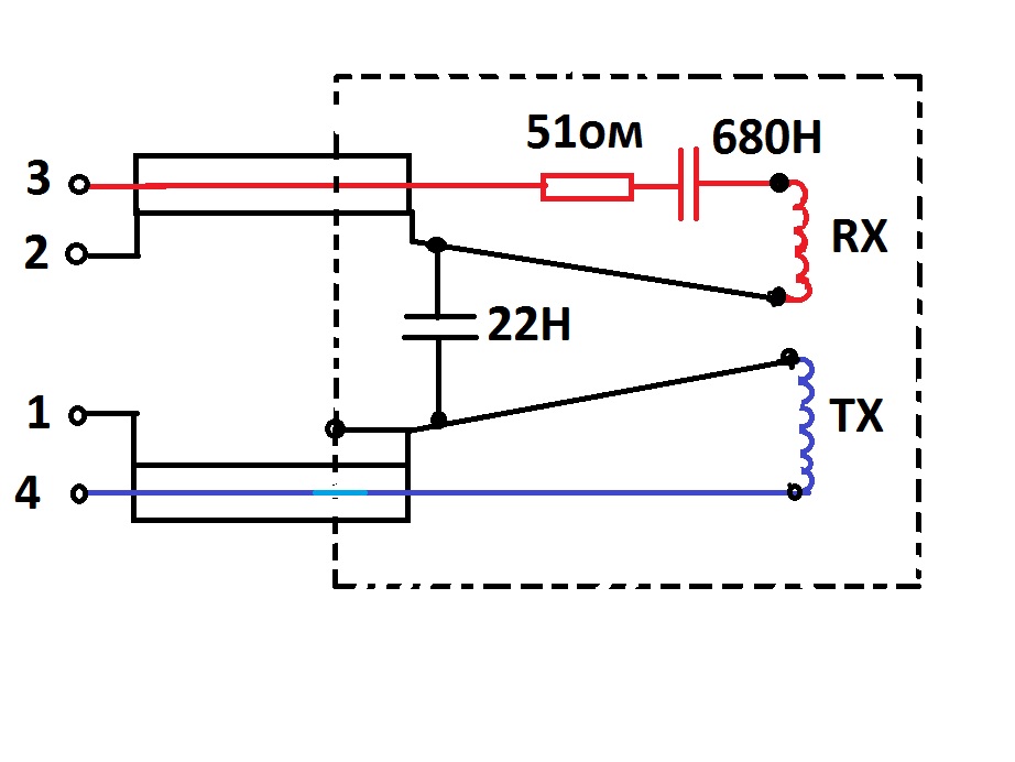
| Профи       Группа: Продавцы Сообщений: 2,215 Зарегистрирован: 1-September 09 Пользователь №: 11,796  Пол: мужской Репутация: 1409 кг    | Тема про катущки Х-Терра там есть внутри плата, даже в катушке НЕЛ Хантер плата есть.  У вас катушка наверно на Аську. Где то схему видел на этом форуме. Поищите точно была. Но чтобы вкладывать обмотку надо до конца все расчистить, и резистор и два конденсатора... И тогда увидите, что один конец приемной припаян через резистор ~ 50 ом к конденсатору 680Н. Второй конец на экран кабеля приемника. Экран датчика на экран кабеля передатчика. Между этими экранами 22Н. На схеме нарисованной так и есть. И как узнали, что обмотка треснула, если даже концов ее не нашли. И зачем надо было обдирать всю катушку? Сообщение отредактировано Fuma: Mar 29 2018, 20:31 | 
|  |  | 
|  |  | 
| ViKiTi |  Mar 30 2018, 13:37 
				Создана
					#310				
			 | 
| Бывалый    Группа: Посетители Сообщений: 183 Зарегистрирован: 29-January 10 Из: Солнце встаёт на Востоке Пользователь №: 14,917 Металлоискатель: Garrett GTI 2500 Репутация: 15 кг    | Катушка для GARRETT AT Pro. Корпус поломался, заливка потрескалась и отвалилась. Пришлось снять. Просмотрел всю тему. Схемы нет. Некоторые вложения уже не отоброжаются. Сообщение отредактировано ViKiTi: Mar 30 2018, 13:50 | 
|  |  | 
|  |  | 
| Fuma |  Mar 30 2018, 15:21 
				Создана
					#311				
			 | 
| Профи       Группа: Продавцы Сообщений: 2,215 Зарегистрирован: 1-September 09 Пользователь №: 11,796  Пол: мужской Репутация: 1409 кг    | |
|  |  | 
|  |  | 
| ViKiTi |  Mar 30 2018, 18:53 
				Создана
					#312				
			 | 
| Бывалый    Группа: Посетители Сообщений: 183 Зарегистрирован: 29-January 10 Из: Солнце встаёт на Востоке Пользователь №: 14,917 Металлоискатель: Garrett GTI 2500 Репутация: 15 кг    | Поковырялся и вот что получилось. Вся катушка это две обмотки и три параллельно спаянных конденсатора.  1,2 на схеме это штырьки разъёма на кабеле. 1- земля, 2-центр. жила. Обмотка тонкого провода. 3,4-гнёзда- обмотка толстого провода. Сюда же сходятся провода экрана. На фото 1,2- спаянные ноги конденсаторов. 3- конденсаторы. 4,5 экран и ценрт. жила на другую обмотку.      Сообщение отредактировано ViKiTi: Mar 31 2018, 13:33 | 
|  |  | 
|  |  | 
| Fuma |  Mar 30 2018, 20:21 
				Создана
					#313				
			 | 
| Профи       Группа: Продавцы Сообщений: 2,215 Зарегистрирован: 1-September 09 Пользователь №: 11,796  Пол: мужской Репутация: 1409 кг    | Чтобы все привести к одному и тому же, надо выяснить, где 1, где 2, и 3 и 4. Потому что на Аськином разъеме контакты подписаны цифрами, а на Ат про нет. И указал, свою схему согласно Аськиному разъему.  | 
|  |  | 
|  |  | 
| ViKiTi |  Mar 31 2018, 14:02 
				Создана
					#314				
			 | 
| Бывалый    Группа: Посетители Сообщений: 183 Зарегистрирован: 29-January 10 Из: Солнце встаёт на Востоке Пользователь №: 14,917 Металлоискатель: Garrett GTI 2500 Репутация: 15 кг    | Добавил рисунок разъёма в пред идущий ответ.  Между экранами никаких деталей не видно.  На какое гнездо идёт экран а на какое центр. провод  обмотки TX не знаю. Обмотка целая и звонится насквозь. Отпаивать ничего не хочу. Если смотреть на катушку снизу, то провод обмотки RX с экрана уходит против часовой стрелки. | 
|  |  | 
|  |  | 
| Бесеркерк |  Mar 31 2018, 14:19 
				Создана
					#315				
			 | 
| Профи       Группа: VIP Сообщений: 13,153 Зарегистрирован: 14-January 11 Пользователь №: 25,068 Пол: мужской Репутация: 373 кг    | Нынче делал коллеге пару катушек ат про.Маленький элипс Нел и штатную катушку.В штатке обмотки обоих катушек звонились прибором показывая сопротивление.В Нел видать применили схему через конденсатор на приемную катушку.    | 
|  |  | 
|  |  | 
| Fuma |  Mar 31 2018, 17:50 
				Создана
					#316				
			 | 
| Профи       Группа: Продавцы Сообщений: 2,215 Зарегистрирован: 1-September 09 Пользователь №: 11,796  Пол: мужской Репутация: 1409 кг    | По вашему рисунку и нумерации 1 и 2 приемная обмотка. 1 это экран провода. 2 центр идет на конденсаторы. По идее и НЕЛ и Гарретт, экран датчика это экран провода Тх. Но чтобы сделать катушку придется все распаять. разобрать и спаять заново. Или выбросить.  | 
|  |  | 
|  |  | 
| Fuma |  Apr 21 2018, 23:11 
				Создана
					#317				
			 | 
| Профи       Группа: Продавцы Сообщений: 2,215 Зарегистрирован: 1-September 09 Пользователь №: 11,796  Пол: мужской Репутация: 1409 кг    | Приходилось полуремонтировать двухчастотные- трехчастотные катушки. Трехчастотная от НЕЛ, до платы добраться нет возможности, или ломать всю катушку, или оставлять как есть. Неисправность при работе на одной из частот блок дает сигнал OL. Разбаланс датчика. Думаю какой то элемент не подключается в процессе коммутации.....Платы не видел, если есть фото, то интересно посмотреть. Катушка от МАРСА. Одна частота есть, на другой блок пишет CЕ. Прежде разбирал марсовскую двухчастотку. Там два контроллера, каждый на свою частоту. Слетела прошивка с контроллера, с одного. И разбирать смысла и не было., а вдруг ножка контроллера плохо была припаяна. Разобрал. Все нормально с коммутацией, реле щелкает, контроллер подключает. Контроллер сигнала не дает. Плата марсовская на фото. Только с одной стороны. Реле на другой стороне. Плату вытаскивать не буду. Если у кого есть можете фото показать....ради интереса. Вложенные эскизы изображений   | 
|  |  | 
|  |  | 
| Fuma |  May 3 2018, 07:56 
				Создана
					#318				
			 | 
| Профи       Группа: Продавцы Сообщений: 2,215 Зарегистрирован: 1-September 09 Пользователь №: 11,796  Пол: мужской Репутация: 1409 кг    | Еще одна марсовская двухчастотная катушка, на которой не работают сразу два контроллера. Все остальное сделано очень прочно. Реле щелкает, контроллеры подключает, кабель надежный, но на блоке сигнал СЕ. В данной ситуации выход вижу только один. Нужен внешний подключатель катушек. Внешний подключатель катушек, это коробочка, размером, чтобы совместить два разъема и переключатель вместе, чтобы они не болтались на проводках. Можно сделать, чтобы она не сразу втыкалась в блок, а на расстоянии примерно 10 сантиметров, даже будет удобнее. И делать и пользоваться. На коробочке будет написано, на какую частоту включится блок 3кГц, 7.5 кГц, 18,75 кГц. Такой переключатель стоит на моей амфибической Терке, но он внутри коробки с клавиатурой. Вложенные эскизы изображений       | 
|  |  | 
|  |  | 
| Наталка |  May 3 2018, 09:03 
				Создана
					#319				
			 | 
| Профи       Группа: Забанены Сообщений: 1,051 Зарегистрирован: 22-October 10 Пользователь №: 22,412 Металлоискатель: X-TERRA 74 Пол: мужской Репутация: 318 кг    | QUOTE(Fuma @ May 3 2018, 07:56) Еще одна марсовская двухчастотная катушка, на которой не работают сразу два контроллера. Все остальное сделано очень прочно. Реле щелкает, контроллеры подключает, кабель надежный, но на блоке сигнал СЕ. В данной ситуации выход вижу только один. Нужен внешний подключатель катушек. Внешний подключатель катушек, это коробочка, размером, чтобы совместить два разъема и переключатель вместе, чтобы они не болтались на проводках. Можно сделать, чтобы она не сразу втыкалась в блок, а на расстоянии примерно 10 сантиметров, даже будет удобнее. И делать и пользоваться. На коробочке будет написано, на какую частоту включится блок 3кГц, 7.5 кГц, 18,75 кГц. Такой переключатель стоит на моей амфибической Терке, но он внутри коробки с клавиатурой. Так если там контроллеры на платке "умерли" - тогда зачем этой катушке, нужен внешний переключатель (что он будет коммутировать)?  Вы считаете, что причина не рабочих контроллеров - именно реле, которое их переключает? | 
|  |  | 
|  |  | 
| Fuma |  May 3 2018, 10:26 
				Создана
					#320				
			 | 
| Профи       Группа: Продавцы Сообщений: 2,215 Зарегистрирован: 1-September 09 Пользователь №: 11,796  Пол: мужской Репутация: 1409 кг    | Реле там работает отлично. Реле четко подключает и один контроллер, который должен дать сигнал блоку, что подключена катушка на три килогерца, и четко подключает второй контроллер(дает сигнал на 7,5 кГц). Но контроллер сигнал не дает. Хотя все коммутации для него подключены и питание и земля и выход. Раз контроллер не дает нужный сигнал он неисправен. Этот нужный сигнал будет идти из коробочки. На какую частоту, это зависит от переключателя, на три фиксированных положения. Неисправность контроллера, очень частая неисправность. Встречается на катушках Минелаба и Марса. Ни разу мне не попалась на катушках НЕЛ. НЕЛ суперфирма, которая вдохнула в Терку новую жизнь. | 
|  |  | 
|    | 
| Упрощенная Версия · Рекламодателям | Сейчас: 31st October 2025 - 17:46 | |
|  |