
![]() |
![]() |
Здравствуйте, Гость ( Авторизация | Регистрация )
![]() |
![]() |
![]() ![]() ![]() |
![]() |
![]() |
| кася |
May 21 2016, 14:40
Создана
#2081
|
|
Бывалый ![]() ![]() ![]() Группа: Забанены Сообщений: 104 Зарегистрирован: 22-February 15 Пользователь №: 2,330,059 Пол: мужской Репутация: 6 кг |
может кто подскажет....купил наушники беспроводные TDK WR700 для Sovereign GT не работают. подключаю к телевизору, телефону всё нормально
|
![]() |
![]() |
![]() |
![]() |
| .RONIN. |
May 21 2016, 14:57
Создана
#2082
|
|
Постоянный ![]() ![]() ![]() ![]() Группа: Забанены Сообщений: 365 Зарегистрирован: 9-August 15 Из: Беларусь Пользователь №: 2,337,169 Металлоискатель: Sorex PRO Пол: мужской Репутация: 20 кг |
QUOTE(кася @ May 21 2016, 14:40) может кто подскажет....купил наушники беспроводные TDK WR700 для Sovereign GT не работают. подключаю к телевизору, телефону всё нормально Перепайка разъёма, в вашем случае проще изготовить новый переходник не ломая родной. Первый пост/ рисунок/ средняя схема. |
![]() |
![]() |
![]() |
![]() |
| Fenyx |
May 21 2016, 15:07
Создана
#2083
|
|
Пользователь ![]() ![]() Группа: Забанены Сообщений: 80 Зарегистрирован: 15-May 16 Пользователь №: 2,350,168 Металлоискатель: deus Пол: мужской Репутация: 5 кг |
QUOTE(Esprit @ May 17 2016, 21:36) Мужики помогите. Я тут редко появляюсь- как-то заходил, интересовался этой темой- прочитал что нужно найти FM-передатчик Ritmix FMT-900, и что вы думаете?- нашел) В квартире все вроде нечего было- поехал на коп- шум присутствует, прибор(терка 705) на землю кладешь, или отходишь от прибора на метр- шум дикий. Как исправить? Пробовал и радионаушниками ловить, и через телефон- одинаково Может где здесь есть ответ, но с детьми 105 страниц не осилю...Выручайте Возможно , брак какой , у меня такой же и на терке и на фишере работал отлично ! -------------------- Бывший ник SMOLBAYAN
|
![]() |
![]() |
![]() |
![]() |
| кася |
May 21 2016, 15:39
Создана
#2084
|
|
Бывалый ![]() ![]() ![]() Группа: Забанены Сообщений: 104 Зарегистрирован: 22-February 15 Пользователь №: 2,330,059 Пол: мужской Репутация: 6 кг |
QUOTE(.RONIN. @ May 21 2016, 14:57) Перепайка разъёма, в вашем случае проще изготовить новый переходник не ломая родной. Первый пост/ рисунок/ средняя схема. спасибо))) а то уже расстроился |
![]() |
![]() |
![]() |
![]() |
| Esprit |
May 21 2016, 16:47
Создана
#2085
|
|
Пользователь ![]() ![]() Группа: Посетители Сообщений: 65 Зарегистрирован: 8-February 15 Пользователь №: 2,329,178 Металлоискатель: X-terra 705 Пол: мужской Репутация: 10 кг |
QUOTE(Fenyx @ May 21 2016, 15:07) Возможно , брак какой , у меня такой же и на терке и на фишере работал отлично ! Да я вот тему покупиваю по мере возможности- тоже смотрю на терках работает у многих. Но уже на пайку отдал резистора. Главное, чтобы хуже не было |
![]() |
![]() |
![]() |
![]() |
| кася |
May 21 2016, 20:44
Создана
#2086
|
|
Бывалый ![]() ![]() ![]() Группа: Забанены Сообщений: 104 Зарегистрирован: 22-February 15 Пользователь №: 2,330,059 Пол: мужской Репутация: 6 кг |
подскажите...кто в схемах понимает, для переделки беспроводных наушников в данных схемах FM - L,R можно подразумевать как подключение к левому и правому наушнику динамика? это я за схему в первом посте....
|
![]() |
![]() |
![]() |
![]() |
| .RONIN. |
May 21 2016, 22:08
Создана
#2087
|
|
Постоянный ![]() ![]() ![]() ![]() Группа: Забанены Сообщений: 365 Зарегистрирован: 9-August 15 Из: Беларусь Пользователь №: 2,337,169 Металлоискатель: Sorex PRO Пол: мужской Репутация: 20 кг |
QUOTE(кася @ May 21 2016, 20:44) подскажите...кто в схемах понимает, для переделки беспроводных наушников в данных схемах FM - L,R можно подразумевать как подключение к левому и правому наушнику динамика? это я за схему в первом посте.... Это каналы, L-левый, R-правый. |
![]() |
![]() |
![]() |
![]() |
| Alexey_ch |
May 22 2016, 16:31
Создана
#2088
|
|
Пользователь ![]() ![]() Группа: Забанены Сообщений: 13 Зарегистрирован: 19-March 16 Пользователь №: 2,347,528 Пол: мужской Номер карты: 54697900 Репутация: 1 кг |
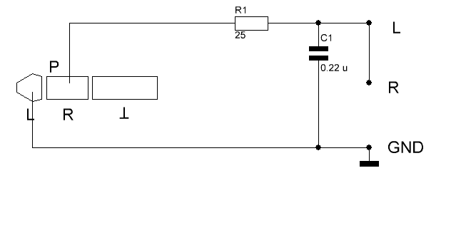
Внимательно прочитал половину ветки (больше пока не осилил) и нашел решение своей проблемы без глупых вопросов. Прибор- Сигнум МФТ7272, трансмиттер с алиэкспресс, наушники тоже с китайщины. Засада была, как и у большинства, с распайкой. Со стареньким плеером "Филипс" все звучало вполне достойно, а с наушниками ни в какую. Обнаружил у сигнума еще один косяк: даже когда все сигналы звучат нормально, звук при включении сильно искажен. Потыкав осциллографом, увидел интересную вещь- звуковой сигнал промодулирован частотой 30кГц. В общем приделал RC- фильтр и все встало на свои места. Подключение, спасибо всем за советы, такое: входы левого и правого канала в трансмиттере соединяем вместе, к ним, через резистор 25 Ом, припаиваем провод правого или левого (без разницы) канала, идущий от джека. Провод второго канала припаиваем на контакт GND. Земляной провод не припаиваем никуда, он в Сигнуме ни к чему не подключен. Впаиваем конденсатор 0,22 мкФ с контакта LR на контакт GND, т.е. параллельно входу. Звук стал мягким и шелковистым. Цена вопроса ~ 1300р.
Сообщение отредактировано Alexey_ch: May 22 2016, 16:47 Вложенные эскизы изображений |
![]() |
![]() |
![]() |
![]() |
| Slav NN |
May 22 2016, 20:41
Создана
#2089
|
|
Бывалый ![]() ![]() ![]() Группа: Посетители Сообщений: 102 Зарегистрирован: 27-November 15 Из: Нижний Новгород Пользователь №: 2,342,039 Металлоискатель: X-TERRA 705 Пол: мужской Номер карты: 8127 Репутация: 3 кг |
Классная инфа! Спасибо!
|
![]() |
![]() |
![]() |
![]() |
| .RONIN. |
May 22 2016, 23:10
Создана
#2090
|
|
Постоянный ![]() ![]() ![]() ![]() Группа: Забанены Сообщений: 365 Зарегистрирован: 9-August 15 Из: Беларусь Пользователь №: 2,337,169 Металлоискатель: Sorex PRO Пол: мужской Репутация: 20 кг |
QUOTE(Alexey_ch @ May 22 2016, 16:31) Внимательно прочитал половину ветки (больше пока не осилил) и нашел решение своей проблемы без глупых вопросов. Прибор- Сигнум МФТ7272, трансмиттер с алиэкспресс, наушники тоже с китайщины. Засада была, как и у большинства, с распайкой. Со стареньким плеером "Филипс" все звучало вполне достойно, а с наушниками ни в какую. Обнаружил у сигнума еще один косяк: даже когда все сигналы звучат нормально, звук при включении сильно искажен. Потыкав осциллографом, увидел интересную вещь- звуковой сигнал промодулирован частотой 30кГц. В общем приделал RC- фильтр и все встало на свои места. Подключение, спасибо всем за советы, такое: входы левого и правого канала в трансмиттере соединяем вместе, к ним, через резистор 25 Ом, припаиваем провод правого или левого (без разницы) канала, идущий от джека. Провод второго канала припаиваем на контакт GND. Земляной провод не припаиваем никуда, он в Сигнуме ни к чему не подключен. Впаиваем конденсатор 0,22 мкФ с контакта LR на контакт GND, т.е. параллельно входу. Звук стал мягким и шелковистым. Цена вопроса ~ 1300р. То есть, было 30 а сделаи частоту среза 28кГц (согластно формуле). И этого хватило? Сами для себя попробуйте эксперимент: пусть кто-то водит цветняком а Вы подставляйте и убирайте кондёр. Думаю разницу в звуке вы услышите и не в лучшею сторону с кондёрам. На старых версиях передатчика, я наблюдал на АКА такое искажение при включении, но оно никак не сказывалось на звуках при работе. Сообщение отредактировано .RONIN.: May 22 2016, 23:19 |
![]() |
![]() |
![]() |
![]() |
| Alexey_ch |
May 22 2016, 23:31
Создана
#2091
|
|
Пользователь ![]() ![]() Группа: Забанены Сообщений: 13 Зарегистрирован: 19-March 16 Пользователь №: 2,347,528 Пол: мужской Номер карты: 54697900 Репутация: 1 кг |
QUOTE(.RONIN. @ May 22 2016, 23:40) То есть, было 30 а сделаи частоту среза 28кГц (согластно формуле). И этого хватило? Сами для себя попробуйте эксперимент: пусть кто-то водит цветняком а Вы подставляйте и убирайте кондёр. Думаю разницу в звуке вы услышите и не в лучшею сторону с кондёрам. На старых версиях передатчика, я наблюдал на АКА такое искажение при включении, но оно никак не сказывалось на звуках при работе. Разницу, безусловно, слышно. С кондером намного лучше. По звуку включения я и настраивал. Самый высокий звуковой тон у сигнума- 1,2 кГц. Сообщение отредактировано Alexey_ch: May 22 2016, 23:33 |
![]() |
![]() |
![]() |
![]() |
| .RONIN. |
May 22 2016, 23:56
Создана
#2092
|
|
Постоянный ![]() ![]() ![]() ![]() Группа: Забанены Сообщений: 365 Зарегистрирован: 9-August 15 Из: Беларусь Пользователь №: 2,337,169 Металлоискатель: Sorex PRO Пол: мужской Репутация: 20 кг |
QUOTE(Alexey_ch @ May 22 2016, 23:31) Разницу, безусловно, слышно. С кондером намного лучше. По звуку включения я и настраивал. Самый высокий звуковой тон у сигнума- 1,2 кГц. Вы ходите не с звуковым сопровождением включения, настраивать нужно по звуку от катушки. Вы ничего в частотах не путаете 1,2 кГц=1200Гц. Сообщение отредактировано .RONIN.: May 23 2016, 00:16 |
![]() |
![]() |
![]() |
![]() |
| pokemon.mitya |
May 23 2016, 07:44
Создана
#2093
|
|
Бывалый ![]() ![]() ![]() Группа: Забанены Сообщений: 104 Зарегистрирован: 13-December 13 Пользователь №: 62,559 Пол: мужской Репутация: 30 кг |
Да скачайте уже звуковой генератор, да послушайте как какая частота слышится.
|
![]() |
![]() |
![]() |
![]() |
| Alexey_ch |
May 23 2016, 19:05
Создана
#2094
|
|
Пользователь ![]() ![]() Группа: Забанены Сообщений: 13 Зарегистрирован: 19-March 16 Пользователь №: 2,347,528 Пол: мужской Номер карты: 54697900 Репутация: 1 кг |
QUOTE(.RONIN. @ May 23 2016, 00:26) Вы ничего в частотах не путаете 1,2 кГц=1200Гц. 5 частот, на которых издает звуки сигнум (можно посмотреть и настроить в доп меню, "настройка тонов КТ") 1-80 2-350 3-600 4-900 5-1400 Гц, а не 1200. Я перепутал. РВ-120 Гц Выше только гармоники и цифровой шум, от которого я и пытаюсь избавится. Звук действительно разный с кондером и без него. Не знаю какой вариант мне больше нравится. В поле сравню. Если кому-то интересно, про наушники. Модель B570. Сделаны достаточно хорошо. Радиоприемник 87-108 , Bluetooth, МП3 плеер с картой памяти. Радио очень неплохое, блютус соединился с телефоном на раз, слышимость хорошая, звучит нормально, не хи-енд. Мп3 не проверял, мне не нужен. Батарея съемная BL-5 890mAh. На али меньше 900р. Мне попались с неработающей индикацией на дисплее (починить пока не получилось). Отспорил у продавца 30% денег. Потребление тока с вкл. подсветкой- 40мА, с откл.- 30. Сообщение отредактировано Alexey_ch: May 23 2016, 19:59 |
![]() |
![]() |
![]() |
![]() |
| .RONIN. |
May 23 2016, 20:34
Создана
#2095
|
|
Постоянный ![]() ![]() ![]() ![]() Группа: Забанены Сообщений: 365 Зарегистрирован: 9-August 15 Из: Беларусь Пользователь №: 2,337,169 Металлоискатель: Sorex PRO Пол: мужской Репутация: 20 кг |
QUOTE(Alexey_ch @ May 23 2016, 19:05) 5 частот, на которых издает звуки сигнум (можно посмотреть и настроить в доп меню, "настройка тонов КТ") 1-80 2-350 3-600 4-900 5-1400 Гц, а не 1200. Я перепутал. РВ-120 Гц Выше только гармоники и цифровой шум, от которого я и пытаюсь избавится. Звук действительно разный с кондером и без него. Не знаю какой вариант мне больше нравится. В поле сравню. Если кому-то интересно, про наушники. Модель B570. Сделаны достаточно хорошо. Радиоприемник 87-108 , Bluetooth, МП3 плеер с картой памяти. Радио очень неплохое, блютус соединился с телефоном на раз, слышимость хорошая, звучит нормально, не хи-енд. Мп3 не проверял, мне не нужен. Батарея съемная BL-5 890mAh. На али меньше 900р. Мне попались с неработающей индикацией на дисплее (починить пока не получилось). Отспорил у продавца 30% денег. Потребление тока с вкл. подсветкой- 40мА, с откл.- 30. Раз вы стоите на своём, то объясняю: 1. в инструкции нету упоминания про частоту звука, есть только цифровое значение которое никак не может быть Гц. 1.1. Это возможно дано в кГц. Прошу не путать, столь разные значения. 2. Звуковой тракт собран на LM4818, у которой характеристика 100Hz–20kHz. У вас же как-то первый тон 80 Гц. То есть ходим и слушаем бас. 3. Вам ходить с таким звуком. Раз устраивает, значит хорошо. Сообщение отредактировано .RONIN.: May 23 2016, 20:49 |
![]() |
![]() |
![]() |
![]() |
| pokemon.mitya |
May 23 2016, 20:39
Создана
#2096
|
|
Бывалый ![]() ![]() ![]() Группа: Забанены Сообщений: 104 Зарегистрирован: 13-December 13 Пользователь №: 62,559 Пол: мужской Репутация: 30 кг |
QUOTE(.RONIN. @ May 23 2016, 20:34) Раз вы стоите на своём, то объясняю: 1. в инструкции нету упоминания про частоту звука, есть только цифровое значение которое никак не может быть Гц. 1.1. Это в кГц. Прошу не путать, столь разные значения. перед тем как кому-то что-то объяснять, неплохо бы самому понять. естественно это никакие не килогерцы |
![]() |
![]() |
![]() |
![]() |
| .RONIN. |
May 23 2016, 20:44
Создана
#2097
|
|
Постоянный ![]() ![]() ![]() ![]() Группа: Забанены Сообщений: 365 Зарегистрирован: 9-August 15 Из: Беларусь Пользователь №: 2,337,169 Металлоискатель: Sorex PRO Пол: мужской Репутация: 20 кг |
QUOTE(pokemon.mitya @ May 23 2016, 20:39) перед тем как кому-то что-то объяснять, неплохо бы самому понять. естественно это никакие не килогерцы Ценю вашу самокритичность. |
![]() |
![]() |
![]() |
![]() |
| pokemon.mitya |
May 23 2016, 20:51
Создана
#2098
|
|
Бывалый ![]() ![]() ![]() Группа: Забанены Сообщений: 104 Зарегистрирован: 13-December 13 Пользователь №: 62,559 Пол: мужской Репутация: 30 кг |
|
![]() |
![]() |
![]() |
![]() |
| Alexey_ch |
May 23 2016, 20:51
Создана
#2099
|
|
Пользователь ![]() ![]() Группа: Забанены Сообщений: 13 Зарегистрирован: 19-March 16 Пользователь №: 2,347,528 Пол: мужской Номер карты: 54697900 Репутация: 1 кг |
QUOTE(.RONIN. @ May 23 2016, 21:04) Раз вы стоите на своём, то объясняю: 1.1. Это в кГц. Прошу не путать, столь разные значения. Вы можете услышать 1400 кГц? Покажите звуковое устр-во, которое такое сыграет. |
![]() |
![]() |
![]() |
![]() |
| .RONIN. |
May 23 2016, 20:58
Создана
#2100
|
|
Постоянный ![]() ![]() ![]() ![]() Группа: Забанены Сообщений: 365 Зарегистрирован: 9-August 15 Из: Беларусь Пользователь №: 2,337,169 Металлоискатель: Sorex PRO Пол: мужской Репутация: 20 кг |
|
![]() |
![]() |
![]() ![]() ![]() |
| Упрощенная Версия · Рекламодателям | Сейчас: 14th January 2026 - 04:31 | |
![]() |