
![]() |
![]() |
Здравствуйте, Гость ( Авторизация | Регистрация )
![]() |
![]() |
![]() ![]() ![]() |
![]() |
![]() |
| Созерцатель |
Mar 23 2018, 11:41
Создана
#2381
|
|
Постоянный ![]() ![]() ![]() ![]() Группа: Посетители Сообщений: 286 Зарегистрирован: 8-April 14 Пользователь №: 67,443 Пол: мужской Репутация: 6 кг |
Спасибо! А у меня другая... С яндекс диска качал... мобыть не то помотрел?...
-------------------- Воронежска губерния
|
![]() |
![]() |
![]() |
![]() |
| lazymanA |
Mar 23 2018, 12:18
Создана
#2382
|
|
Бывалый ![]() ![]() ![]() Группа: Посетители Сообщений: 159 Зарегистрирован: 27-August 17 Из: РФ Пользователь №: 2,367,029 Металлоискатель: Deus Интересы: 1700-1961 Пол: мужской Репутация: 9 кг |
QUOTE(Созерцатель @ Mar 23 2018, 11:41) Спасибо! А у меня другая... С яндекс диска качал... мобыть не то помотрел?... Есть еще и такая но она еще не опробована -------------------- Всех благ.
|
![]() |
![]() |
![]() |
![]() |
| lazymanA |
Mar 23 2018, 13:03
Создана
#2383
|
|
Бывалый ![]() ![]() ![]() Группа: Посетители Сообщений: 159 Зарегистрирован: 27-August 17 Из: РФ Пользователь №: 2,367,029 Металлоискатель: Deus Интересы: 1700-1961 Пол: мужской Репутация: 9 кг |
QUOTE(Созерцатель @ Mar 22 2018, 22:31) Посмотрел схему "электронной кнопки" , там два мосфета, обвязка... Куча выводов... Это для включения прибора с кнопки и к датчику не имеет отношения. -------------------- Всех благ.
|
![]() |
![]() |
![]() |
![]() |
| Созерцатель |
Mar 23 2018, 23:21
Создана
#2384
|
|
Постоянный ![]() ![]() ![]() ![]() Группа: Посетители Сообщений: 286 Зарегистрирован: 8-April 14 Пользователь №: 67,443 Пол: мужской Репутация: 6 кг |
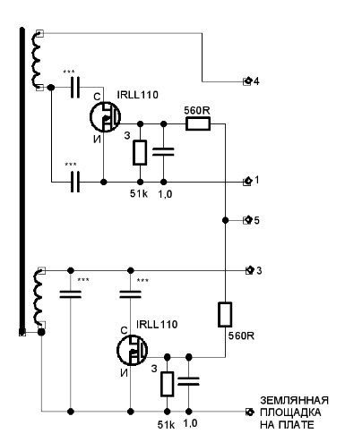
QUOTE(lazymanA @ Mar 23 2018, 12:18) Вот такая у Автора приведена. И обзывается "электронная кнопка". И "катушкопостроители" на нее косятся... С тумблером конечно легче. Но это шаг назад, к АКА, например... -------------------- Воронежска губерния
|
![]() |
![]() |
![]() |
![]() |
| нефед |
Mar 24 2018, 07:24
Создана
#2385
|
|
Пользователь ![]() ![]() Группа: Посетители Сообщений: 81 Зарегистрирован: 14-April 15 Пользователь №: 2,332,542 Пол: мужской Репутация: 13 кг |
QUOTE(Созерцатель @ Mar 23 2018, 23:21) Вот такая у Автора приведена. И обзывается "электронная кнопка". И "катушкопостроители" на нее косятся... С тумблером конечно легче. Но это шаг назад, к АКА, например... Здравствуйте не похоже на авторскую схему .У него один транзистор а здесь 2. Сообщение отредактировано нефед: Mar 24 2018, 07:26 |
![]() |
![]() |
![]() |
![]() |
| lazymanA |
Mar 24 2018, 10:16
Создана
#2386
|
|
Бывалый ![]() ![]() ![]() Группа: Посетители Сообщений: 159 Зарегистрирован: 27-August 17 Из: РФ Пользователь №: 2,367,029 Металлоискатель: Deus Интересы: 1700-1961 Пол: мужской Репутация: 9 кг |
QUOTE(нефед @ Mar 24 2018, 07:24) не похоже на авторскую схему .У него один транзистор а здесь 2. Если вы смотрели документацию к Фортуне Про2, то там сразу две схемы на одном листе для подключения двухчастотных датчиков(откуда я и скопировал). И если немного разобраться, то сразу поймете какая схема вам нужна. А электронная кнопка и переключение частоты прибором это совсем разные вещи. -------------------- Всех благ.
|
![]() |
![]() |
![]() |
![]() |
| avkar |
May 15 2018, 10:15
Создана
#2387
|
|
Бывалый ![]() ![]() ![]() Группа: Посетители Сообщений: 173 Зарегистрирован: 6-October 15 Из: Москва Пользователь №: 2,339,524 Пол: мужской Номер карты: 6762**********2877 Репутация: 9 кг |
Добрый день! Парни, у кого в Москве есть Квазар АРМ? Нужно подключить мою катушку и посмотреть ток передающей обмотки. Поможет кто?
|
![]() |
![]() |
![]() |
![]() |
| lazymanA |
May 16 2018, 11:00
Создана
#2388
|
|
Бывалый ![]() ![]() ![]() Группа: Посетители Сообщений: 159 Зарегистрирован: 27-August 17 Из: РФ Пользователь №: 2,367,029 Металлоискатель: Deus Интересы: 1700-1961 Пол: мужской Репутация: 9 кг |
Есть фортуна, но на ней отображение тока отличается от квазара.
-------------------- Всех благ.
|
![]() |
![]() |
![]() |
![]() |
| avkar |
May 17 2018, 12:49
Создана
#2389
|
|
Бывалый ![]() ![]() ![]() Группа: Посетители Сообщений: 173 Зарегистрирован: 6-October 15 Из: Москва Пользователь №: 2,339,524 Пол: мужской Номер карты: 6762**********2877 Репутация: 9 кг |
QUOTE(lazymanA @ May 16 2018, 11:00) Есть фортуна, но на ней отображение тока отличается от квазара. На фортуне похоже разъем катушки не такой. У меня катушка от АКА. Как я понял распиновка такая же как на квазаре. Поэтому мне рекомендовали подключить катушку от АКА к Квазару, что бы проверить ток передающей обмотки. Спасибо за отзывчивость! Еще поищу. |
![]() |
![]() |
![]() |
![]() |
| ArturS |
May 17 2018, 12:57
Создана
#2390
|
|
Профи ![]() ![]() ![]() ![]() ![]() ![]() Группа: Посетители Сообщений: 1,160 Зарегистрирован: 13-August 15 Из: Украина. Пользователь №: 2,337,311 Пол: мужской Репутация: 24 кг |
QUOTE(avkar @ May 17 2018, 12:49) На фортуне похоже разъем катушки не такой. У меня катушка от АКА. Как я понял распиновка такая же как на квазаре. Поэтому мне рекомендовали подключить катушку от АКА к Квазару, что бы проверить ток передающей обмотки. Спасибо за отзывчивость! Еще поищу. Разпиновка "Квазар АРМ" и "Фортуна" одинаковы. (5 пин) Датчик от АКА, НЕ подойдёт ни к одному из них. ПО параметрам. Сообщение отредактировано ArturS: May 17 2018, 12:57 |
![]() |
![]() |
![]() |
![]() |
| Vladsilver |
May 17 2018, 12:59
Создана
#2391
|
|
Бывалый ![]() ![]() ![]() Группа: Забанены Сообщений: 198 Зарегистрирован: 15-February 17 Из: Нижегородская облась Пользователь №: 2,359,404 Пол: мужской Репутация: 27 кг |
QUOTE(avkar @ May 17 2018, 12:49) На фортуне похоже разъем катушки не такой. У меня катушка от АКА. Как я понял распиновка такая же как на квазаре. Поэтому мне рекомендовали подключить катушку от АКА к Квазару, что бы проверить ток передающей обмотки. Спасибо за отзывчивость! Еще поищу. Квазар, как и Фортуна, приборы самодельные. И каждый ставит разъемы какие хочет, и распайку делает произвольную. Стандарта нет. А если не секрет, зачем Вам мерить ток предающей обмотки? |
![]() |
![]() |
![]() |
![]() |
| ArturS |
May 17 2018, 13:03
Создана
#2392
|
|
Профи ![]() ![]() ![]() ![]() ![]() ![]() Группа: Посетители Сообщений: 1,160 Зарегистрирован: 13-August 15 Из: Украина. Пользователь №: 2,337,311 Пол: мужской Репутация: 24 кг |
QUOTE(Vladsilver @ May 17 2018, 12:59) А если не секрет, зачем Вам мерить ток предающей обмотки? АКА 100 витков проводом 0,4 естественно ток будет маленьким. Но каким? "Квазар АРМ" 45 витков 0,45. Вот ему и советуют... |
![]() |
![]() |
![]() |
![]() |
| Vladsilver |
May 17 2018, 13:05
Создана
#2393
|
|
Бывалый ![]() ![]() ![]() Группа: Забанены Сообщений: 198 Зарегистрирован: 15-February 17 Из: Нижегородская облась Пользователь №: 2,359,404 Пол: мужской Репутация: 27 кг |
QUOTE(ArturS @ May 17 2018, 12:57) Разпиновка "Квазар АРМ" и "Фортуна" одинаковы. (5 пин) Датчик от АКА, НЕ подойдёт ни к одному из них. ПО параметрам. По каким параметрам они не подходят? У меня прекрасно работают два датчика для АКА Сигнум на Квазаре. Особенно мне понравилась работа NEL Snake 3,5х5,5 14кГц для АКА именно на Квазаре, по мусору. |
![]() |
![]() |
![]() |
![]() |
| ArturS |
May 17 2018, 13:08
Создана
#2394
|
|
Профи ![]() ![]() ![]() ![]() ![]() ![]() Группа: Посетители Сообщений: 1,160 Зарегистрирован: 13-August 15 Из: Украина. Пользователь №: 2,337,311 Пол: мужской Репутация: 24 кг |
QUOTE(Vladsilver @ May 17 2018, 13:05) По каким параметрам они не подходят? Ответил выше Но добавлю по РХ у АКА добротность выше данного контура. 100 витков 0,4. У АКА разнос частот РХ-ТХ 50Гц. У "КвазарАРМ" 2000Гц. Сообщение отредактировано ArturS: May 17 2018, 13:10 |
![]() |
![]() |
![]() |
![]() |
| Vladsilver |
May 17 2018, 13:15
Создана
#2395
|
|
Бывалый ![]() ![]() ![]() Группа: Забанены Сообщений: 198 Зарегистрирован: 15-February 17 Из: Нижегородская облась Пользователь №: 2,359,404 Пол: мужской Репутация: 27 кг |
QUOTE(ArturS @ May 17 2018, 13:03) АКА 100 витков проводом 0,4 естественно ток будет маленьким. Но каким? "Квазар АРМ" 45 витков 0,45. Вот ему и советуют... АКА 9х12 6кГц на Квазаре - ток Тх 40мА. Он же на 14кГц - 38мА. Датчик DD 10" для Квазара самодельный - 75мА. Считаем: АКА Тх 100вит*ток 40мА*2(Квазар так измеряет)=8Ампер\витков. DD 10" Квазар 45вит*75мА*2=6,75Ампер\витка. Где ток маленький? |
![]() |
![]() |
![]() |
![]() |
| ArturS |
May 17 2018, 13:18
Создана
#2396
|
|
Профи ![]() ![]() ![]() ![]() ![]() ![]() Группа: Посетители Сообщений: 1,160 Зарегистрирован: 13-August 15 Из: Украина. Пользователь №: 2,337,311 Пол: мужской Репутация: 24 кг |
QUOTE(Vladsilver @ May 17 2018, 13:15) Где ток маленький? У датчика АКА НЕ ампервитки. И добротность НЕ та. И разнос частот, НЕ тот. НО если вам, лично, нравится, то почему нет? |
![]() |
![]() |
![]() |
![]() |
| Vladsilver |
May 17 2018, 13:40
Создана
#2397
|
|
Бывалый ![]() ![]() ![]() Группа: Забанены Сообщений: 198 Зарегистрирован: 15-February 17 Из: Нижегородская облась Пользователь №: 2,359,404 Пол: мужской Репутация: 27 кг |
QUOTE(ArturS @ May 17 2018, 13:18) У датчика АКА НЕ ампервитки. И добротность НЕ та. И разнос частот, НЕ тот. НО если вам, лично, нравится, то почему нет? Но ведь ток мы качаем, чтоб получить ампер\витки. Поле нам нужно. А добротность, чем ниже, тем лучше. Меньше влияние грунта. Лишь бы прибор позволял получить нужные ампер\витки. Разнос частот - дело двоякое. Меньше разнос - выше чувствительность, но хуже стабильность. Квазар вполне справляется с отсутствием разноса в датчиках АКА. Тем более его можно организовать смешением частоты Тх. Что есть и в АКА Сигнум и в Квазаре. Ток упадет только немного, но это не беда, порой даже лучше. Возможно стабильность датчика АКА вызвана применением идентичных контуров Тх и Рх. Внешние воздействия влияют на оба контура одинаково, тем самым остается баланс между ними. Ну и технология изготовления видимо не плохая. Вобщем мне нравиться работа датчиков АКА на Квазар-АРМ. Не хуже, чем самодельные по авторским данным, точно. Местами даже лучше. Причем Квазар с Nel Snake на мусоре ведет себя заметно лучше, чем Сигнум МФТ с тем же датчиком. Все ИМХО. |
![]() |
![]() |
![]() |
![]() |
| ArturS |
May 17 2018, 13:57
Создана
#2398
|
|
Профи ![]() ![]() ![]() ![]() ![]() ![]() Группа: Посетители Сообщений: 1,160 Зарегистрирован: 13-August 15 Из: Украина. Пользователь №: 2,337,311 Пол: мужской Репутация: 24 кг |
QUOTE(Vladsilver @ May 17 2018, 13:40) ... А добротность, чем ниже, тем лучше. ... Все ИМХО. Добротность ГДЕ? Добротность какая? Ну а так, зауши притянули и хорошо. Вам нравится, ну и ладненько. |
![]() |
![]() |
![]() |
![]() |
| avkar |
May 17 2018, 15:26
Создана
#2399
|
|
Бывалый ![]() ![]() ![]() Группа: Посетители Сообщений: 173 Зарегистрирован: 6-October 15 Из: Москва Пользователь №: 2,339,524 Пол: мужской Номер карты: 6762**********2877 Репутация: 9 кг |
Парни, вы тут столько подробностей раскрыли
Датчик у меня от АКА. Прибор с ним быстро стал есть батарейки. Мне сказали что его можно подключить к квазару и увидеть на нем ток передающей обмотки, потому что Квазар такую возможность имеет. Будет понятно что с моей катушкой не так. |
![]() |
![]() |
![]() |
![]() |
| lazymanA |
May 17 2018, 15:50
Создана
#2400
|
|
Бывалый ![]() ![]() ![]() Группа: Посетители Сообщений: 159 Зарегистрирован: 27-August 17 Из: РФ Пользователь №: 2,367,029 Металлоискатель: Deus Интересы: 1700-1961 Пол: мужской Репутация: 9 кг |
QUOTE(avkar @ May 17 2018, 15:26) Датчик у меня от АКА. Прибор с ним быстро стал есть батарейки. Мне сказали что его можно подключить к квазару и увидеть на нем ток передающей обмотки, потому что Квазар такую возможность имеет. Будет понятно что с моей катушкой не так. То есть МД у вас АКА и просто хотели проверить датчик? -------------------- Всех благ.
|
![]() |
![]() |
![]() ![]() ![]() |
| Упрощенная Версия · Рекламодателям | Сейчас: 19th December 2025 - 18:49 | |
![]() |