
![]() |
![]() |
Здравствуйте, Гость ( Авторизация | Регистрация )
![]() |
![]() |
![]() ![]() ![]() |
![]() |
![]() |
| vladis |
Mar 7 2010, 17:58
Создана
#1161
|
|
Пользователь ![]() ![]() Группа: Забанены Сообщений: 39 Зарегистрирован: 24-December 09 Пользователь №: 14,025 Репутация: нет |
лёва там реально ошибку Укропыч узрел.С43 и R47 подключены между землей и коллектором vt1.
Укропыч если исправил отпиши,как чувство,увеличилось? |
![]() |
![]() |
![]() |
![]() |
| лёва |
Mar 7 2010, 18:03
Создана
#1162
|
|
Старожил ![]() ![]() ![]() ![]() ![]() Группа: Забанены Сообщений: 824 Зарегистрирован: 23-October 09 Из: Черноземье Пользователь №: 12,738 Пол: мужской Репутация: 36 кг |
QUOTE(vladis @ Mar 7 2010, 19:11) лёва там реально ошибку Укропыч узрел.С43 и R47 подключены между землей и коллектором vt1. Укропыч если исправил отпиши,как чувство,увеличилось? Щас гляну, может я действительно чего нибудь проворонил. Да ,действительно проморгал. А я тут на Укропыча бочки качу ![]() Сообщение отредактировано лёва: Mar 7 2010, 18:15 |
![]() |
![]() |
![]() |
![]() |
| Шайтан |
Mar 7 2010, 18:40
Создана
#1163
|
|
Постоянный ![]() ![]() ![]() ![]() Группа: Забанены Сообщений: 343 Зарегистрирован: 1-October 09 Из: Из-за острова Буяна Пользователь №: 12,315 Репутация: 5 кг |
|
![]() |
![]() |
![]() |
![]() |
| лёва |
Mar 7 2010, 19:40
Создана
#1164
|
|
Старожил ![]() ![]() ![]() ![]() ![]() Группа: Забанены Сообщений: 824 Зарегистрирован: 23-October 09 Из: Черноземье Пользователь №: 12,738 Пол: мужской Репутация: 36 кг |
QUOTE(Шайтан @ Mar 7 2010, 19:53) Берите учебник 9 класса по труду и начинайте учить микросхемы - вот мой совет! Вы любезный, сначала свою печатку составьте, разведите, выложите ,а потом уже умничайте. P.S. Что касается меня лично, то я и так изучаю , и нигде не говорю что я всё знаю, а касаемо разводки плат могу сказать, что ошибаются при разводке даже гораздо более опытные люди, тому есть масса примеров. Сообщение отредактировано лёва: Mar 7 2010, 20:04 |
![]() |
![]() |
![]() |
![]() |
| Ярцевчанин |
Mar 7 2010, 23:46
Создана
#1165
|
|
Профи ![]() ![]() ![]() ![]() ![]() ![]() Группа: Посетители Сообщений: 1,403 Зарегистрирован: 22-December 09 Из: Духовского уезда Пользователь №: 13,991 Металлоискатель: x-terra 505 Пол: мужской Репутация: 330 кг |
QUOTE(Шайтан @ Mar 7 2010, 18:53) Берите учебник 9 класса по труду и начинайте учить микросхемы - вот мой совет! Уважаемый!Скажите пожалуйста!На каком уровне ваши познания в радиоэлектронике?Может объясните смысл высказанного вами!?-Берите учебник 9 класса по труду и начинайте учить микросхемы.Какой смысл в этом каламбуре? И вопрос к Флагману!-На чем печатали переднюю панель(я про бумагу).С Уваж! -------------------- Per aspera ad astra
|
![]() |
![]() |
![]() |
![]() |
| Укропыч |
Mar 8 2010, 10:28
Создана
#1166
|
|
Постоянный ![]() ![]() ![]() ![]() Группа: Забанены Сообщений: 225 Зарегистрирован: 26-December 09 Из: 190rus Пользователь №: 14,071 Пол: мужской Репутация: 68 кг |
QUOTE(лёва @ Mar 7 2010, 18:16) Щас гляну, может я действительно чего нибудь проворонил. Да ,действительно проморгал. А я тут на Укропыча бочки качу ![]() Лёва,нехочу показаться навязчивым,но это ещё не всё.Упряжка С43-Р47 сейчас осталась на коллекторе Т2 и следовательно оказывает влияние на режим "только цвет",я так понял для того чтобы отрезать её в схеме она должна стоять после проходного С42.Тоесть на плате Р47 я подпаял к входу на S2 и на корпус и просверлил одно отверстие тамже для С43,вот и вся переделка.Увеличения чуства я от этого и не ждал,до сих пор бьюсь и никак.Что только не делал,есть чутьё-видит феррит,отстраиваюсь от феррита -нет чутья.Просто пипец! -------------------- куплю неисправные блоки minelab X-Terrа,любой серии
|
![]() |
![]() |
![]() |
![]() |
| лёва |
Mar 8 2010, 11:15
Создана
#1167
|
|
Старожил ![]() ![]() ![]() ![]() ![]() Группа: Забанены Сообщений: 824 Зарегистрирован: 23-October 09 Из: Черноземье Пользователь №: 12,738 Пол: мужской Репутация: 36 кг |
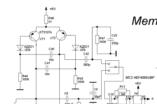
Вот правильная схема подключения, как видим эта цепочка и должна сидеть на коллекторе VT2, а подключается\отключается она к каналу "А" с помощью переключателя. А вы просто перекроили схему не правильно.
![]() Ятаган правильно вам подсказал: отключите вообще её пока что если она вас смущает, и настройте без неё, а потом уже её подклЮчите. А при данном подключении ,она никак не влияет на режим "только цвет", так как в канал "а" ничего не подмешивается. Сообщение отредактировано лёва: Mar 8 2010, 11:29 |
![]() |
![]() |
![]() |
![]() |
| vladis |
Mar 8 2010, 11:29
Создана
#1168
|
|
Пользователь ![]() ![]() Группа: Забанены Сообщений: 39 Зарегистрирован: 24-December 09 Пользователь №: 14,025 Репутация: нет |
Поддержу Укропыча, таки вот правильная схема,нельзя засадить плечо генератора через резистор на массу,все подключения к генератору только через развязку в данном случае С42,к нему цепляйте что хотите,напрямую к генератору нельзя.
Сообщение отредактировано vladis: Mar 8 2010, 11:30 Вложенные эскизы изображений |
![]() |
![]() |
![]() |
![]() |
| лёва |
Mar 8 2010, 11:33
Создана
#1169
|
|
Старожил ![]() ![]() ![]() ![]() ![]() Группа: Забанены Сообщений: 824 Зарегистрирован: 23-October 09 Из: Черноземье Пользователь №: 12,738 Пол: мужской Репутация: 36 кг |
QUOTE(vladis @ Mar 8 2010, 12:42) Поддержу Укропыча, таки вот правильная схема,нельзя засадить плечо генератора через резистор на массу,все подключения к генератору только через развязку в данном случае С42,к нему цепляйте что хотите,напрямую к генератору нельзя. Эта схема от ЯТАГАНА, и она работает на всех сделаных четвёрках, и никаких искажений не вносит. Если вы считаете что надо по другому - сделайте по другому. Сообщение отредактировано лёва: Mar 8 2010, 11:36 |
![]() |
![]() |
![]() |
![]() |
| vladis |
Mar 8 2010, 11:51
Создана
#1170
|
|
Пользователь ![]() ![]() Группа: Забанены Сообщений: 39 Зарегистрирован: 24-December 09 Пользователь №: 14,025 Репутация: нет |
Я по вашему от кого схему нарисовал,от себя? Ятаган на мд4 в самом начале эту схему выставил и было правильно,а потом почалось блин,куча перерисовок из сплана в гиф и наоборот,отсюда и ошибки.
|
![]() |
![]() |
![]() |
![]() |
| лёва |
Mar 8 2010, 11:55
Создана
#1171
|
|
Старожил ![]() ![]() ![]() ![]() ![]() Группа: Забанены Сообщений: 824 Зарегистрирован: 23-October 09 Из: Черноземье Пользователь №: 12,738 Пол: мужской Репутация: 36 кг |
В общем я не буду с вами спорить, вот моё "не правильное" (как вы говорите) подключение. На сколько оно не правильное судите сами:
http://ifolder.ru/16741454 |
![]() |
![]() |
![]() |
![]() |
| лёва |
Mar 8 2010, 12:53
Создана
#1172
|
|
Старожил ![]() ![]() ![]() ![]() ![]() Группа: Забанены Сообщений: 824 Зарегистрирован: 23-October 09 Из: Черноземье Пользователь №: 12,738 Пол: мужской Репутация: 36 кг |
Ради интереса перепаял сейчас по вашему- разницы не увидел. По ходу дела и так и так можно.
QUOTE(Укропыч @ Mar 8 2010, 11:41) Что только не делал,есть чутьё-видит феррит,отстраиваюсь от феррита -нет чутья.Просто пипец! Попробуйте поиграть разницей частот RX\TX Сообщение отредактировано лёва: Mar 8 2010, 13:04 |
![]() |
![]() |
![]() |
![]() |
| Укропыч |
Mar 8 2010, 13:55
Создана
#1173
|
|
Постоянный ![]() ![]() ![]() ![]() Группа: Забанены Сообщений: 225 Зарегистрирован: 26-December 09 Из: 190rus Пользователь №: 14,071 Пол: мужской Репутация: 68 кг |
Пришёл к выводу ,что дело в катухах.Сейчас на столе свожу свеженамотанную ДД.Результаты вполне нормальные.Хотя при вырезании феррита чутьё сильно падает,но оставшихся сантиметров было-бы достаточно,если всё так и останется в конечном результате.Только подскажите в ДД обмотку ТХ необязательно экранировать?
-------------------- куплю неисправные блоки minelab X-Terrа,любой серии
|
![]() |
![]() |
![]() |
![]() |
| лёва |
Mar 8 2010, 14:22
Создана
#1174
|
|
Старожил ![]() ![]() ![]() ![]() ![]() Группа: Забанены Сообщений: 824 Зарегистрирован: 23-October 09 Из: Черноземье Пользователь №: 12,738 Пол: мужской Репутация: 36 кг |
Вообще, лучше заэкранировать. Особое внимание уделите жёсткости, DD очень капризная на это дело. Я по этому их и не люблю, возьни с ними слишком много получается.
|
![]() |
![]() |
![]() |
![]() |
| Andrey K |
Mar 8 2010, 14:38
Создана
#1175
|
|
Пользователь ![]() ![]() Группа: Забанены Сообщений: 22 Зарегистрирован: 8-December 09 Пользователь №: 13,675 Металлоискатель: Pi-w Репутация: нет |
QUOTE(Укропыч @ Mar 8 2010, 10:41) .Увеличения чуства я от этого и не ждал,до сих пор бьюсь и никак.Что только не делал,есть чутьё-видит феррит,отстраиваюсь от феррита -нет чутья.Просто пипец! Может у тебя регулятор R8(баланс грунта) с нелинейным сопротивлением,проверь. |
![]() |
![]() |
![]() |
![]() |
| Укропыч |
Mar 8 2010, 15:06
Создана
#1176
|
|
Постоянный ![]() ![]() ![]() ![]() Группа: Забанены Сообщений: 225 Зарегистрирован: 26-December 09 Из: 190rus Пользователь №: 14,071 Пол: мужской Репутация: 68 кг |
QUOTE(Andrey K @ Mar 8 2010, 14:51) Может у тебя регулятор R8(баланс грунта) с нелинейным сопротивлением,проверь. А с этого места можно поподробнее.У меня на всех платах стоят одинаковые и все платы одинаково не работают.На этих регуляторах кроме номинала ни чего не написано.А как проверить незнаю,так тестором прозвонил ,обрыва нет номинал совпадает ,ну и всё. -------------------- куплю неисправные блоки minelab X-Terrа,любой серии
|
![]() |
![]() |
![]() |
![]() |
| vyuri |
Mar 8 2010, 15:50
Создана
#1177
|
|
Старожил ![]() ![]() ![]() ![]() ![]() Группа: Посетители Сообщений: 943 Зарегистрирован: 12-November 08 Из: 61RUS Пользователь №: 6,499 Репутация: 28 кг |
QUOTE(Укропыч @ Mar 8 2010, 15:19) А с этого места можно поподробнее.У меня на всех платах стоят одинаковые и все платы одинаково не работают.На этих регуляторах кроме номинала ни чего не написано.А как проверить незнаю,так тестором прозвонил ,обрыва нет номинал совпадает ,ну и всё. Тестр подключить и крутить если на 12часов пол наминала линейное. Можно с двух сопротивлений собрать чтоб проверить.С не ленейным настроиться точно не удасться. Сообщение отредактировано vyuri: Mar 8 2010, 15:56 -------------------- Алюминий придумали враги.
|
![]() |
![]() |
![]() |
![]() |
| Andrey K |
Mar 8 2010, 16:32
Создана
#1178
|
|
Пользователь ![]() ![]() Группа: Забанены Сообщений: 22 Зарегистрирован: 8-December 09 Пользователь №: 13,675 Металлоискатель: Pi-w Репутация: нет |
Добавлю. При проверке переменного сопротивления подключи омметр (лучше стрелочный) к одной крайней (любой) и центральной клемме, и смотри как плывет стрелка от угла поворота регулятора....т.е 50%поворота = 50% сопротивления, 10% поворота = 10 % сопротивления - это конечно идеально, но хотя бы в этих приделах. И так же замерь с противоположной клеммой, бывает линейность переходит в логарифм, т.е. чуть крутанул, а сопротивление во много увеличилось.
Сообщение отредактировано Andrey K: Mar 8 2010, 16:47 |
![]() |
![]() |
![]() |
![]() |
| лёва |
Mar 8 2010, 19:38
Создана
#1179
|
|
Старожил ![]() ![]() ![]() ![]() ![]() Группа: Забанены Сообщений: 824 Зарегистрирован: 23-October 09 Из: Черноземье Пользователь №: 12,738 Пол: мужской Репутация: 36 кг |
QUOTE(Укропыч @ Mar 8 2010, 16:19) на всех платах стоят одинаковые и все платы одинаково не работают.На этих регуляторах кроме номинала ни чего не написано Укропыч, cоберите R8 из двух переменников (как здесь правильно написали). Соедините последовательно один переменник 10Ком и к нему 1Ком, и будет вам плавная регулировка Б\Г. |
![]() |
![]() |
![]() |
![]() |
| flagman |
Mar 8 2010, 20:52
Создана
#1180
|
|
Профи ![]() ![]() ![]() ![]() ![]() ![]() Группа: Пляжники Сообщений: 4,162 Зарегистрирован: 23-December 07 Из: Город у моря Пользователь №: 3,157 ![]() Пол: мужской Репутация: 361 кг |
Мне чевойто здается, что у Укропыча проблема в частотной расстройке, я бы ею более плотно поигрался, от превышения прд над прм и до самого обратного......, при чем тут линейность регулятора БГ....., у меня конечно ВЧ, но нормально заработал БГ лишь когда заменил 39 пик на 390....
Лева, земляк, привет. 1. Как ты, еще на пробовал подключать два Терма в параллель? Ведь необязательно одинаковых два прибора собирать, вполне можно например 4 ку целиком задействовать, а от тройки только приемую часть, ведь входные цепи одинаковы.... 2. У меня тут еще мысля появилась, наверное можно обгрейтить Терминатор таким образом - поставить не 1, а 3 компаратора, и порог срабатывания для каждого задать по возрастающей, а потом к каждому компаратору подцепить светодиод, по полученной линеечке из 3-х штук можно будет грубо судить о глубине залегания цели (ее величине), громкость звука-то одинакова, а так будет дополнительная информативность. Более того, можно купить любую китайскую детскую звуковую игрушку (типа пианинки) и допустим самый загрубленный компаратор из трех будет давать не просто тон, а колокольный звук, а чтоб уши не резало сильно, основной рабочий тон прибора можно тоже подобрать кондером под тон "игрушечного" звука, вот и будет сразу ясно, что цель поверхностная. По вопросу на чем печатал наклейку - на мелованной плотной бумаге отличным качеством на хорошем цветном струйнике, потом ламинируешь распечатанный лист на ближайшей точке ксерокопирования, вырезаешь по контуру, и просечками долбишь дырки под регуляторы, получается недорого и как фирмА. Остается только двусторонним канцелярским скотчем приклеять. -------------------- Желаю всем здоровья и благополучия!
|
![]() |
![]() |
![]() ![]() ![]() |
| Упрощенная Версия · Рекламодателям | Сейчас: 21st December 2025 - 22:02 | |
![]() |