
![]() |
![]() |
Здравствуйте, Гость ( Авторизация | Регистрация )
![]() |
![]() |
![]() ![]() ![]() |
![]() |
![]() |
| San_sanych |
Aug 11 2011, 12:33
Создана
#1
|
|
Старожил ![]() ![]() ![]() ![]() ![]() Группа: Забанены Сообщений: 608 Зарегистрирован: 28-March 10 Из: Ленинградская обл. Пользователь №: 16,633 Репутация: 54 кг |
Эта тема появилась как логическое продолжение данной темы: http://www.reviewdetector.ru/index.php?showtopic=80022&st=0 и описывает процесс самостоятельного изготовления DD катушек к металлодетекторам Tesoro, в данном случае к моделям Tejon, Cibola, Vaquero, Lobo Super TRAQ. Весь процесс изготовления подробно описан уважаемым форумчанином под ником Fuma в предыдущей теме и практически повторяет его, поэтому подробно остановлюсь лишь на некоторых моментах.
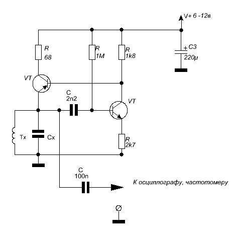
Вобщем, начнем.. Давно хотел сделать к своему Тежону сделать дополнительную катушку, но все как-то не доходили руки.. И вот момент настал, штатная катушка начала подглючивать и я решил не заморачиваться с ее ремонтом, а изготовить новую. Сразу решил делать большую, по размеру где-то как 10х12 Detech, на самом деле по обмотке получилось примерно 10,5х11,5 дюймов. Сначала изготовил оправку для намотки из куска фанеры и гвоздиков без шляпок, которые как следует обработал напильником, чтобы избавиться от всех заусенцев. На фото все размеры приведены в см. Экспериментальным путем установил приблизительное число витков и диаметр провода для обмотки TX - 38 витков ПЭВ-1 0,38 или 0,4 ; RX - 150 витков ПЭВ-1 0,2. Более точное количество витков подбирается при помощи измерительного генератора и частотомера, измеряя сначала резонансную частоту контура обмотки штатной катушки, а затем самодельной. В итоге после намотки и определения точного количества витков должно получиться что-то вроде этого: Витки обмотки перед снятием с оправки я сначала скреплял кусочками медной проволоки, а затем при помощи лески, техникой как при вязке жгутов. Для основы катушки я использовал материал - пеноплекс толщиной 20 мм, наподобии пенопласта, купил в строительном магазине по 80р за лист. Все необходимые пазы вырезал при помощи самодельного электрорезака. Процесс сведения описывать не буду, т.к. он подробно описан в предыдущей теме изготовления самодельных катушек для фишера. Единственное что отмечу, сводил по минимуму сигнала, непосредственно на входе прибора при помощи осциллографа с чувствительностью 5 мВ/дел, с изготовлением дополнительного усилителя для этих целей не заморачивался. Удалось свести где-то до 3 мВ, думаю, что из-за небольшой несимметричности обмоток, такое небольшое несведение на работу прибора ника не сказывается, так как схема прибора устроена так что практически отсекает сигнал, совпадающий по фазе с переданным. Кабель для самодельного датчика использовал, от неисправной катушки Crossfire II для Garrett GTA550,GTP1350, один лишний провод который есть в этом кабеле попросту не использовал. Кабельный ввод PGA7P-08G приобрел в Чип и Дип, штатный разъем на катушке и блоке, под названием "фиг достанешь" заменил на более распространенный miniXLR 4 pin. ![]() Изготовление датчика очень кропотливый процесс, после заливки обмоток и вырезания всех нужных пазов, я использовал 2 слоя стеклоткани с пропиткой эпоксидкой, затем 2 слоя ПВА с графитом для электростатического экрана, затем еще 2 слоя стеклоткани с эпоксидкой. После высыхания каждого слоя стеклоткани зачищал все неровности при помощи наждачки. Для подключения электростатического экрана при изготовлении датчика оставляется тоненький медный провод, подключенный к экрану провода RX, который затем замазывается клеем ПВА с графитом. У меня получилось сопротивление по экрану после высыхания около 3 кОм, что вполне приемлемо. Уши для катушки я изготовил из толстой пластиковой канализационной трубы, разрезав ее и разогнув при помощи термофена, хотя можно использовать любой подходящий материал. При обмотке стеклотканью, для большей прочности их я тоже покрыл 4 соями, отверстия под крепления делал в последнюю очередь, когда датчик был уже практически завершен, чтобы подобрать наилучший баланс. Начало процесса обмотки катушки стеклотканью с эпоксидкой: Датчик после нанесения графитового экрана: Ну и вот что в итоге получилось, после покраски: Теперь немного расскажу об используемом оборудовании. Схема измерительного генератора: ![]() Особо не мучаясь взял за основу схему генератора от металлодетектора Tesoro Bandido II и немного ее доработал. Транзистор в схеме можно использовать практически любой PNP маломощный например КТ3107, я использовал его аналог BC557, можно и NPN, но тогда полярность питания необходимо будет изменить. Переключатель SA1 используется для переключения измеряемых обмоток (приемной или передающей), распиновка разъема Х1 приведена для оригинального разъема. Переключателем SA2 можно изменить частоту измерительного генератора в том случае, если он нестабильно работает с одной из обмоток на данной частоте, да и для точного подбора витков смена частоты довольно полезна. Выход F можно подключать или непосредственно к частотомеру или через разделительный конденсатор 0,1-1nF. Ну и резак для резки пенопласта: ![]() Для резака я использовал трансформатор от старого лампового телевизора и попавшийся под руку мощный реостат. Сам резак сделал из куска фольгированного стеклотекстолита, пары винтиков и нихромовой проволочки. Вот так это выглядит в сборе: Вот собственно и все. Весь процесс изготовления катушки занял чуть больше недели. P.S. Катушка уже прошла испытания в полях, ищет монетки нормально, правда пришлось какое-то время привыкать к размеру и немного изменившимся звукам. Что особенно понравилось теперь цветые монетные сигналы звучат еще более плавно и их еще проще отличить от ненужных целей. Дискрим 1 на Тежоне ставлю чуть выше айрон, триггером практически не пользуюсь. Чувствительность с новой катушкой можно ставить в середину красной зоны и при этом она остается очень стабильной, ложных срабатываний при ударах о стебли травы и о землю не наблюдается. По глубине прироста особого не заметил, хотя может ничего такого не попадалось еще глубокого, зато пропусков засчет большей площади стало намного меньше. По воздуху прибавка в среднем около 30% по сравнению со стандартной 8х9. Ну и вес катушки получился чуть больше чем у штатной, хотя этого не ощущаешь, т.к. отверстия под крепление я сделал точно по центру тяжести. -------------------- Ничто не вечно под луной..
|
![]() |
![]() |
![]() |
![]() |
| maxuss |
Aug 11 2011, 13:40
Создана
#2
|
|
Профи ![]() ![]() ![]() ![]() ![]() ![]() Группа: Забанены Сообщений: 4,416 Зарегистрирован: 15-March 09 Пользователь №: 8,569 ![]() Репутация: 293 кг |
Сан Саныч, преклоняюсь! Вот это мастер!!! Заслуженный +1 !!!
-------------------- Все смотрят в небо, я - в землю!
|
![]() |
![]() |
![]() |
![]() |
| GSL |
Aug 11 2011, 15:02
Создана
#3
|
|
Старожил ![]() ![]() ![]() ![]() ![]() Группа: Забанены Сообщений: 611 Зарегистрирован: 4-May 08 Пользователь №: 4,493 Пол: мужской Репутация: 39 кг |
|
![]() |
![]() |
![]() |
![]() |
| San_sanych |
Aug 11 2011, 15:33
Создана
#4
|
|
Старожил ![]() ![]() ![]() ![]() ![]() Группа: Забанены Сообщений: 608 Зарегистрирован: 28-March 10 Из: Ленинградская обл. Пользователь №: 16,633 Репутация: 54 кг |
QUOTE(GSL @ Aug 11 2011, 16:02) Мастер!!! Законный +. p.s. Для настройки катушек для Tejon, Cibola, Vaquero, Lobo Super TRAQ и т.п. лучше использовать автогенератор от Вайтса. Он лучше работает с катушками с большим током Тх. Спасибо! Как вариант такая схема для настройки тоже подойдет. Тут, как говорится, на вкус и цвет.. лишь бы работало стабильно. -------------------- Ничто не вечно под луной..
|
![]() |
![]() |
![]() |
![]() |
| the_real_x |
Aug 11 2011, 23:00
Создана
#5
|
|
Постоянный ![]() ![]() ![]() ![]() Группа: Забанены Сообщений: 203 Зарегистрирован: 25-October 10 Пользователь №: 22,507 Репутация: 12 кг |
Я так понял, самому катушку не сделать без специальных знаний? Смотрю на это все, кажется непролазный лес, но очень хочется попробовать, даже не с целью обзавестись, а просто интересно!
-------------------- দিমিত্রি
|
![]() |
![]() |
![]() |
![]() |
| Kuzya Marinin |
Aug 12 2011, 09:07
Создана
#6
|
|
Профи ![]() ![]() ![]() ![]() ![]() ![]() Группа: Посетители Сообщений: 1,629 Зарегистрирован: 14-June 10 Из: Татарстан Пользователь №: 18,926 Металлоискатель: E-Trac, Ace 250 Пол: мужской Репутация: 271 кг |
Даааа, я всегда завидовал таким людям как Вы. Я прочитал весь текст, но 60% всей информации так и не понял, хотя весь текст написан вроде на роднои русском. Это для меня как "Филькина грамота". +1
Сообщение отредактировано Kuzya Marinin: Aug 12 2011, 09:08 -------------------- Надейся на лучшее - готовься к худшему!
Куплю Римские монеты. |
![]() |
![]() |
![]() |
![]() |
| San_sanych |
Aug 12 2011, 16:56
Создана
#7
|
|
Старожил ![]() ![]() ![]() ![]() ![]() Группа: Забанены Сообщений: 608 Зарегистрирован: 28-March 10 Из: Ленинградская обл. Пользователь №: 16,633 Репутация: 54 кг |
QUOTE(the_real_x @ Aug 12 2011, 00:00) Я так понял, самому катушку не сделать без специальных знаний? Смотрю на это все, кажется непролазный лес, но очень хочется попробовать, даже не с целью обзавестись, а просто интересно! Я просто ради интереса начал заниматься электроникой еще в школе и до сих пор этот интерес не пропал, а даже наоборот, ведь прогресс не стоит на месте и каждый день появляется что-то новое. Да, несомненно чтобы сделать катушку самому нужны определенные знания и еще куча терпения, но если есть интерес, то почему бы не попробовать, а научиться чему-то новому никогда не поздно. QUOTE(Kuzya Marinin @ Aug 12 2011, 10:07) Даааа, я всегда завидовал таким людям как Вы. Я прочитал весь текст, но 60% всей информации так и не понял, хотя весь текст написан вроде на роднои русском. Это для меня как "Филькина грамота". +1 Спасибо! На самом деле не все так сложно, просто специфика своя. -------------------- Ничто не вечно под луной..
|
![]() |
![]() |
![]() |
![]() |
| dmitryru |
Sep 21 2011, 13:00
Создана
#8
|
|
Профи ![]() ![]() ![]() ![]() ![]() ![]() Группа: Забанены Сообщений: 2,255 Зарегистрирован: 26-May 10 Из: Москва ВАО Пользователь №: 18,424 Репутация: 82 кг |
Сан Саныч а без осцилографа можно сделать катушку?
Спаять автогенератор не проблема и мультиметр есть с замером частоты, а вот осцилограф в принципе на ра боте есть но мотать катушки мне никто не позволит, тем более что придётся прибор ссобой брать на работу. ПС: У меня Техникс Т2 есть родные 5дд и 7х11дд хочу попрбовать сделать 5 моно и что то типа СЕФ 10х12. Сообщение отредактировано dmitryru: Sep 21 2011, 13:30 -------------------- Не курю - Перешёл на электронку.
|
![]() |
![]() |
![]() |
![]() |
| GSL |
Sep 21 2011, 16:51
Создана
#9
|
|
Старожил ![]() ![]() ![]() ![]() ![]() Группа: Забанены Сообщений: 611 Зарегистрирован: 4-May 08 Пользователь №: 4,493 Пол: мужской Репутация: 39 кг |
Можно. Частотомера достаточно, но с осциллографом проще.
Сообщение отредактировано GSL: Sep 21 2011, 16:57 |
![]() |
![]() |
![]() |
![]() |
| dmitryru |
Sep 21 2011, 17:50
Создана
#10
|
|
Профи ![]() ![]() ![]() ![]() ![]() ![]() Группа: Забанены Сообщений: 2,255 Зарегистрирован: 26-May 10 Из: Москва ВАО Пользователь №: 18,424 Репутация: 82 кг |
QUOTE(GSL @ Sep 21 2011, 17:51) Можно. Частотомера достаточно, но с осциллографом проще. А как же тогда свести по минимуму сигнала ? И какой автогенератор лучше собрать для Т2? Сообщение отредактировано dmitryru: Sep 21 2011, 18:17 -------------------- Не курю - Перешёл на электронку.
|
![]() |
![]() |
![]() |
![]() |
| fiskars |
Sep 21 2011, 18:17
Создана
#11
|
|
Профи ![]() ![]() ![]() ![]() ![]() ![]() Группа: Посетители Сообщений: 1,021 Зарегистрирован: 17-September 10 Из: Пермский край Пользователь №: 21,360 Пол: мужской Репутация: 103 кг |
QUOTE(dmitryru @ Sep 21 2011, 18:50) А как же тогда свести по минимуму сигнала ? ну так мультиметр в режиме измерения переменки на самом минимальном значении подключаем параллельно РХ и сводите в ноль, тоже основываю это намоточное дело, кроме мультиметра нет никаких измерительных приборов, да и ненадо мне, я так просто балуюсь -------------------- китаёз>fishet f2>кондор 3>x-terra 54>сорекс М>вакуеро>тежон>explorer 2>GMP>Dēus...
|
![]() |
![]() |
![]() |
![]() |
| dmitryru |
Sep 21 2011, 18:24
Создана
#12
|
|
Профи ![]() ![]() ![]() ![]() ![]() ![]() Группа: Забанены Сообщений: 2,255 Зарегистрирован: 26-May 10 Из: Москва ВАО Пользователь №: 18,424 Репутация: 82 кг |
QUOTE(fiskars @ Sep 21 2011, 19:17) ну так мультиметр в режиме измерения переменки на самом минимальном значении подключаем параллельно РХ и сводите в ноль, тоже основываю это намоточное дело, кроме мультиметра нет никаких измерительных приборов, да и ненадо мне, я так просто балуюсь Это с подключённым прибором? Или надо еще усилитель собирать? -------------------- Не курю - Перешёл на электронку.
|
![]() |
![]() |
![]() |
![]() |
| Fuma |
Sep 21 2011, 19:45
Создана
#13
|
|
Профи ![]() ![]() ![]() ![]() ![]() ![]() Группа: Продавцы Сообщений: 2,237 Зарегистрирован: 1-September 09 Пользователь №: 11,796 ![]() Пол: мужской Репутация: 1423 кг |
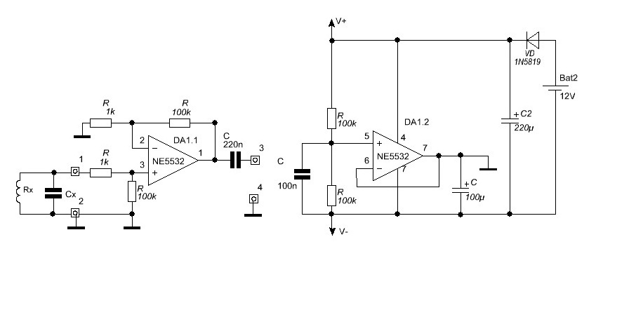
-Чтобы нормально свести катушку, нужно смотреть сигнал не на выходе приемной обмотки, а брать с электронного блока, после первого усилителя. Для этого надо немного разбираться в схемах и раскручивать приемный блок.
-Но можно сделать дополнительный усилитель, который подключается в разрыв кабеля от датчика к электронному блоку. И сигнал брать с него. Тогда можно не разбирать электронный блок. Для этого нужно сделать усилитель для сигнала с приемной обмотки и иметь переходник (который вставляется между электронным блоком и кабелем датчика). Кабель резать не надо. -Естественно все сигналы можно увидеть только при включенном электронном блоке детектора. И мультиметр нужно подключать к этому усилителю, потому что сигнал просто, с приемной обмотки, при сведенном датчике очень слаб, чтобы чего-то там увидеть. С осциллографом эту процедуру делать гораздо удобнее. -Современные приборы могут работать и с не очень сведенными датчиками до каких то пор. Но если датчик сведен при 20 градусах комнатной температуры, как бы не очень точно, при изменении температуры, баланс будет уходить, и очень сильно. Так что прибор может не справиться с разбалансом. На фирмах баланс делают очень точно, сам проверял, для чего используют разнообразные петли, для удобства сведения. Сообщение отредактировано Fuma: Sep 21 2011, 19:50 |
![]() |
![]() |
![]() |
![]() |
| Lexzed |
Sep 21 2011, 20:18
Создана
#14
|
|
Пользователь ![]() ![]() Группа: Забанены Сообщений: 24 Зарегистрирован: 29-June 10 Из: Регион 46 Пользователь №: 19,366 Репутация: 1 кг |
уважаемый Сан Саныч и Fuma, есть предложение. Снимите на видео процесс сведения катушек со всеми разьяснениями. Думаю, после просмотра видео многие вопросы отпадут.
Сообщение отредактировано Lexzed: Sep 21 2011, 20:22 |
![]() |
![]() |
![]() |
![]() |
| dmitryru |
Sep 22 2011, 07:16
Создана
#15
|
|
Профи ![]() ![]() ![]() ![]() ![]() ![]() Группа: Забанены Сообщений: 2,255 Зарегистрирован: 26-May 10 Из: Москва ВАО Пользователь №: 18,424 Репутация: 82 кг |
Ув. Fuma не подскажите схему усилителя, хотя может он мне и не нужен т.к. мой мультиметр мериет от 1мВ в переменке
И какую схему лучше использовать автогенератора для Т2 ( тот же Фишер75 только вид с боку И с каких диаметров лучше начать мотать 10х12дд -знаю что в катушке 7х11дд стоит резистор, но разбирать её не буду она ещё на гарантии -------------------- Не курю - Перешёл на электронку.
|
![]() |
![]() |
![]() |
![]() |
| GSL |
Sep 22 2011, 14:41
Создана
#16
|
|
Старожил ![]() ![]() ![]() ![]() ![]() Группа: Забанены Сообщений: 611 Зарегистрирован: 4-May 08 Пользователь №: 4,493 Пол: мужской Репутация: 39 кг |
В качестве усислителя можно использовать сх1 или сх2.
Клеммы №1,2 через переходник подключаются к приемной катушке Rx. К клеммам №3,4 подключаем осциллограф (мультиметр, ламповый вольтметр) и по изменению напряжения сводим катушку. Сообщение отредактировано GSL: Sep 24 2011, 15:33 Вложенные эскизы изображений |
![]() |
![]() |
![]() |
![]() |
| Fuma |
Sep 22 2011, 18:54
Создана
#17
|
|
Профи ![]() ![]() ![]() ![]() ![]() ![]() Группа: Продавцы Сообщений: 2,237 Зарегистрирован: 1-September 09 Пользователь №: 11,796 ![]() Пол: мужской Репутация: 1423 кг |
Можно использовать любой усилитель, какой попадется в интернете, так же предложенный GSL. Я тоже их брал с интернета, остановился на этом: на этой странице сначала.
http://www.reviewdetector.ru/index.php?sho...ic=155140&st=20 Это пробник поля, тоже нужная вещь. Маленькое потребление, не критичен к питанию и нет лишних шумов, которые были на разных других усилителях. |
![]() |
![]() |
![]() |
![]() |
| dmitryru |
Sep 23 2011, 22:14
Создана
#18
|
|
Профи ![]() ![]() ![]() ![]() ![]() ![]() Группа: Забанены Сообщений: 2,255 Зарегистрирован: 26-May 10 Из: Москва ВАО Пользователь №: 18,424 Репутация: 82 кг |
QUOTE(Fuma @ Sep 22 2011, 19:54) Можно использовать любой усилитель, какой попадется в интернете, так же предложенный GSL. Я тоже их брал с интернета, остановился на этом: на этой странице сначала. http://www.reviewdetector.ru/index.php?sho...ic=155140&st=20 Это пробник поля, тоже нужная вещь. Маленькое потребление, не критичен к питанию и нет лишних шумов, которые были на разных других усилителях. Да что то много лишнего Для меня ещё и это не понятно откуда снимать откуда подавать? (Сигнал можно снимать и после первого каскада усиления. А подавать вместо индуктивности, но через конденсатор 100Н.) Да ещё что за индикатор или вместо него можно тестер сунуть? Fuma Я лучше соберу ваш автогенератор http://www.reviewdetector.ru/index.php?sho...dpost&p=1926641 И какой нибудь простенький усилитель Сообщение отредактировано dmitryru: Sep 25 2011, 00:04 -------------------- Не курю - Перешёл на электронку.
|
![]() |
![]() |
![]() |
![]() |
| Fuma |
Sep 24 2011, 19:09
Создана
#19
|
|
Профи ![]() ![]() ![]() ![]() ![]() ![]() Группа: Продавцы Сообщений: 2,237 Зарегистрирован: 1-September 09 Пользователь №: 11,796 ![]() Пол: мужской Репутация: 1423 кг |
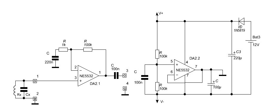
Много чего нужного здесь, и все на одной микросхеме. Можно подключить вот так:
![]() А стрелочный индикатор, так же можно использовать для сведения и проверки баланса датчика. Можно поставить стрелочный индикатор от старого магнитофона. В этом случае, в отличие от осциллографа, будет маленький динамический диапазон, стрелка будет часто зашкаливать. Надо будет регулировать усиление, переключателем S2. И подобрать для своего случая резисторы R3 и R4. Сообщение отредактировано Fuma: Sep 24 2011, 19:44 |
![]() |
![]() |
![]() |
![]() |
| dmitryru |
Sep 25 2011, 00:19
Создана
#20
|
|
Профи ![]() ![]() ![]() ![]() ![]() ![]() Группа: Забанены Сообщений: 2,255 Зарегистрирован: 26-May 10 Из: Москва ВАО Пользователь №: 18,424 Репутация: 82 кг |
QUOTE(Fuma @ Sep 24 2011, 20:09) Много чего нужного здесь, и все на одной микросхеме. Можно подключить вот так: ![]() А стрелочный индикатор, так же можно использовать для сведения и проверки баланса датчика. Можно поставить стрелочный индикатор от старого магнитофона. В этом случае, в отличие от осциллографа, будет маленький динамический диапазон, стрелка будет часто зашкаливать. Надо будет регулировать усиление, переключателем S2. И подобрать для своего случая резисторы R3 и R4. Спасибо Fuma теперь понятно и как я понял вместо осциллографа можно подключить мультиметр в режиме замера переменного тока Вот только что это за Meter? Думаю это просто миллиамперметр И как мотать Probe - какой провод? - на что мотать? и сколько? Сообщение отредактировано dmitryru: Sep 25 2011, 00:25 -------------------- Не курю - Перешёл на электронку.
|
![]() |
![]() |
![]() ![]() ![]() |
| Упрощенная Версия · Рекламодателям | Сейчас: 13th February 2026 - 07:57 | |
![]() |