
![]() |
![]() |
Здравствуйте, Гость ( Авторизация | Регистрация )
![]() |
![]() |
![]() ![]() ![]() |
![]() |
![]() |
| DRAMPIR |
Dec 24 2008, 00:08
Создана
#1
|
|
Пользователь ![]() ![]() Группа: Забанены Сообщений: 42 Зарегистрирован: 25-June 07 Пользователь №: 2,254 Репутация: 16 кг |
Переделывая этой осенью свою Сиболу под нормальные пальчиковые батарейки я наткнулся на 3 лужёных отверстия на плате(смотрите мою предыдущую тему переделка тесоро сибола), мной была выдвинута версия что эти отверстия оставлены производителями под регулятор баланса грунта, тобишь схемы ваджеро и сиболы одинаковы, и отличаются всего лишь одним регулятором.Сегодня вечером моя теория подтвердилась:лазя по бескрайним просторам интернета я натолкнулся на статью(прикреплена ниже).По ходу народ переделывал уже данный девайс.Обращаюсь за помощью к радио электронщикам с нашего форума(ибо я всего-лишь любитель самоучка).Помогите разобраться со схемой переделки, к сожалению прикреплённая статья на английском языке.
Вложенные файлы
CIBOLA_20Ground_20Balance_20Mod.pdf ( 594.57Кб )
Количество скачиваний: 5421 |
![]() |
![]() |
![]() |
![]() |
| Sadko |
Dec 24 2008, 09:36
Создана
#2
|
|
Бывалый ![]() ![]() ![]() Группа: Забанены Сообщений: 102 Зарегистрирован: 30-October 06 Пользователь №: 847 Репутация: 15 кг |
Доброго дня всем!
Вообщем на плате установлен подстроечный резистор,который при настройке прибора на заводе выставляется в усреднённое значение.Для всех грунтов без особых глюков что б работало.Переделку надо доверить любому знакомому ремонтнику радиоаппаратуры .Отпаивается этот самый подстроечник нарисованый в пэдээфе и вместо него на проводах выводится качественный переменный резистор на 50 кОм.И всё... Всем успехов и с наступающими! |
![]() |
![]() |
![]() |
![]() |
| DRAMPIR |
Dec 24 2008, 12:43
Создана
#3
|
|
Пользователь ![]() ![]() Группа: Забанены Сообщений: 42 Зарегистрирован: 25-June 07 Пользователь №: 2,254 Репутация: 16 кг |
Спасибо огромное за помощь, в выходные поеду на митинский радио рынок искать подходящий многооборотный резистор.Как перепаяю обязательно выложу фотографии того что получилось.
|
![]() |
![]() |
![]() |
![]() |
| DRAMPIR |
Jan 28 2009, 18:54
Создана
#4
|
|
Пользователь ![]() ![]() Группа: Забанены Сообщений: 42 Зарегистрирован: 25-June 07 Пользователь №: 2,254 Репутация: 16 кг |
Итак выкладываю русифицированное руководство по переделке)))
1)Разбираем корпус 2)Находим отверстия на плате отмеченные цифрами 1 и 2 3)Аккуратно отпаиваем подстроечный резистор 4)Впаиваем два провода в отверстия 1 и 2 5)Подпаиваем провода к переменному резистору наминалом 50кОМ(к сожалению 10 оборотный подстроечный резистор номиналом 50 ком которые рекомендуют американцы стоит около 700рублей, по этому в целях экономии денег заменил его на два резистора включённых последовательно , один служит для грубой другой для точной настройки себестоимость такой замены всего лишь 100рублей, так что имеем ощутимую выгоду в 600рублей) 6)Сверлим в корпусе дырку под него и собираем корпус обратно. 7)Вращая регулятор проверяем работоспособность прибора и пытаемся настроить его на грунт P.S. Народ у кого тесоро ваджеро поделитесь пожалуйста инструкцией как настраивать ваш прибор на грунт, а лучше напишите подробное руководство. Сообщение отредактировано DRAMPIR: Jan 28 2009, 18:56 Вложенные эскизы изображений |
![]() |
![]() |
![]() |
![]() |
| DRAMPIR |
Jan 28 2009, 19:03
Создана
#5
|
|
Пользователь ![]() ![]() Группа: Забанены Сообщений: 42 Зарегистрирован: 25-June 07 Пользователь №: 2,254 Репутация: 16 кг |
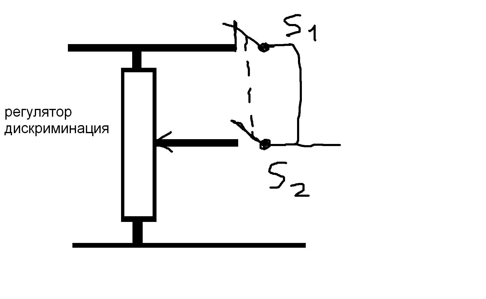
Ещё при переделке возникла мысля сделать переключатель аналогично теджоновскому(схема приложена ниже).В нормальном положении (ключ s1 замкнут , а s2 разомкнут)прибор работает в режиме всех металлов имея максимальную чувствительность, если необходимо проверить объект то переключателем размыкаем ключ s1 и включаем ключ s2 тем самым прибор переходит в режим дискриминации который вы устанавливаете регулировкой переменного резистора.Себестоимость такой переделки около 50 рублей(вообщем это средняя цена переключателя без фиксации).
Вложенные эскизы изображений |
![]() |
![]() |
![]() |
![]() |
| DRAMPIR |
Jan 28 2009, 19:44
Создана
#6
|
|
Пользователь ![]() ![]() Группа: Забанены Сообщений: 42 Зарегистрирован: 25-June 07 Пользователь №: 2,254 Репутация: 16 кг |
Вот часть от инструкции к Ваджеро :
ТЕХНИКА РАБОТЫ С ПРИБОРОМ В ПОЛЕ ОТСТРОЙКА ОТ ГРУНТА В ПОЛЕ Процедура отстройки от грунта не представляет трудности, но она должна быть выполнена правильно, если вы хотите добиться от прибора максимальной глубины и стабильности. Это особенно важно, когда вы охотитесь за глубокими археологическими объектами или ищите самородки золота. Независимо от того, как и где вы ведете поиски, независимо от режима поиска (All Metal или Discriminate) вы обязательно должны отстроиться от грунта на том участке, где вы собираетесь что-то искать. Если вы не будете регулировать баланс грунта на каждом участке, вы не достигнете максимальной эффективности работы вашего прибора, в результате чего потеряете как глубину обнаружения, так и чувствительность. Начиная отстройку от грунта в поле, мы предполагаем, что ваш прибор выключен, хотя эту процедуру можно выполнить в любой момент, когда вы работаете с металлоискателем. Установите ручки прибора в следующих положениях: 1) Чувствительность (Sensitivity) в положение “выключено” (off) 2) Режим работы (MODE) в положение “все металлы” (ALL METAL) 3) Остальные органы управления будут установлены в процессе отстройки от грунта. Включите прибор, повернув ручку “SENSITIVITY” (чувствительность) по часовой стрелке до положения 9 или 10 на шкале. Вы услышите короткий сдвоенный сигнал, свидетельствующий о том, что прибор находится в рабочем состоянии. Затем отрегулируйте с помощью ручки THRESHOLD (порог) уровень порогового фона. Должен быть слышен очень слабый, но стабильный фон. Выберете площадку, свободную от металлических предметов. Поднимите катушку над грунтом на высоту 15-20 см, как показано на рисунке, на такой высоте прибор уже не реагирует на минералы грунта. Прислушиваясь к пороговому фону, опустите катушку так, чтобы она находилась от грунта на высоте около 2 см. При опускании катушки к земле прибор уже начинает реагировать на грунт и даст вам один из трех следующих сигналов: Пороговый фон станет сильнее и более высоким по тону. Это положительная реакция на грунт. Пороговый фон станет тише. Это отрицательная реакция на грунт. Пороговый фон при опускании катушки не изменился. Такая ситуация наблюдается при балансе грунта. Когда это происходит прибор готов для дальнейшей работы. Положительную и отрицательную реакцию прибора на грунт легко отрегулировать. Если вы получили положительную реакцию, поверните ручку “GROUND BALANCE” (баланс грунта) в сторону знака “минус”, т.е. против часовой стрелки. Ниже приведен пример отстройки от грунта. Включив прибор, вы поднимаете катушку над грунтом и затем опускаете ее к земле. Вы замечаете, что громкость порогового фона усилилась. Поэтому вы поворачиваете ручку “баланс грунта” в сторону знака “минус”. Затем вы снова поднимаете и опускаете катушку. Теперь вы получаете отрицательную реакцию. Поверните ручку немного в сторону знака “плюс”, т.е. по часовой стрелке. Таким путем, поднимая и опуская катушку, добейтесь такого положения ручки “Баланс грунта”, при котором порог не мешает при изменении положения катушки. В этот момент вы добились баланса грунта и прибор готов к дальнейшей работе. Т.о. процедура отстройки от грунта довольно проста и с практикой вы научитесь выполнять ее быстро и точно. Используйте для этого любые участки, убедившись, что они не содержат металла. Следует иметь в виду, что катушка при поднимании и опускании должна быть параллельна поверхности грунта. Если вы ее будете поднимать под углом, то баланс грунта будет выполнен неправильно. |
![]() |
![]() |
![]() |
![]() |
| Urod |
Jan 29 2009, 00:02
Создана
#7
|
|
Постоянный ![]() ![]() ![]() ![]() Группа: Забанены Сообщений: 394 Зарегистрирован: 10-January 09 Из: почти столица Пользователь №: 7,351 Металлоискатель: GMaxx II Пол: мужской Репутация: 5 кг |
Здравствуй я вижу ты хорошо приборы тезоро знаешь не можешь подсказать каковы они в сравнении с традиционно любимыми минелабами фишарями вайтсами?Редкие приборы нигде практически нет по ним информации отзывов
-------------------- Не бойся выглядеть глупее, чем кажешся на первый взгляд, и смело задавай вопросы про непонятные слова, которые услышать можно от образованных людей, когда нечаянно при встрече им заезжаешь локтем в глаз.
|
![]() |
![]() |
![]() |
![]() |
| Forest31 |
Jan 29 2009, 00:19
Создана
#8
|
|
Профи ![]() ![]() ![]() ![]() ![]() ![]() Группа: Забанены Сообщений: 2,263 Зарегистрирован: 25-November 06 Пользователь №: 969 Металлоискатель: Minelab X -terra 70 Пол: мужской Репутация: 140 кг |
QUOTE(Urod @ Jan 29 2009, 00:02) Здравствуй я вижу ты хорошо приборы тезоро знаешь не можешь подсказать каковы они в сравнении с традиционно любимыми минелабами фишарями вайтсами?Редкие приборы нигде практически нет по ним информации отзывов Внимательно посмотрите на форуме, здесь очень много написанно о приборах Тесоро. Воспользуйтесь поиском по ключевому слову напр. Тесоро |
![]() |
![]() |
![]() |
![]() |
| Forest31 |
Jan 29 2009, 00:20
Создана
#9
|
|
Профи ![]() ![]() ![]() ![]() ![]() ![]() Группа: Забанены Сообщений: 2,263 Зарегистрирован: 25-November 06 Пользователь №: 969 Металлоискатель: Minelab X -terra 70 Пол: мужской Репутация: 140 кг |
А что за прибор такой Тесоро Ваджеро, никогда о таком не слышал.
Может быть Тесоро Вакуеро? |
![]() |
![]() |
![]() |
![]() |
| Sadko |
Jan 29 2009, 09:33
Создана
#10
|
|
Бывалый ![]() ![]() ![]() Группа: Забанены Сообщений: 102 Зарегистрирован: 30-October 06 Пользователь №: 847 Репутация: 15 кг |
DRAMPIR!Молодца что доделал всё таки прибор,а то время прошло...Подумал что жалко стало ковырять детектор.Жалко что так просто 30ку до 70ки не поапгрейдить
|
![]() |
![]() |
![]() |
![]() |
| DRAMPIR |
Jan 29 2009, 13:35
Создана
#11
|
|
Пользователь ![]() ![]() Группа: Забанены Сообщений: 42 Зарегистрирован: 25-June 07 Пользователь №: 2,254 Репутация: 16 кг |
Народ, после апгрейда сиболы и выведения баланса грунта на приборную панель на плате остались ещё два неиспользованных лужёных отверстия(они показаны стрелками но не пронумерованы).Может кто подскажет их предназначение ну или хотя бы поделитесь схемой сиболы.Так же выкладывайте схемы других аналоговых приборов которые щас широко используются, попытаемся всеобщими усилиями их усовершенствовать.
|
![]() |
![]() |
![]() |
![]() |
| ksv1488 |
Mar 29 2010, 10:52
Создана
#12
|
|
Бывалый ![]() ![]() ![]() Группа: Посетители Сообщений: 188 Зарегистрирован: 15-November 07 Из: Воронеж Пользователь №: 2,952 Репутация: 10 кг |
QUOTE(DRAMPIR @ Jan 28 2009, 19:09) Итак выкладываю русифицированное руководство по переделке))) 1)Разбираем корпус 2)Находим отверстия на плате отмеченные цифрами 1 и 2 3)Аккуратно отпаиваем подстроечный резистор 4)Впаиваем два провода в отверстия 1 и 2 5)Подпаиваем провода к переменному резистору наминалом 50кОМ(к сожалению 10 оборотный подстроечный резистор номиналом 50 ком которые рекомендуют американцы стоит около 700рублей, по этому в целях экономии денег заменил его на два резистора включённых последовательно , один служит для грубой другой для точной настройки себестоимость такой замены всего лишь 100рублей, так что имеем ощутимую выгоду в 600рублей) 6)Сверлим в корпусе дырку под него и собираем корпус обратно. 7)Вращая регулятор проверяем работоспособность прибора и пытаемся настроить его на грунт P.S. Народ у кого тесоро ваджеро поделитесь пожалуйста инструкцией как настраивать ваш прибор на грунт, а лучше напишите подробное руководство. Это ваши теоритические изыскания или на практике осуществили? Действительно работает? |
![]() |
![]() |
![]() |
![]() |
| visocki |
Sep 13 2010, 19:27
Создана
#13
|
|
Новичок ![]() Группа: Забанены Сообщений: 3 Зарегистрирован: 4-September 10 Пользователь №: 21,014 Металлоискатель: Tesoro Tejon+DD Репутация: нет |
полевые испытания сиболы-вакуэро в студию!!! Просим! Просим!
|
![]() |
![]() |
![]() |
![]() |
| visocki |
Sep 15 2010, 11:28
Создана
#14
|
|
Новичок ![]() Группа: Забанены Сообщений: 3 Зарегистрирован: 4-September 10 Пользователь №: 21,014 Металлоискатель: Tesoro Tejon+DD Репутация: нет |
QUOTE(visocki @ Sep 13 2010, 19:30) полевые испытания сиболы-вакуэро в студию!!! Просим! Просим! Блин, что не будет теста Сибуэры? |
![]() |
![]() |
![]() |
![]() |
| Tristan |
Jun 15 2011, 11:39
Создана
#15
|
|
Новичок ![]() Группа: Забанены Сообщений: 2 Зарегистрирован: 24-May 11 Пользователь №: 30,314 Металлоискатель: Tesoro Репутация: нет |
Купил катушку NEL. Прибор - Цибола переданная с грунт-балансом (по схеме выше описанной). НО - не могу данную катушку (NEL) отстроить от грунта все время в "+". Родная катушка 8*9" отстраивается без проблем. Кто, что посоветует ?
|
![]() |
![]() |
![]() |
![]() |
| Oleg_V |
Jun 16 2011, 10:37
Создана
#16
|
|
Профи ![]() ![]() ![]() ![]() ![]() ![]() Группа: Посетители Сообщений: 1,281 Зарегистрирован: 15-April 10 Из: 74RU Карта СБ *7578 Пользователь №: 17,171 Металлоискатель: ADX150, Fisher F5 Пол: мужской Репутация: 316 кг |
может место сильно замусорено, прибор пытается от мусора отстроиться... попробуйте отстроиться от кусочка феррита... это типа аналог сложного грунта. это можно сделать и дома. только чуйку нужно убрать на минимум. феррит можно взять из фильтров, эти фильтры - боченочки на сигнальных и иногда сетевых кабелях, от сотового тел. например... можно прямо без перерезания кабеля, просто поприслонять этот боченок к катушке. или можно компьютерный блок питания раскурочить, там кольцо на сетевом проводе. или в любую радиомастерскую сходить попросить. Сообщение отредактировано Oleg_V: Jun 16 2011, 10:39 |
![]() |
![]() |
![]() |
![]() |
| nikolai-nikolai |
Jul 19 2011, 09:06
Создана
#17
|
|
Новичок ![]() Группа: Забанены Сообщений: 6 Зарегистрирован: 30-January 11 Пользователь №: 25,748 Металлоискатель: Tesoro Cibola Репутация: 1 кг |
Подскажите, в циболе плата просто двухсторонняя или ещё и многослойка ?
|
![]() |
![]() |
![]() |
![]() |
| fiskars |
Jul 19 2011, 17:49
Создана
#18
|
|
Профи ![]() ![]() ![]() ![]() ![]() ![]() Группа: Посетители Сообщений: 1,021 Зарегистрирован: 17-September 10 Из: Пермский край Пользователь №: 21,360 Пол: мужской Репутация: 103 кг |
многослойка но нижний слой только кондеры электролиты некоторые провода и панелька под микроконтроллер
тристан какой у тебя потенциометр на БГ стоит?многооборотник или обычный первый попавшийся под руку? Сообщение отредактировано fiskars: Jul 19 2011, 17:50 -------------------- китаёз>fishet f2>кондор 3>x-terra 54>сорекс М>вакуеро>тежон>explorer 2>GMP>Dēus...
|
![]() |
![]() |
![]() |
![]() |
| ВаДяН |
Jul 19 2011, 20:51
Создана
#19
|
|
Профи ![]() ![]() ![]() ![]() ![]() ![]() Группа: Забанены Сообщений: 8,145 Зарегистрирован: 16-June 08 Из: Ярославка, мать её. Пользователь №: 4,921 ![]() ![]() ![]() Репутация: 512 кг |
QUOTE(Tristan @ Jun 15 2011, 12:40) Купил катушку NEL. Прибор - Цибола переданная с грунт-балансом (по схеме выше описанной). НО - не могу данную катушку (NEL) отстроить от грунта все время в "+". Родная катушка 8*9" отстраивается без проблем. Кто, что посоветует ? Переделать обратно и не слушать кого ни попадя. Если в плате есть дырки, то это не значит, что она готова принять лишний резистр. Там ещё есть "увлекательные" отличия, которые сидя за кухонным столом и не имея навыков и приборов не изменить. -------------------- Дворянство по-французски ни бельмеса. Фурье не читают. А в народе мрак, дичь и отупение.
|
![]() |
![]() |
![]() |
![]() |
| fiskars |
Jul 20 2011, 05:24
Создана
#20
|
|
Профи ![]() ![]() ![]() ![]() ![]() ![]() Группа: Посетители Сообщений: 1,021 Зарегистрирован: 17-September 10 Из: Пермский край Пользователь №: 21,360 Пол: мужской Репутация: 103 кг |
QUOTE(ВаДяН @ Jul 19 2011, 21:52) Переделать обратно и не слушать кого ни попадя. Если в плате есть дырки, то это не значит, что она готова принять лишний резистр. Там ещё есть "увлекательные" отличия, которые сидя за кухонным столом и не имея навыков и приборов не изменить. на самом деле платы вакуеро и сибола одинаковы на 99% а 1 % как раз регулятор бг но от правильного выбора последнего зависит и вся настройка. обычные однооборотные там никак не подойдут. родного 3.5 оборота тоже не найти. я видел 5 оборотов и 10. с первым бг быстрее со вторым точнее.должен быть 50 кОм -------------------- китаёз>fishet f2>кондор 3>x-terra 54>сорекс М>вакуеро>тежон>explorer 2>GMP>Dēus...
|
![]() |
![]() |
![]() ![]() ![]() |
| Упрощенная Версия · Рекламодателям | Сейчас: 10th February 2026 - 10:20 | |
![]() |